LEMON Manuals: Even more car manuals for everyone: 1960-2025
Home >> Acura >> 2014 >> RDX AWD >> Repair and Diagnosis (Single Page) >> Accessories & Equipment >> Communication Devices >> Integrated Control Systems - Testing & Troubleshooting >> Circuit Diagram >> Driving Position Memory System (DPMS) Circuit Diagram (2016-18)
April 5, 2026: LEMON Manuals is launched! Read the announcement.

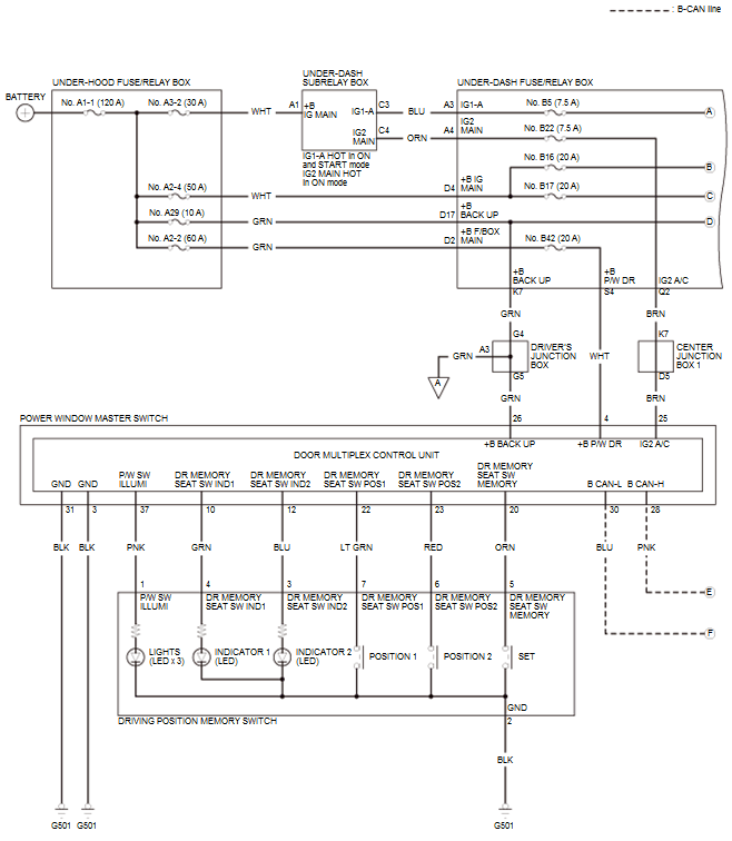
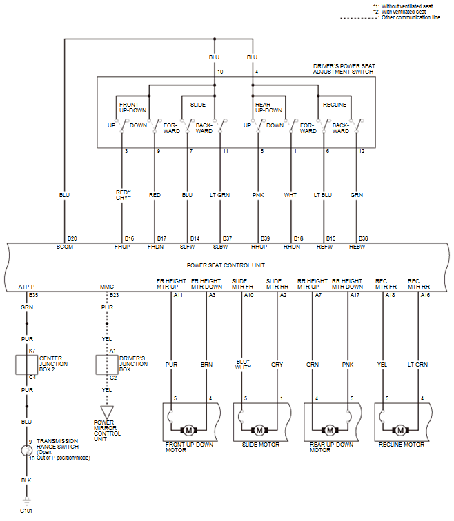
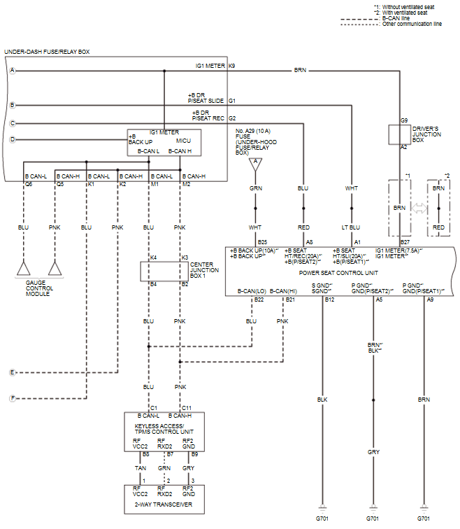
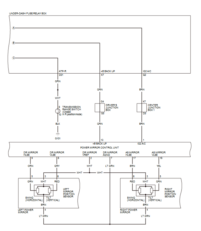
Driving Position Memory System (DPMS) Circuit Diagram (2016-18)

Driver's Power Seat 

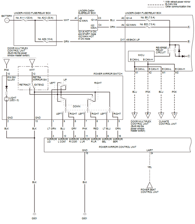
GHH75338Courtesy of HONDA, U.S.A., INC.
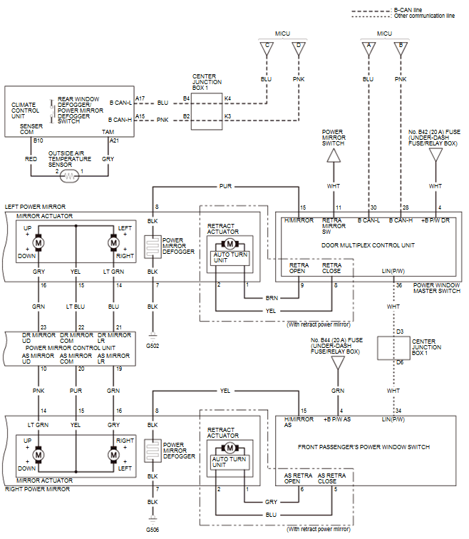
GHH75339Courtesy of HONDA, U.S.A., INC.
GHH75340Courtesy of HONDA, U.S.A., INC.
GHH75341Courtesy of HONDA, U.S.A., INC.

Power Mirror 

GHH75342Courtesy of HONDA, U.S.A., INC.
GHH75343Courtesy of HONDA, U.S.A., INC.
GHH75344Courtesy of HONDA, U.S.A., INC.