LEMON Manuals: Even more car manuals for everyone: 1960-2025
Home >> Acura >> 2014 >> TL Base >> Repair and Diagnosis >> Engine Mechanical >> Starter >> Starting System >> Circuit Diagram >> With Keyless Access System-A/T model
April 5, 2026: LEMON Manuals is launched! Read the announcement.

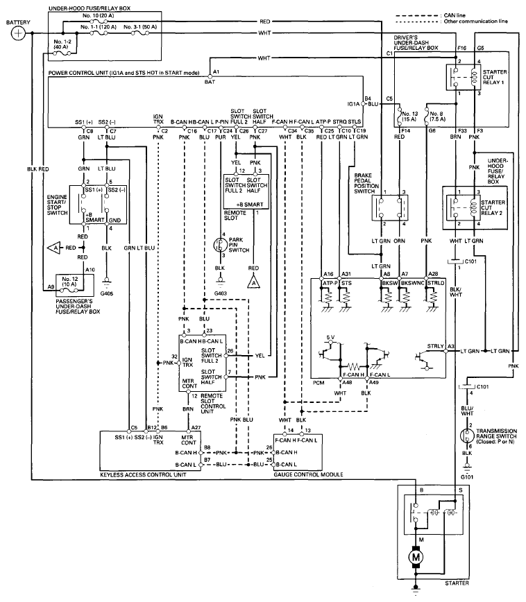
With Keyless Access System-A/T model

Fig 1: Starting System - Circuit Diagram (With Keyless Access System-A/T Model)
G08068518Courtesy of AMERICAN HONDA MOTOR CO., INC.