LEMON Manuals: Even more car manuals for everyone: 1960-2025
Home >> Acura >> 2014 >> TSX Base, 4D Wagon >> Repair and Diagnosis >> Accessories & Equipment >> Seats >> Driver Position Memory System (DPMS) (4-CYL) >> Circuit Diagram
April 5, 2026: LEMON Manuals is launched! Read the announcement.

Circuit Diagram

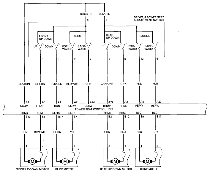
Fig 1: Drivers Position Memory Switch Circuit Diagram (1 Of 4)
G07771030Courtesy of AMERICAN HONDA MOTOR CO., INC.
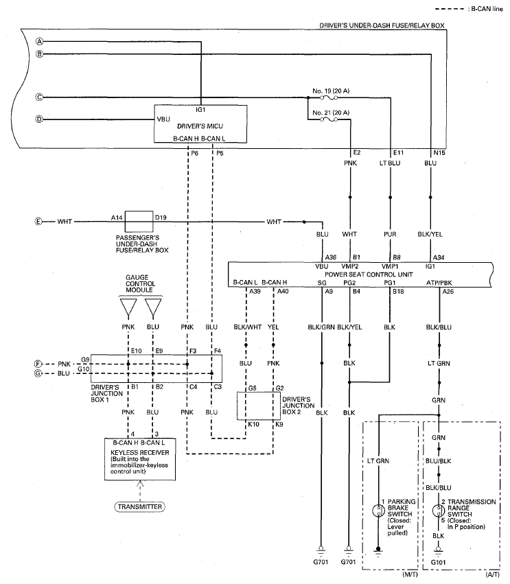
Fig 2: Drivers Position Memory Switch Circuit Diagram (2 Of 4)
G07771031Courtesy of AMERICAN HONDA MOTOR CO., INC.
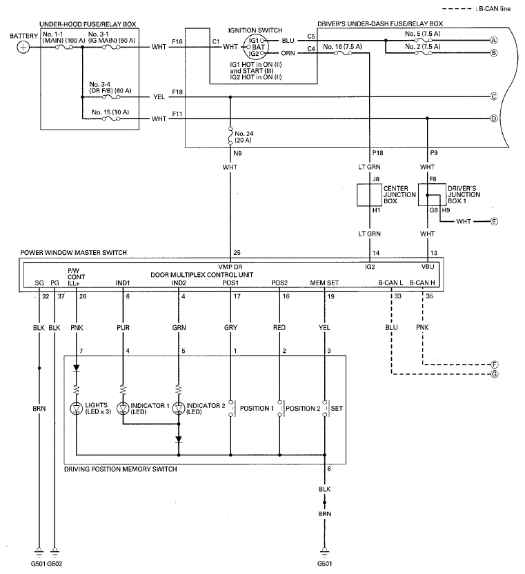
Fig 3: Drivers Position Memory Switch Circuit Diagram (3 Of 4)
G07771032Courtesy of AMERICAN HONDA MOTOR CO., INC.
Fig 4: Drivers Position Memory Switch Circuit Diagram (4 Of 4)
G07771033Courtesy of AMERICAN HONDA MOTOR CO., INC.