LEMON Manuals: Even more car manuals for everyone: 1960-2025
Home >> Acura >> 2016 >> MDX Base >> Repair and Diagnosis (Single Page) >> Accessories & Equipment >> Drivers Assistance Systems - ADAS >> Blind Spot & Multi View Systems - Testing & Troubleshooting (Except Hybrid) >> Circuit Diagrams >> Multi View Camera System (MVCS) Circuit Diagram (2017 2018 2019 2020)
April 5, 2026: LEMON Manuals is launched! Read the announcement.

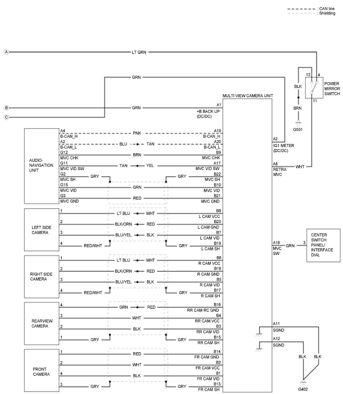
Multi View Camera System (MVCS) Circuit Diagram (2017 2018 2019 2020)

GHH327406Courtesy of HONDA, U.S.A., INC.
GHH327407Courtesy of HONDA, U.S.A., INC.