LEMON Manuals: Even more car manuals for everyone: 1960-2025
Home >> Acura >> 2016 >> RLX Base >> Repair and Diagnosis (Single Page) >> Accessories & Equipment >> Anti-Theft Systems >> Security System Keyless Entry System - Testing & Troubleshooting (Except Hybrid) >> Circuit Diagram >> Keyless Access System Circuit Diagram (2018 2019 2020)
April 5, 2026: LEMON Manuals is launched! Read the announcement.

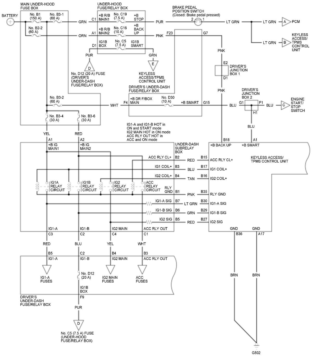
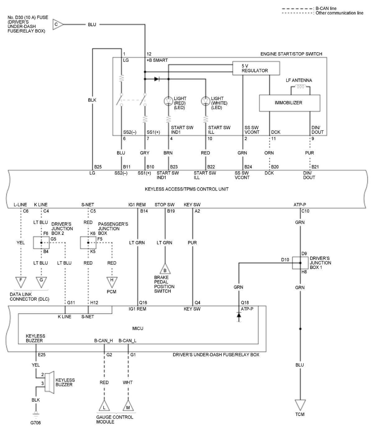
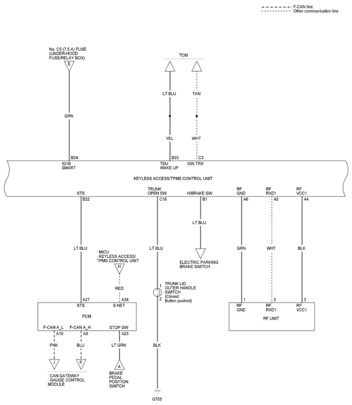
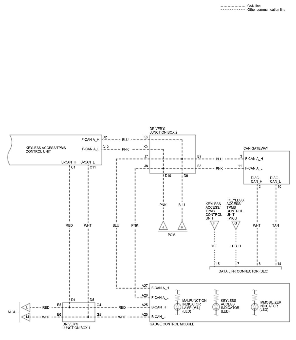
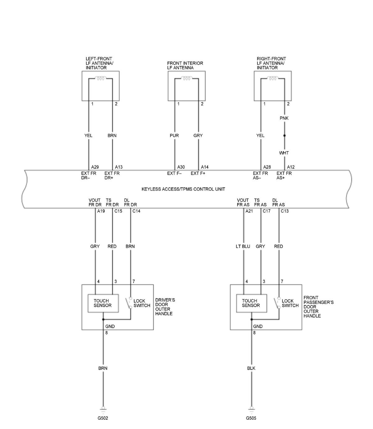
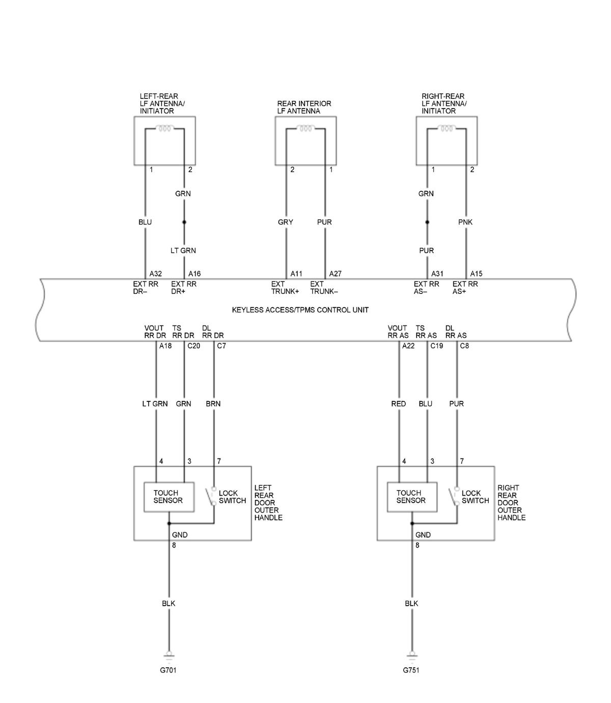
Keyless Access System Circuit Diagram (2018 2019 2020)

GHH350939Courtesy of HONDA, U.S.A., INC.
GHH350940Courtesy of HONDA, U.S.A., INC.
GHH350941Courtesy of HONDA, U.S.A., INC.
GHH350942Courtesy of HONDA, U.S.A., INC.
GHH350943Courtesy of HONDA, U.S.A., INC.
GHH350944Courtesy of HONDA, U.S.A., INC.