LEMON Manuals: Even more car manuals for everyone: 1960-2025
Home >> Acura >> 2016 >> RLX Base >> Repair and Diagnosis (Single Page) >> Body & Frame >> Door Locks >> Security System Keyless Entry System - Testing & Troubleshooting (Except Hybrid) >> Circuit Diagram >> HomeLink Remote Control System Circuit Diagram (2014 2015 2016)
April 5, 2026: LEMON Manuals is launched! Read the announcement.

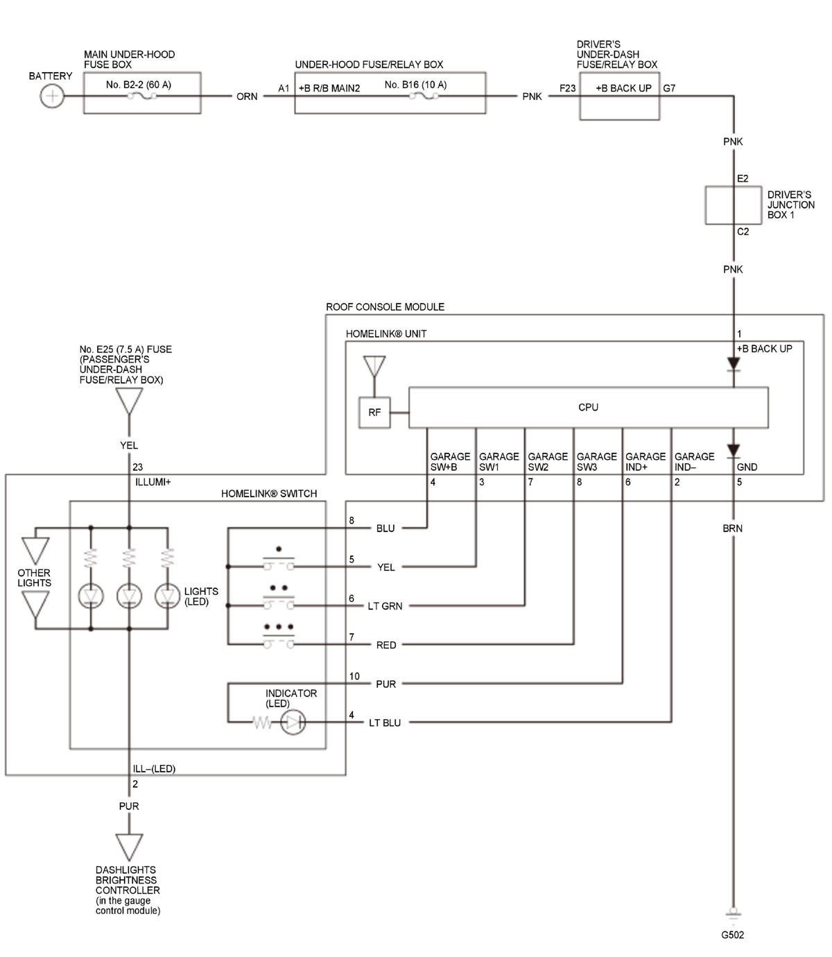
HomeLink Remote Control System Circuit Diagram (2014 2015 2016)

GHH350925Courtesy of HONDA, U.S.A., INC.