LEMON Manuals: Even more car manuals for everyone: 1960-2025
Home >> Acura >> 2017 >> ILX >> Repair and Diagnosis (Single Page) >> Engine Performance >> Engine Control Systems >> Engine Control System / Engine Mechanical - Service, Testing And Troubleshooting (Except Hybrid) >> System Description >> EGR - Overview(R20A5) (2013 2014 2015)
April 5, 2026: LEMON Manuals is launched! Read the announcement.

EGR - Overview(R20A5) (2013 2014 2015)

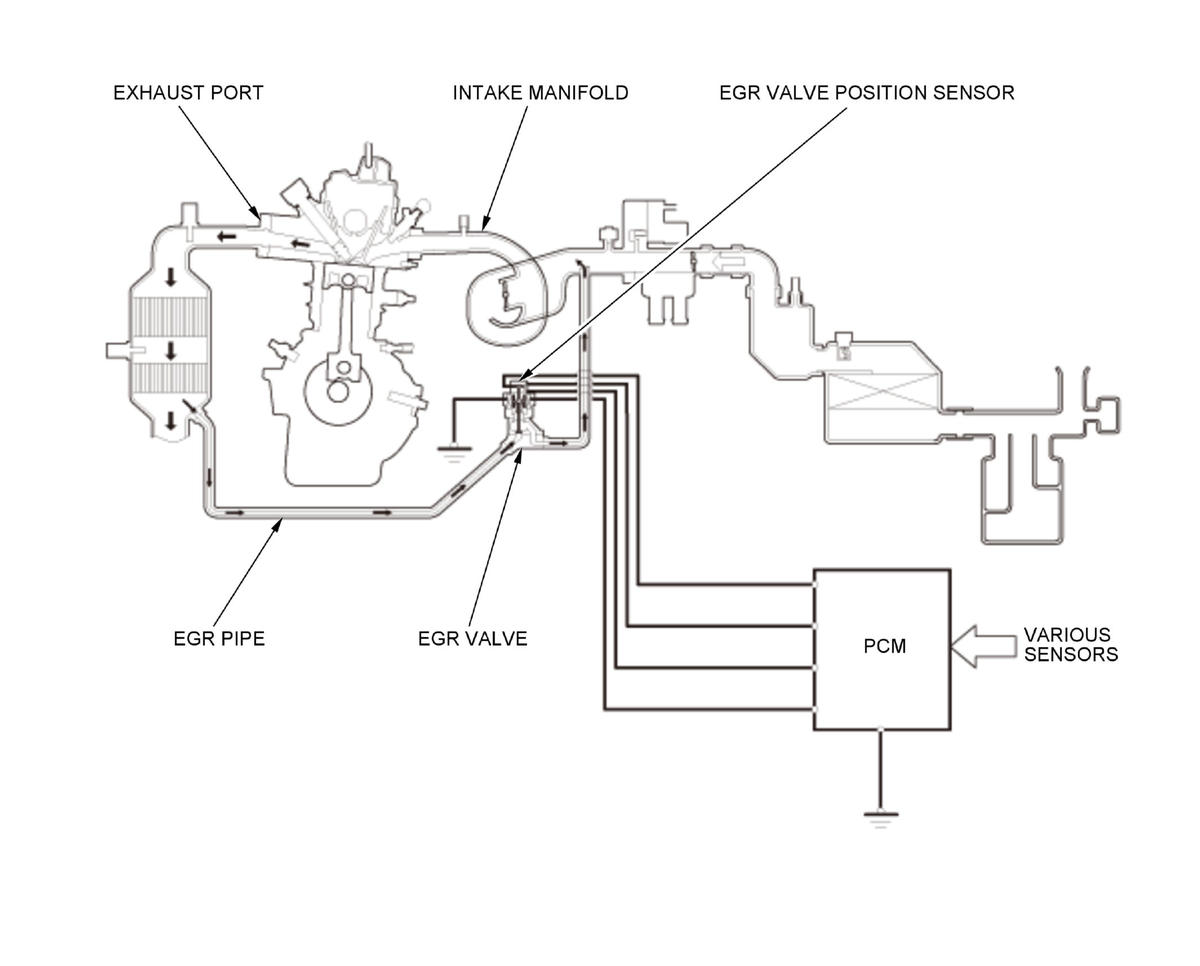
The EGR system reduces oxides of nitrogen (NOx) emissions by recirculating exhaust gas through the EGR pipe, the intake manifold, and into the combustion chambers. Routing the exhaust gas through the EGR pipe helps to prevent carbon deposits from forming in the intake manifold and the throttle body. The PCM includes the ideal EGR valve position for varying operating conditions. The EGR valve position sensor detects the amount of EGR valve lift and sends it to the PCM. The PCM then compares it with the ideal lift in its memory (based on signals sent from other sensors). If there is any difference between the two, the PCM cuts current to the EGR valve.

GHH468777Courtesy of HONDA, U.S.A., INC.

Exhaust Gas Recirculation Flow 

The exhaust gas downstream of the warm up three-way catalytic converter flows through the EGR pipe, the passage in the cylinder head, and the EGR valve.

GHH468778Courtesy of HONDA, U.S.A., INC.