LEMON Manuals: Even more car manuals for everyone: 1960-2025
Home >> Acura >> 2017 >> ILX >> Repair and Diagnosis >> Engine Performance >> Engine Control Systems >> Engine Control System / Engine Mechanical - Service, Testing And Troubleshooting (Except Hybrid) >> System Description >> PGM-FI - Components (2016 2017 2018 2019 2020 2021 2022)
April 5, 2026: LEMON Manuals is launched! Read the announcement.

PGM-FI - Components (2016 2017 2018 2019 2020 2021 2022)

GHH468798Courtesy of HONDA, U.S.A., INC.
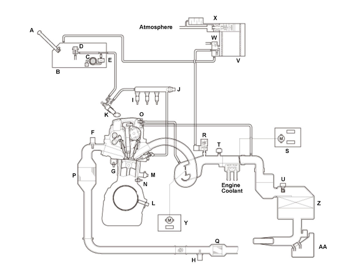
  A FUEL FILL CAP   O PCV VALVE
  B FUEL TANK   P WU-TWC
  C FUEL PUMP   Q UNDER-FLOOR TWC
  D FUEL PRESSURE REGULATOR   R EVAP CANISTER PURGE VALVE
  E FUEL FILTER   S THROTTLE BODY
  F A/F SENSOR (SENSOR 1)   T MAP SENSOR
  G ECT SENSOR 1   U MAF SENSOR/IAT SENSOR
  H SECONDARY HO2S (SENSOR 2)   V EVAP CANISTER
  I FUEL INJECTOR   W FTP SENSOR
  J FUEL RAIL PRESSURE SENSOR   X EVAP CANISTER VENT SHUT VALVE
  K HIGH PRESSURE FUEL PUMP   Y IMT ACTUATOR
  L CKP SENSOR   Z AIR CLEANER
  M KNOCK SENSOR   AA INTAKE AIR RESONATOR
  N OIL PRESSURE SWITCH