LEMON Manuals: Even more car manuals for everyone: 1960-2025
Home >> Acura >> 2017 >> MDX Base >> Repair and Diagnosis (Single Page) >> Accessories & Equipment >> Drivers Assistance Systems - ADAS >> Blind Spot & Multi View Systems - Testing & Troubleshooting (Except Hybrid) >> Circuit Diagrams >> Multi View Camera System (MVCS) Circuit Diagram (Without Auto Idle Stop System) (2016)
April 5, 2026: LEMON Manuals is launched! Read the announcement.

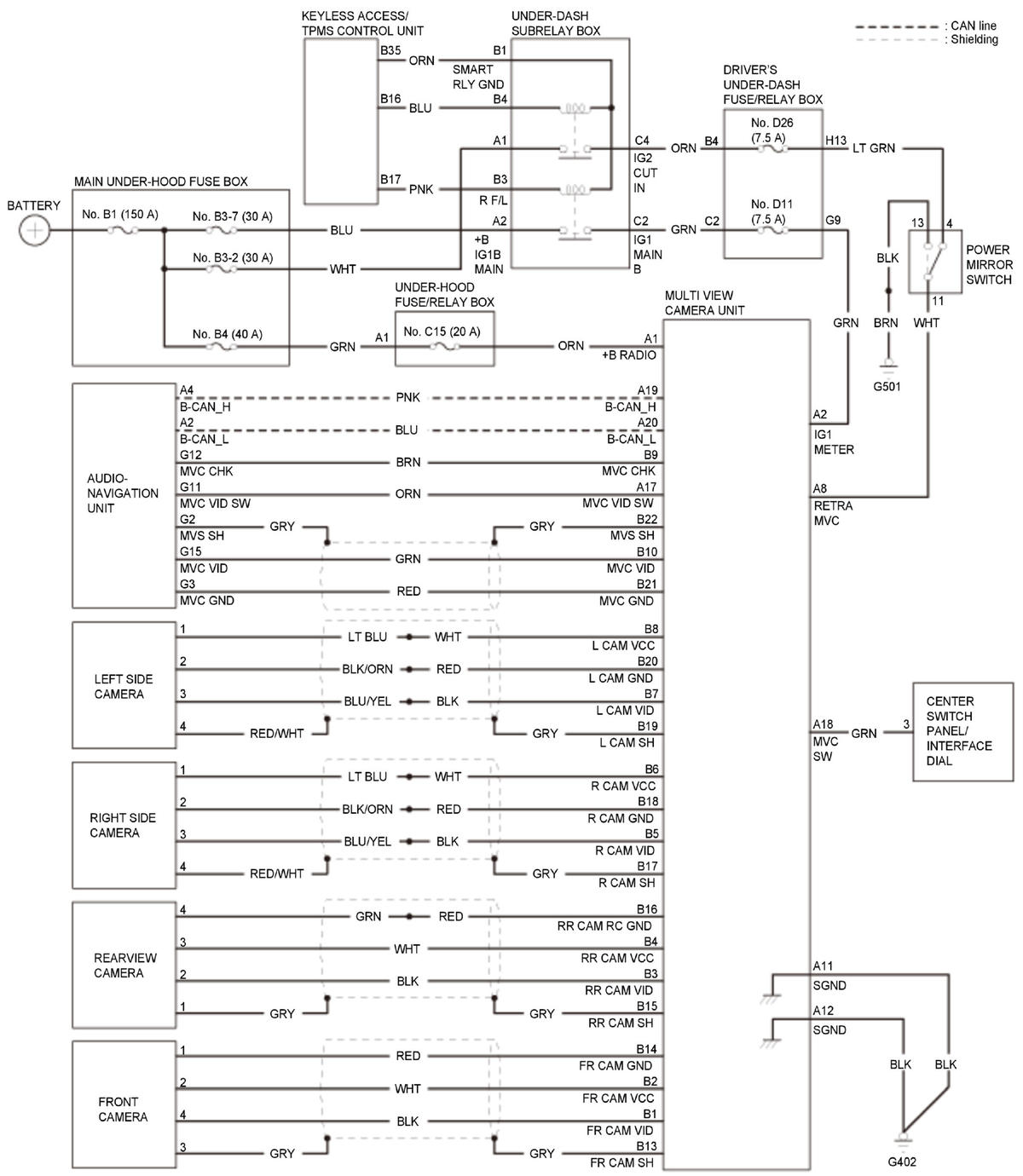
Multi View Camera System (MVCS) Circuit Diagram (Without Auto Idle Stop System) (2016)

Without Auto Idle Stop System 

GHH327403Courtesy of HONDA, U.S.A., INC.