LEMON Manuals: Even more car manuals for everyone: 1960-2025
Home >> Acura >> 2017 >> MDX Base >> Repair and Diagnosis (Single Page) >> Engine Performance >> Remove, Overhaul & Install >> Engine Control And Engine Mechanical - Service, Testing And Troubleshooting (Except Hybrid) >> Description & Operation >> EGR System Description - Overview
April 5, 2026: LEMON Manuals is launched! Read the announcement.

EGR System Description - Overview

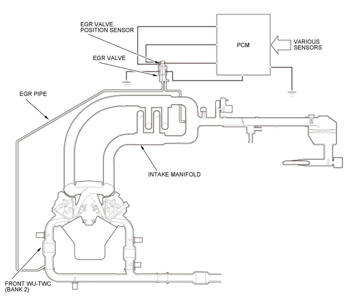
The exhaust gas recirculation (EGR) system lowers combustion temperature and reduces oxides of nitrogen (NOx) emissions. The recirculating exhaust gas routes through the EGR pipe, the intake manifold, and into the combustion chambers. Routing the exhaust gas through the EGR pipe helps to prevent carbon deposits from forming in the intake manifold and the throttle body. The powertrain control module (PCM) memory includes the ideal EGR valve position for varying operating conditions. The EGR valve position sensor detects the amount of EGR valve lift and sends it to the PCM. The PCM then compares it with the ideal lift in its memory (based on signals sent from other sensors). If there is any difference between the two, the PCM cuts power to the EGR valve.

GHH320023Courtesy of HONDA, U.S.A., INC.

Exhaust Gas Recirculation Flow 

The exhaust gas downstream of the warm up three way catalytic converter (WU-TWC) flows through the EGR pipe, the passage in the cylinder head, and the exhaust gas recirculation or EGR valve and position sensor.

GHH320024Courtesy of HONDA, U.S.A., INC.