LEMON Manuals: Even more car manuals for everyone: 1960-2025
Home >> Acura >> 2017 >> MDX Base >> Repair and Diagnosis (Single Page) >> Engine Performance >> Remove, Overhaul & Install >> Engine Control And Engine Mechanical - Service, Testing And Troubleshooting (Except Hybrid) >> Description & Operation >> EVAP System Description
April 5, 2026: LEMON Manuals is launched! Read the announcement.

EVAP System Description

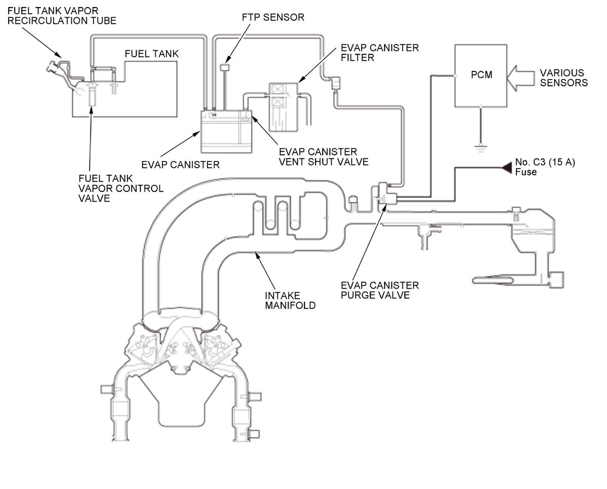
USA and Canada models 

The evaporative emission (EVAP) controls minimize the amount of fuel vapor escaping into the atmosphere. Vapor from the fuel tank is temporarily stored in the EVAP canister until it can be purged from the canister into the engine and burned. The EVAP canister is purged by drawing fresh air through it and into a port on the intake manifold. The purging vacuum is controlled by the EVAP canister purge valves.

GHH320025Courtesy of HONDA, U.S.A., INC.

When fuel tank pressure increases because of heat and fuel vapor generation, evaporated fuel vapor is sent to the EVAP canister where it is stored. When the engine coolant is hot enough, the powertrain control module (PCM) opens the EVAP canister purge valves to draw the stored fuel vapor in the EVAP canister into the intake manifold to be burned. To regulate the amount of fuel vapor drawn into the engine, the PCM varies the EVAP canister purge valves opening using duty cycle control. When the outside air or other factor cools the fuel tank inside, the tank pressure decreases. If there is a system malfunction or blockage in the vent hose, a pressure valve in the fuel filler cap opens and allows outside air to enter preventing system damage. The PCM uses the fuel tank pressure (FTP) sensor and the EVAP canister vent shut valve to check for leaks in the system. When the enabling conditions are met, the EVAP canister vent shut valve is closed, the PCM monitors for changes in the FTP sensor.

GHH320026Courtesy of HONDA, U.S.A., INC.

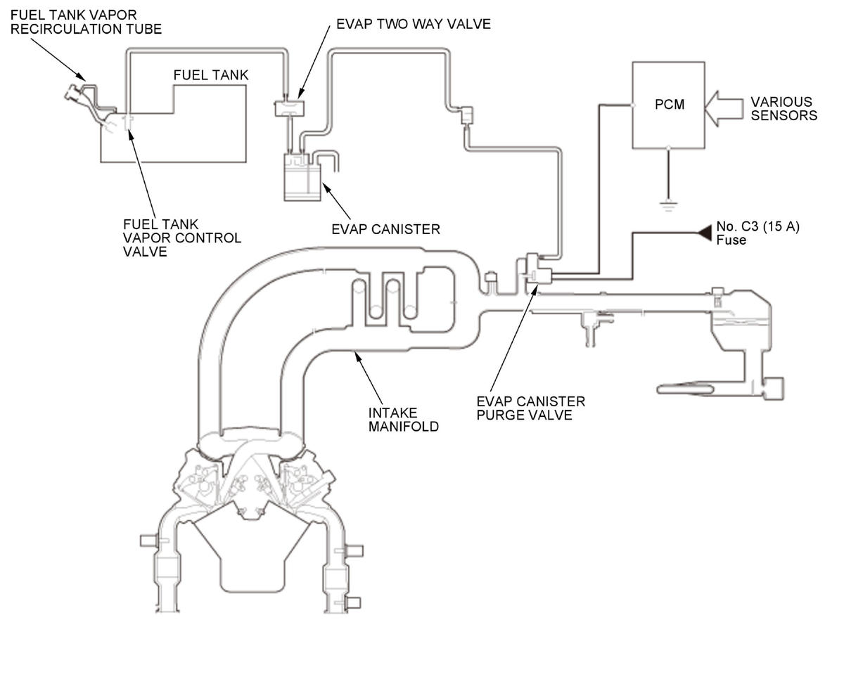
Mexico models 

The evaporative emission (EVAP) controls minimize the amount of fuel vapor escaping into the atmosphere. Vapor from the fuel tank is temporarily stored in the EVAP canister until it can be purged from the canister into the engine and burned. The EVAP canister is purged by drawing fresh air through it and into a port on the intake manifold. The purging vacuum is controlled by the EVAP canister purge valves. When vapor pressure in the fuel tank is higher than the set value of the EVAP two way valve, the valve opens and regulates the flow of fuel vapor to the EVAP canister.

GHH320027Courtesy of HONDA, U.S.A., INC.

When fuel tank pressure increases because of heat and fuel vapor generation, evaporated fuel vapor is sent to the EVAP canister where it is stored. When the engine coolant is hot enough, the powertrain control module (PCM) opens the EVAP canister purge valves to draw the stored fuel vapor in the EVAP canister into the intake manifold to be burned. To regulate the amount of fuel vapor drawn into the engine, the PCM varies the EVAP canister purge valves opening using duty cycle control.

GHH320028Courtesy of HONDA, U.S.A., INC.