LEMON Manuals: Even more car manuals for everyone: 1960-2025
Home >> Acura >> 2017 >> MDX Base >> Repair and Diagnosis >> Engine Performance >> System >> Engine Control System - Advanced Diagnostics (1 Of 3) (Except Hybrid) >> Advanced Diagnostics >> DTC P0123
April 5, 2026: LEMON Manuals is launched! Read the announcement.

DTC P0123

DTC P0123:  Throttle Position (TP) Sensor A Circuit High Voltage

General Description 

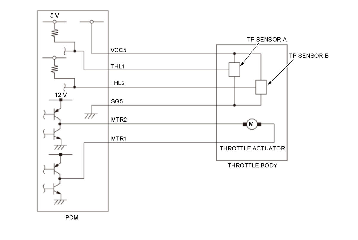
GHH318151Courtesy of HONDA, U.S.A., INC.

The electronic throttle control system controls the throttle valve opening. The system includes the throttle actuator, the throttle valve, throttle position (TP) sensors A and B, the electronic throttle control system (ETCS) control relay, the accelerator pedal position (APP) sensor, and the powertrain control module (PCM). TP sensor A is a semiconductor type, and it is attached to the throttle body and shaft to determine throttle valve position. The throttle valve position signal from TP sensor A is transmitted to the PCM for target position feedback control. If the signal from TP sensor A is a fixed value for a set time, the PCM detects a TP sensor A malfunction and stores a DTC.

Monitor Execution, Sequence, Duration, DTC Type, OBD Status 

Execution Continuous
Sequence None
Duration 200 milliseconds or more
DTC Type One drive cycle, MIL on
OBD Status PASSED/FAILED/NOT COMPLETED (STILL TESTING)

Enable Conditions 

Condition  
Ignition switch or Engine start/stop button Vehicle ON mode
No active DTCs set (prevents monitor from running) P0122, P0222, P0223, P2101, P2118, P2122, P2123, P2127, P2128, P2135, P2138, P2176

Malfunction Threshold 

The TP sensor A output voltage [TP SENSOR A] is 4.8 V or more for at least 200 milliseconds.

[ ]: HDS Parameter

Possible Cause 

NOTE: The causes shown may not be a complete list of all potential problems, and it is possible that there may be other causes.

Diagnosis Details 

Conditions for setting the DTC 

When a malfunction is detected, the MIL comes on and a Pending DTC, a Confirmed DTC, and the freeze data are stored in the PCM memory.

Conditions for clearing the DTC 

The MIL is cleared if the malfunction does not return in three consecutive trips in which the diagnostic runs. The MIL, the Pending DTC, the Confirmed DTC, and the freeze data can be cleared with the scan tool Clear command or by disconnecting the battery.