LEMON Manuals: Even more car manuals for everyone: 1960-2025
Home >> Acura >> 2017 >> MDX Base >> Repair and Diagnosis >> Engine Performance >> System >> Engine Control System - Advanced Diagnostics (2 Of 3) (Except Hybrid) >> DTC Advanced Diagnostics >> DTC P0563
April 5, 2026: LEMON Manuals is launched! Read the announcement.

DTC P0563

DTC P0563:  Powertrain Control Module (PCM) Power Source Circuit Unexpected Voltage

General Description 

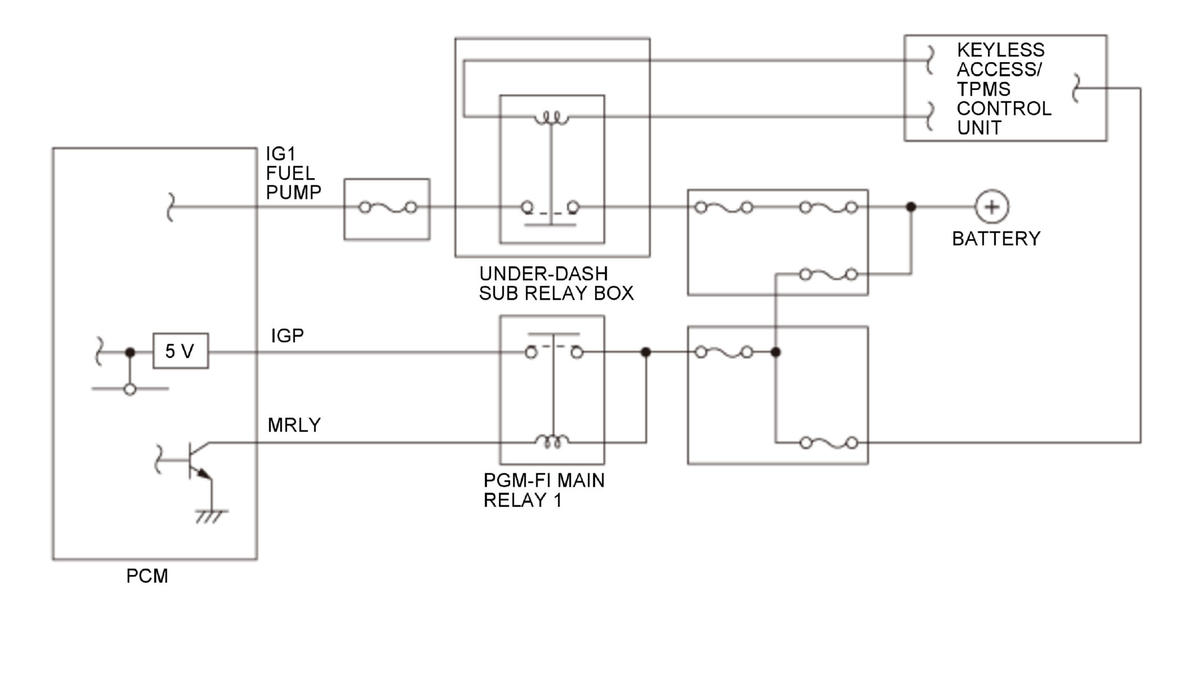
GHH318293Courtesy of HONDA, U.S.A., INC.

If there is a short to ground in the harness between the powertrain control module (PCM) and PGM-FI main relay 1, PGM-FI main relay 1 stays ON even if the vehicle is turned to the OFF (LOCK) mode, and the PCM remains active. However, the engine is not running because power for the gauges, the ignition, and the fuel pump is turned OFF by the ignition switch. When the PCM operates for a set time after the vehicle is turned to the OFF (LOCK) mode, it detects a malfunction and stores a DTC.

Monitor Execution, Sequence, Duration, DTC Type, OBD Status 

Execution Continuous
Sequence None
Duration 5 seconds or more
DTC Type Two drive cycles, MIL off
OBD Status PASSED/FAILED/NOT COMPLETED (STILL TESTING)

Enable Conditions 

Condition Minimum Maximum
Battery voltage [BATTERY] (IGP terminal of PCM) 10.0 V -

[ ]: HDS Parameter

Malfunction Threshold 

The PCM operates for at least 5 seconds after the vehicle is turned to the OFF (LOCK) mode.

Possible Cause 

NOTE:  The causes shown may not be a complete list of all potential problems, and it is possible that there may be other causes.

Diagnosis Details 

Conditions for setting the DTC 

When a malfunction is detected during the first drive cycle, a Pending DTC is stored in the PCM memory. If the malfunction returns in the next (second) drive cycle, a Confirmed DTC and the freeze data are stored. The MIL does not come on.

Conditions for clearing the DTC 

The Pending DTC, the Confirmed DTC, and the freeze data can be cleared with the scan tool Clear command or by disconnecting the battery.