LEMON Manuals: Even more car manuals for everyone: 1960-2025
Home >> Acura >> 2017 >> MDX Base >> Repair and Diagnosis >> Engine Performance >> System >> Engine Control System - Advanced Diagnostics (3 Of 3) (Except Hybrid) >> DTC Advanced Diagnostics >> DTC P2135
April 5, 2026: LEMON Manuals is launched! Read the announcement.

DTC P2135

DTC P2135:  Throttle Position (TP) Sensor A/B Incorrect Voltage Correlation

General Description 

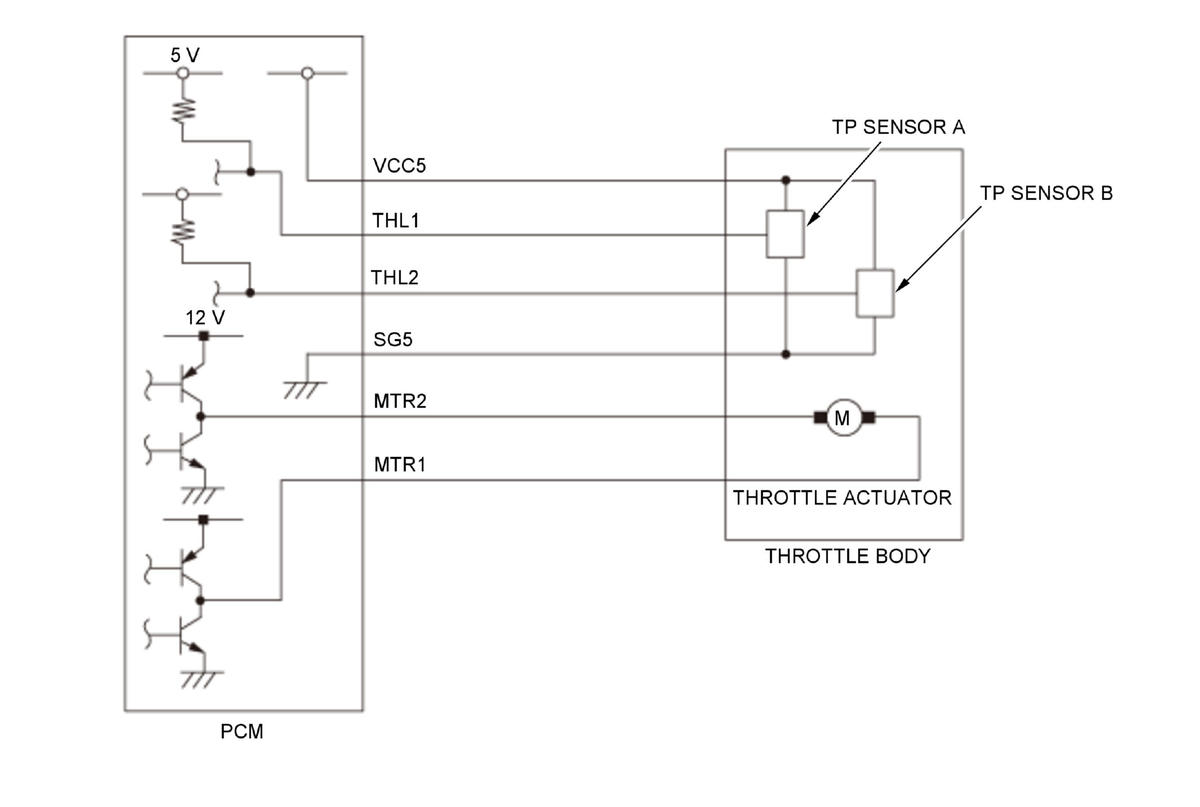
GHH318478Courtesy of HONDA, U.S.A., INC.
GHH318479Courtesy of HONDA, U.S.A., INC.

The electronic throttle control system controls the throttle valve opening. The system includes the throttle actuator, the throttle valve, throttle position (TP) sensors A and B, the electronic throttle control system (ETCS) control relay, the accelerator pedal position (APP) sensor, and the powertrain control module (PCM). When the accelerator pedal is pressed, the APP sensor detects the accelerator pedal opening value. The accelerator pedal opening value is converted to a signal in the APP sensor and transmitted to the PCM to compute the target position. The PCM then operates the throttle actuator to move the throttle valve to the target position. The actual throttle valve position is determined by TP sensor A (installed in the throttle body). The PCM compares the voltages and the throttle valve positions of TP sensor A and TP sensor B. If the difference of the throttle valve positions is a certain value for a set time, the PCM detects a malfunction in the relationship between TP sensor A and TP sensor B, and stores a DTC.

Monitor Execution, Sequence, Duration, DTC Type, OBD Status 

Execution Continuous
Sequence None
Duration 200 milliseconds or more
DTC Type One drive cycle, MIL on
OBD Status PASSED/FAILED/NOT COMPLETED (STILL TESTING)

Enable Conditions 

Condition Minimum Maximum
TP sensor B voltage
[TP SENSOR B]
- 2.3 V
Ignition switch or Engine
start/stop button
Vehicle ON mode
No active DTCs set (prevents monitor from running) P0122, P0123, P0222, P0223, P2101, P2118, P2122, P2123, P2127, P2128, P2138, P2176
Other After the throttle valve fully closed position registration is completed

[ ]: HDS Parameter

Malfunction Threshold 

The throttle valve position difference between TP sensor A and TP sensor B which depends on the throttle valve position of TP sensor A voltage exceeds the value shown in the table for at least 200 milliseconds.

Throttle valve position determined by TP sensor A Difference between TP sensor A and TP sensor B
0 ° 1.8 °
83.3 ° 14.7 °

Possible Cause 

NOTE:  The causes shown may not be a complete list of all potential problems, and it is possible that there may be other causes.

Confirmation Procedure 

Operating Condition 

Turn the vehicle to the ON mode.

With the HDS 

Do the ETCS TEST in the INSPECTION MENU with the HDS.

Diagnosis Details 

Conditions for setting the DTC 

When a malfunction is detected, the MIL comes on and a Pending DTC, a Confirmed DTC, and the freeze data are stored in the PCM memory.

Conditions for clearing the DTC 

The MIL is cleared if the malfunction does not return in three consecutive trips in which the diagnostic runs. The MIL, the Pending DTC, the Confirmed DTC, and the freeze data can be cleared with the scan tool Clear command or by disconnecting the battery.