LEMON Manuals: Even more car manuals for everyone: 1960-2025
Home >> Acura >> 2017 >> RDX AWD >> Repair and Diagnosis >> External Pages >> Different car >> Section 7 (Security System Keyless Entry System - Testing & Troubleshooting) >> Circuit Diagram >> HomeLink Remote Control System Circuit Diagram (2017-17)
April 5, 2026: LEMON Manuals is launched! Read the announcement.

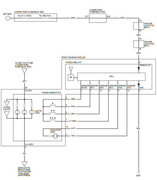
HomeLink Remote Control System Circuit Diagram (2017-17)

WARNING: This page is about a different car, the 2016 Acura RDX, 2015 Acura RDX, 2014 Acura RDX, and 2013 Acura RDX. However, it is still accessible from the selected car via links, so may be relevant.
GHH77412Courtesy of HONDA, U.S.A., INC.