LEMON Manuals: Even more car manuals for everyone: 1960-2025
Home >> Acura >> 2017 >> RLX Base >> Repair and Diagnosis (Single Page) >> Accessories & Equipment >> Communication Devices >> Multiplex Integrated Control Systems - Testing & Troubleshooting (Except Hybrid) >> Circuit Diagram >> Multiplex Integrated Control System Circuit Diagram (2014 2015)
April 5, 2026: LEMON Manuals is launched! Read the announcement.

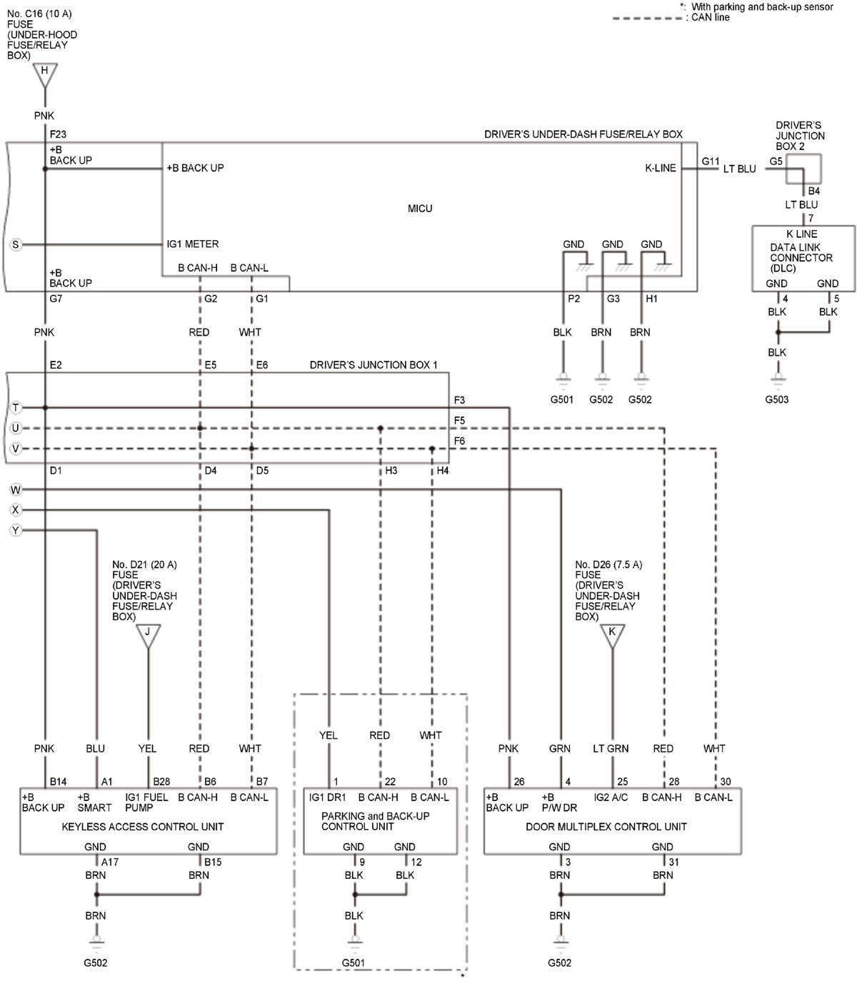
Multiplex Integrated Control System Circuit Diagram (2014 2015)

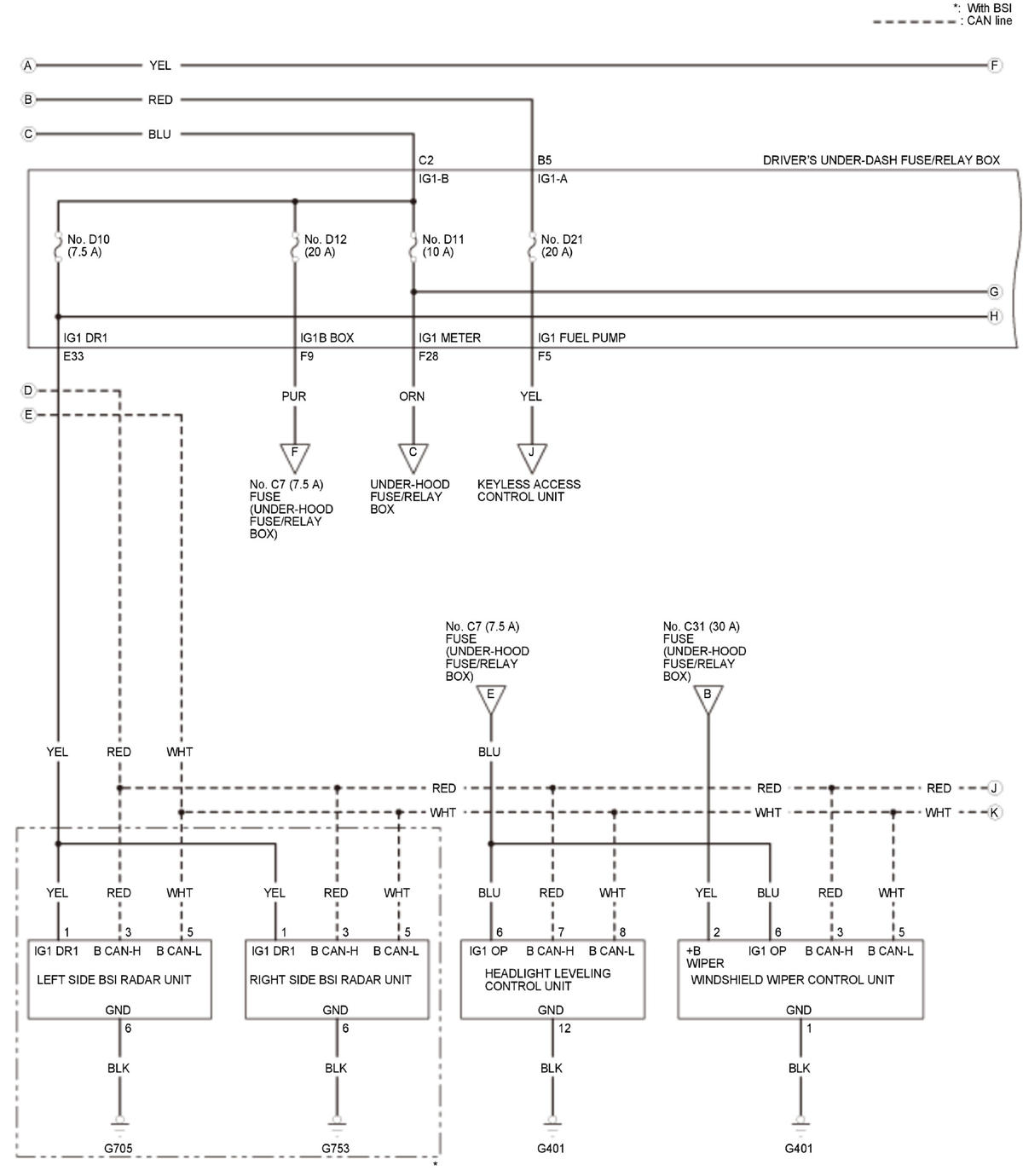
GHH348182Courtesy of HONDA, U.S.A., INC.
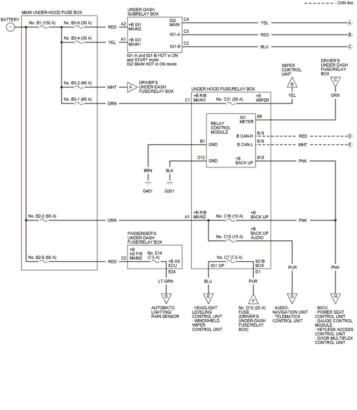
GHH348183Courtesy of HONDA, U.S.A., INC.
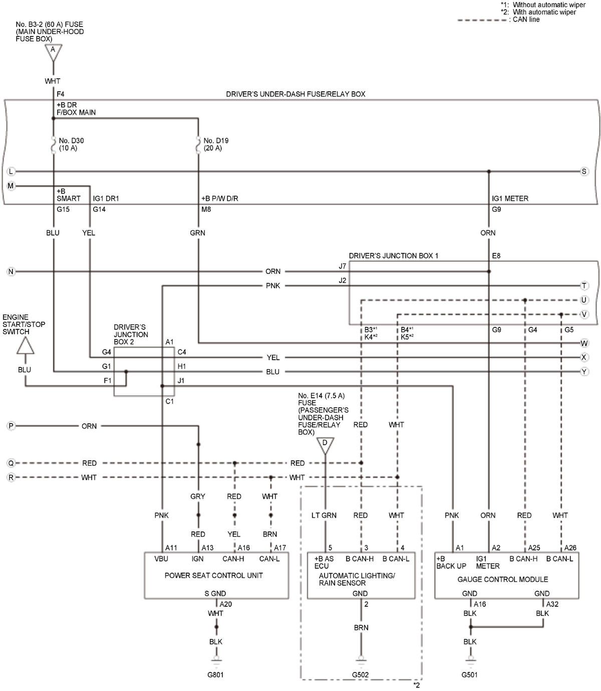
GHH348184Courtesy of HONDA, U.S.A., INC.
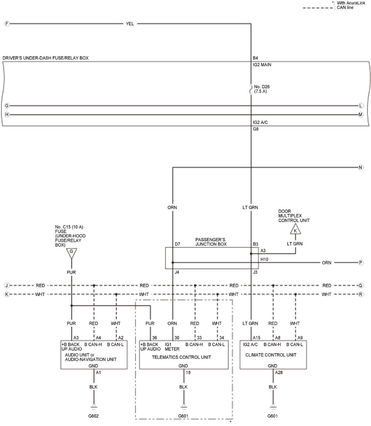
GHH348185Courtesy of HONDA, U.S.A., INC.
GHH348186Courtesy of HONDA, U.S.A., INC.