LEMON Manuals: Even more car manuals for everyone: 1960-2025
Home >> Acura >> 2017 >> RLX Base >> Repair and Diagnosis (Single Page) >> Accessories & Equipment >> Communication Devices >> Multiplex Integrated Control Systems - Testing & Troubleshooting (Except Hybrid) >> Circuit Diagram >> Multiplex Integrated Control System Circuit Diagram (2018 2019 2020)
April 5, 2026: LEMON Manuals is launched! Read the announcement.

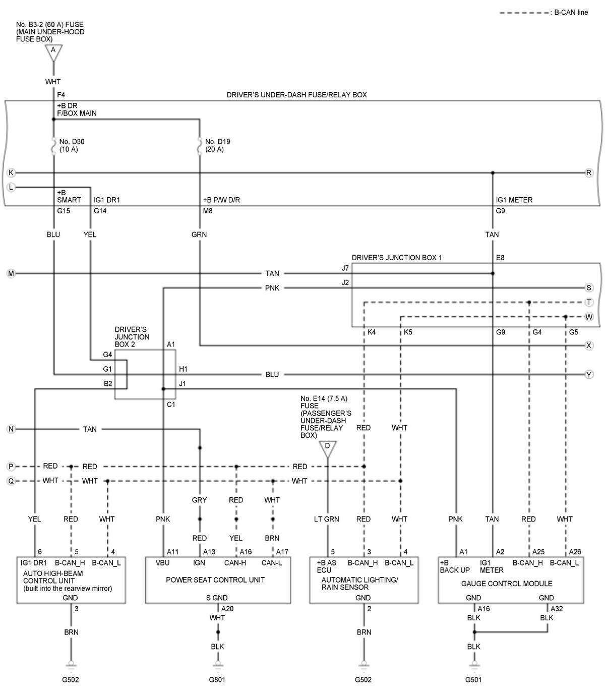
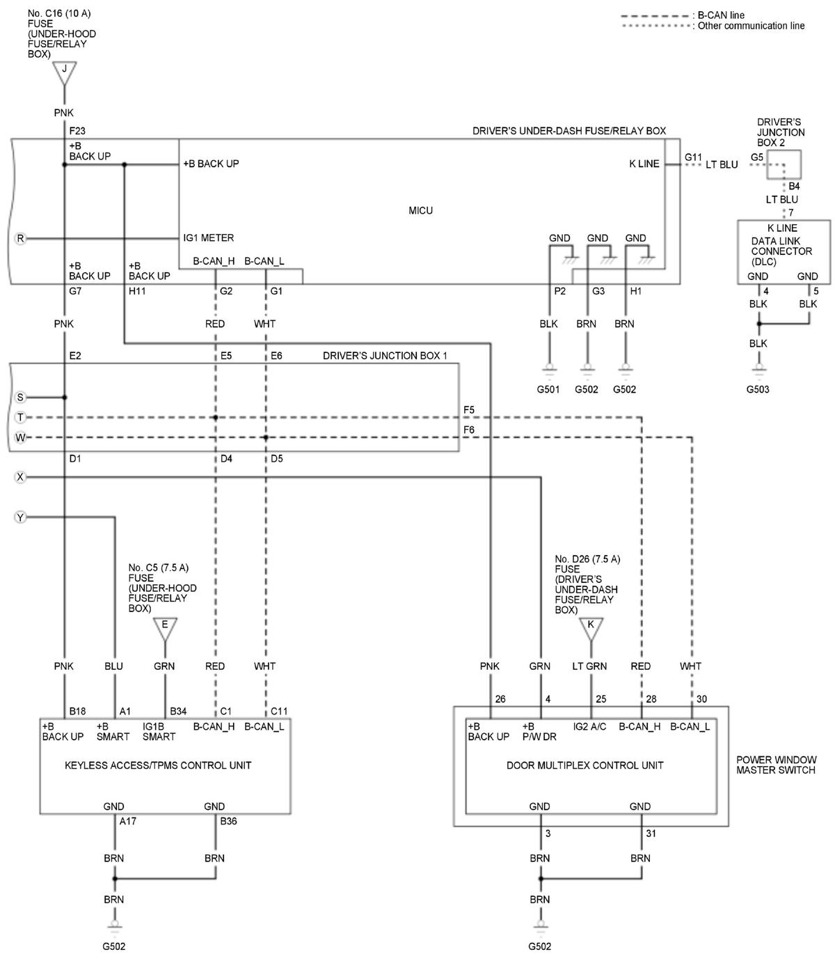
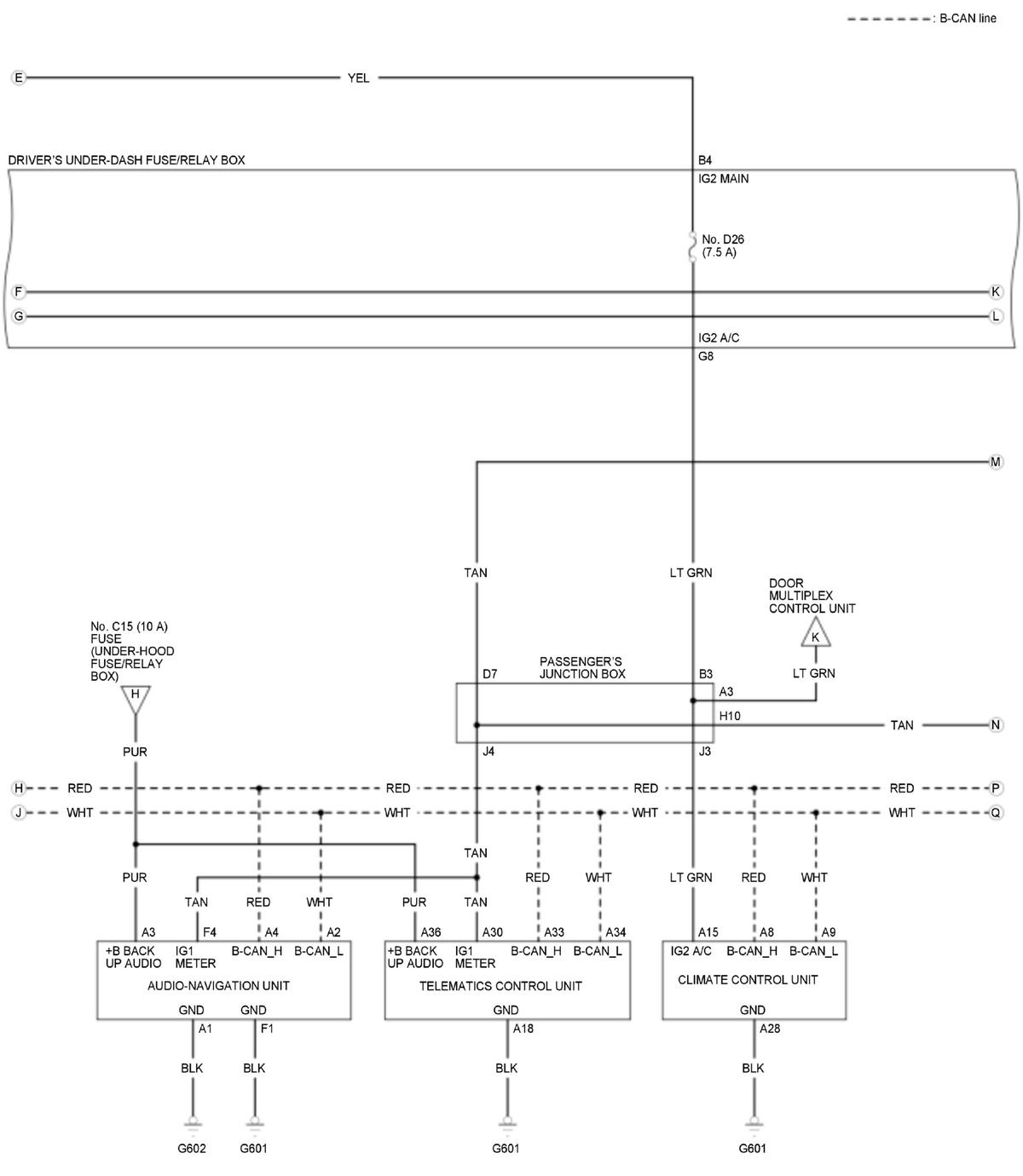
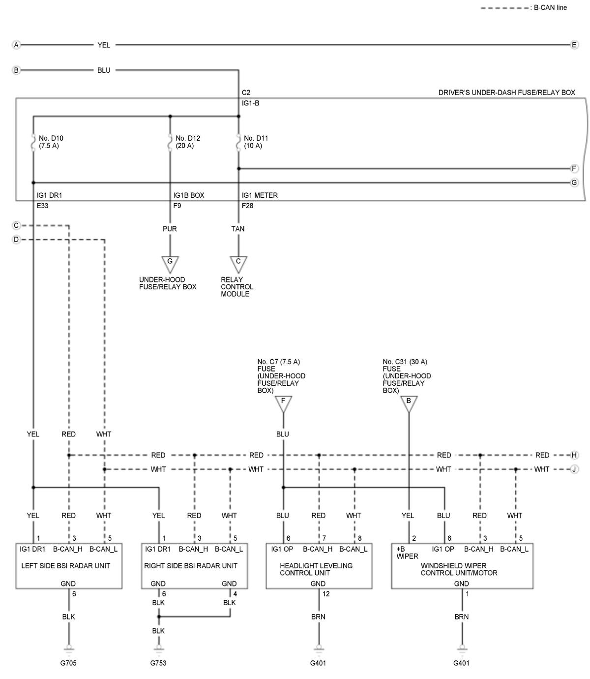
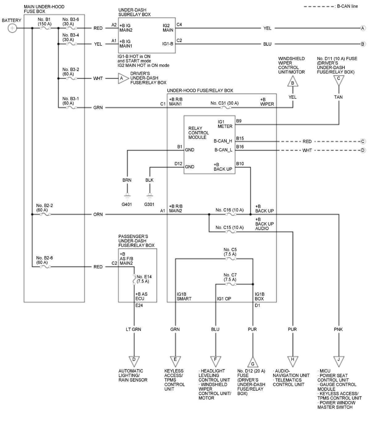
Multiplex Integrated Control System Circuit Diagram (2018 2019 2020)

GHH348192Courtesy of HONDA, U.S.A., INC.
GHH348193Courtesy of HONDA, U.S.A., INC.
GHH348194Courtesy of HONDA, U.S.A., INC.
GHH348195Courtesy of HONDA, U.S.A., INC.
GHH348196Courtesy of HONDA, U.S.A., INC.