LEMON Manuals: Even more car manuals for everyone: 1960-2025
Home >> Acura >> 2017 >> RLX Base >> Repair and Diagnosis (Single Page) >> Accessories & Equipment >> Drivers Assistance Systems - ADAS >> Blind Spot / Sight Support - Testing & Troubleshooting (Except Hybrid) >> Circuit Diagram >> Multi View Camera System (MVCS) Circuit Diagram
April 5, 2026: LEMON Manuals is launched! Read the announcement.

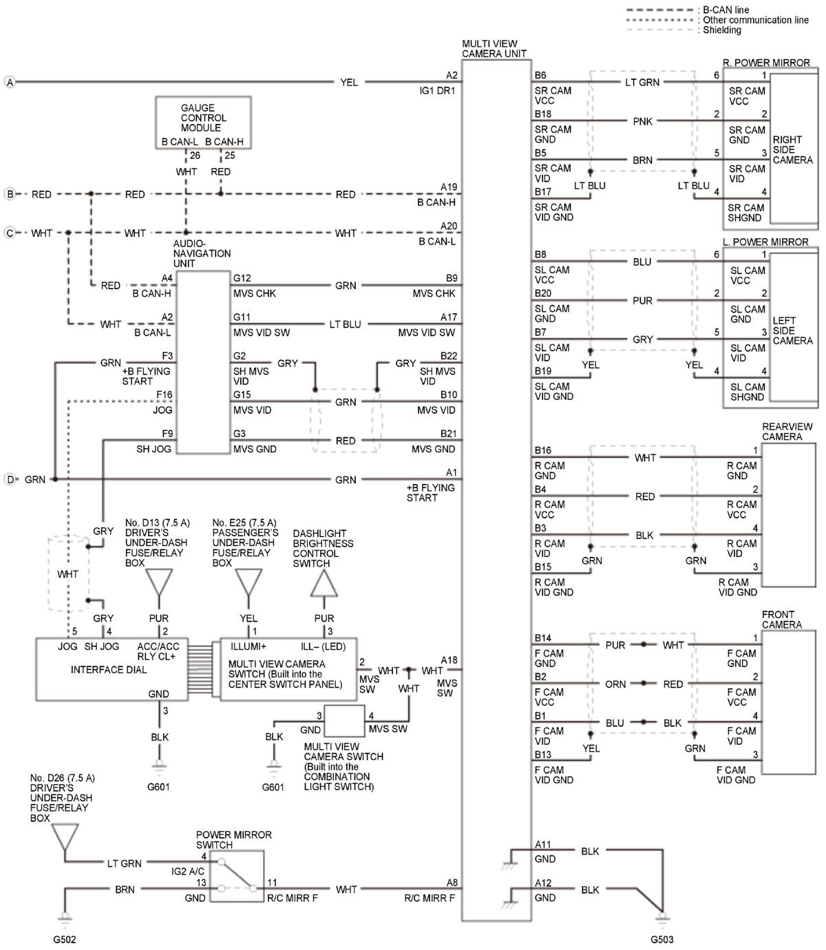
Multi View Camera System (MVCS) Circuit Diagram

GHH351144Courtesy of HONDA, U.S.A., INC.
GHH351145Courtesy of HONDA, U.S.A., INC.