LEMON Manuals: Even more car manuals for everyone: 1960-2025
Home >> Acura >> 2017 >> RLX Base >> Repair and Diagnosis >> Engine Performance >> System >> Engine Control System - Advanced Diagnostics (1 Of 3) (Except Hybrid) >> Advanced Diagnostics >> DTC P0221
April 5, 2026: LEMON Manuals is launched! Read the announcement.

DTC P0221

DTC P0221:  Throttle Position (TP) Sensor B Out of Range

General Description 

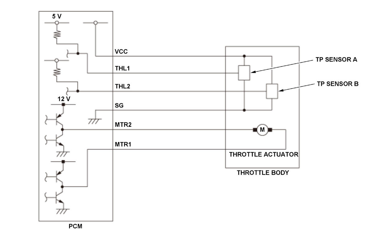
GHH343905Courtesy of HONDA, U.S.A., INC.

The electronic throttle control system controls the throttle valve opening. The system includes the throttle actuator, the throttle valve, throttle position (TP) sensors A and B, the electronic throttle control system (ETCS) control relay, the accelerator pedal position (APP) sensor, and the powertrain control module (PCM). TP sensor B is a semiconductor type, and it is attached to the throttle body and shaft to determine throttle valve position. The throttle valve position signal from TP sensor B is transmitted to the PCM for target position feedback control. If the signal from TP sensor B is a fixed value for a set time, the PCM detects a TP sensor B malfunction and stores a DTC.

Monitor Execution, Sequence, Duration, DTC Type 

Execution Continuous
Sequence None
Duration 6 seconds or more
DTC Type Two drive cycles, MIL on

Enable Conditions 

Condition  
Engine start/stop button ON mode

Malfunction Threshold 

The TP sensor B output voltage [TP SENSOR B] is 1.28 V or less, or 4.71 V or more for at least 6 seconds.

[ ]: HDS Parameter

Possible Cause 

NOTE: The causes shown may not be a complete list of all potential problems, and it is possible that there may be other causes.

Diagnosis Details 

Conditions for setting the DTC 

When a malfunction is detected during the first drive cycle, a Pending DTC is stored in the PCM memory. If the malfunction returns in the next (second) drive cycle, the MIL comes on and a Confirmed DTC and the freeze data are stored.

Conditions for clearing the DTC 

The MIL is cleared if the malfunction does not return in three consecutive trips in which the diagnostic runs. The MIL, the Pending DTC, the Confirmed DTC, and the freeze data can be cleared with the scan tool Clear command or by disconnecting the battery.