LEMON Manuals: Even more car manuals for everyone: 1960-2025
Home >> Acura >> 2017 >> RLX Base >> Repair and Diagnosis >> Engine Performance >> System >> Engine Control System - Advanced Diagnostics (2 Of 3) (Except Hybrid) >> Advanced Diagnostics >> DTC P0507
April 5, 2026: LEMON Manuals is launched! Read the announcement.

DTC P0507

DTC P0507:  Idle Control System RPM Higher Than Expected

General Description 

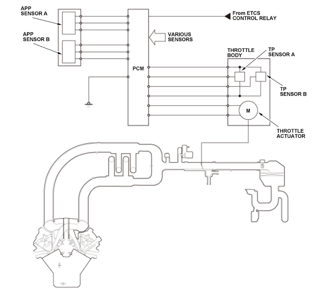
GHH344011Courtesy of HONDA, U.S.A., INC.
GHH344012Courtesy of HONDA, U.S.A., INC.

A target idle speed that meets the engine operating conditions (coolant temperature, A/C ON or OFF, etc.) is stored in the powertrain control module (PCM). The PCM monitors and controls the idle speed so that the actual idle speed is equal to the target idle speed. If the actual idle speed varies beyond a specified value from the target speed over a certain period of time, the PCM detects a malfunction in the idle speed control system and stores a DTC.

Monitor Execution, Sequence, Duration, DTC Type, OBD Status 

Execution Once per driving cycle
Sequence None
Duration 20 seconds or more
DTC Type Two drive cycles, MIL on
OBD Status PASSED/FAILED/EXECUTING/OUT OF (TEST) CONDITION

Enable Conditions 

Condition Minimum Maximum
Engine coolant temperature [ECT SENSOR 1] 156 deg.F (69 deg.C) -
Intake air temperature [IAT SENSOR (2)] 19 deg.F (-7 deg.C) -
Battery voltage [BATTERY] 10.5 V -
Fuel trim 0.73 1.47
Throttle position Fully closed
Fuel feedback Closed loop
No active DTCs set (prevents monitor from running)*1 P0087, P0088, P0107, P0108, P0112, P0113, P0117, P0118, P0122, P0123, P0171, P0172, P0174, P0175, P0192, P0193, P0222, P0223, P0300, P0301, P0302, P0303, P0304, P0305, P0306, P0351, P0352, P0353, P0354, P0355, P0356, P0401, P0404, P0443, P0496, P0497, P0627, P064A, P0722, P1109, P1128, P1129, P145C, P2101, P2118, P2122, P2123, P2127, P2128, P2135, P2138, P2176, P2227, P2228, P2229, P2413, P2646, P2647, P2648, P2649, P2652, P2654, P2656, P2657, P2658, P2659
No active DTCs set (prevents monitor from running)*2 P0069, P0087, P0088, P0107, P0108, P0112, P0113, P0117, P0118, P0122, P0123, P0171, P0172, P0174, P0175, P0192, P0193, P0222, P0223, P0300, P0301, P0302, P0303, P0304, P0305, P0306, P0351, P0352, P0353, P0354, P0355, P0356, P0401, P0404, P0441, P0443, P0496, P0497, P060A, P0627, P064A, P0722, P1109, P1659, P2073, P2074, P2101, P2118, P2135, P2176, P2228, P2229, P2413, P2646, P2647, P2648, P2649, P2652, P2654, P2656, P2657, P2658, P2659
No active DTCs set (prevents monitor from running)*3 P0069, P0087, P0088, P0107, P0108, P0112, P0113, P0117, P0118, P0122, P0123, P0171, P0172, P0174, P0175, P0192, P0193, P0222, P0223, P0300, P0301, P0302, P0303, P0304, P0305, P0306, P0351, P0352, P0353, P0354, P0355, P0356, P0401, P0404, P0441, P0443, P04DF, P04F1, P060A, P0627, P064A, P0722, P1109, P1659, P2073, P2074, P2101, P2118, P2135, P2176, P2228, P2229, P2413, P2646, P2647, P2648, P2649, P2652, P2654, P2656, P2657, P2658, P2659
Other The engine is under no load

*1: 2014 - 2015 models

*2: 2016 model

*3: 2017 model on and after

[ ]: HDS Parameter

Malfunction Threshold 

The actual idle speed is 200 RPM greater than the target idle speed for at least 20 seconds.

Possible Cause 

NOTE:  The causes shown may not be a complete list of all potential problems, and it is possible that there may be other causes.

Confirmation Procedure 

Operating Condition 

With the HDS 

None.

Diagnosis Details 

Conditions for setting the DTC 

When a malfunction is detected during the first drive cycle, a Pending DTC is stored in the PCM memory. If the malfunction returns in the next (second) drive cycle, the MIL comes on and a Confirmed DTC and the freeze data are stored.

Conditions for clearing the DTC 

The MIL is cleared if the malfunction does not return in three consecutive trips in which the diagnostic runs. The MIL, the Pending DTC, the Confirmed DTC, and the freeze data can be cleared with the scan tool Clear command or by disconnecting the battery.