LEMON Manuals: Even more car manuals for everyone: 1960-2025
Home >> Acura >> 2017 >> TLX SH-AWD >> Repair and Diagnosis (Single Page) >> Accessories & Equipment >> Anti-Theft Systems >> Security System Keyless Entry System - Testing & Troubleshooting >> Circuit Diagram >> Keyless/Power Door Locks/Security System Circuit Diagram (With SH-AWD) (2015-17)
April 5, 2026: LEMON Manuals is launched! Read the announcement.

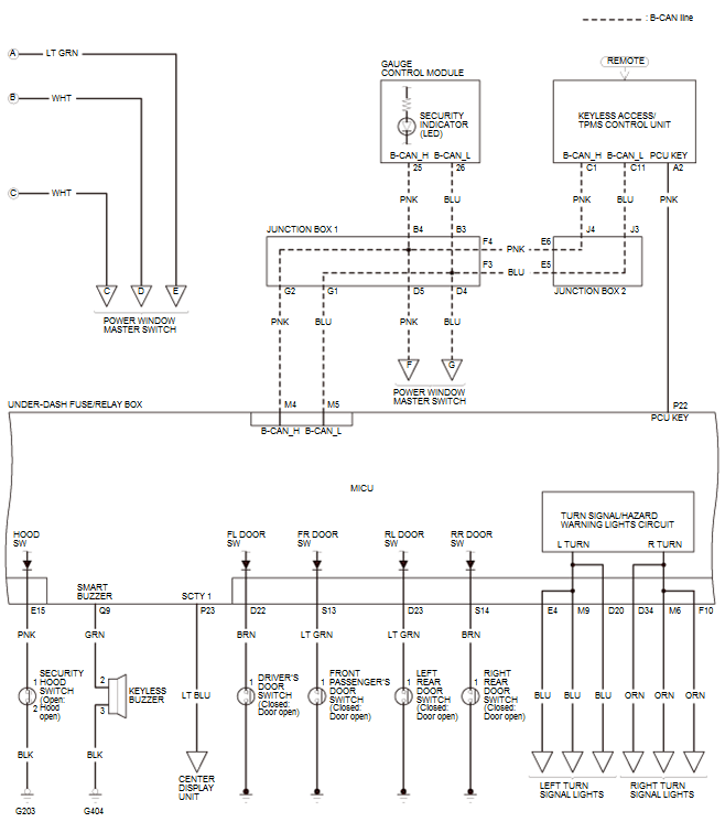
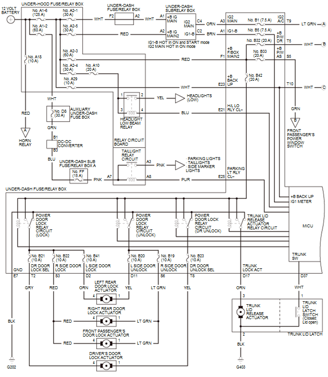
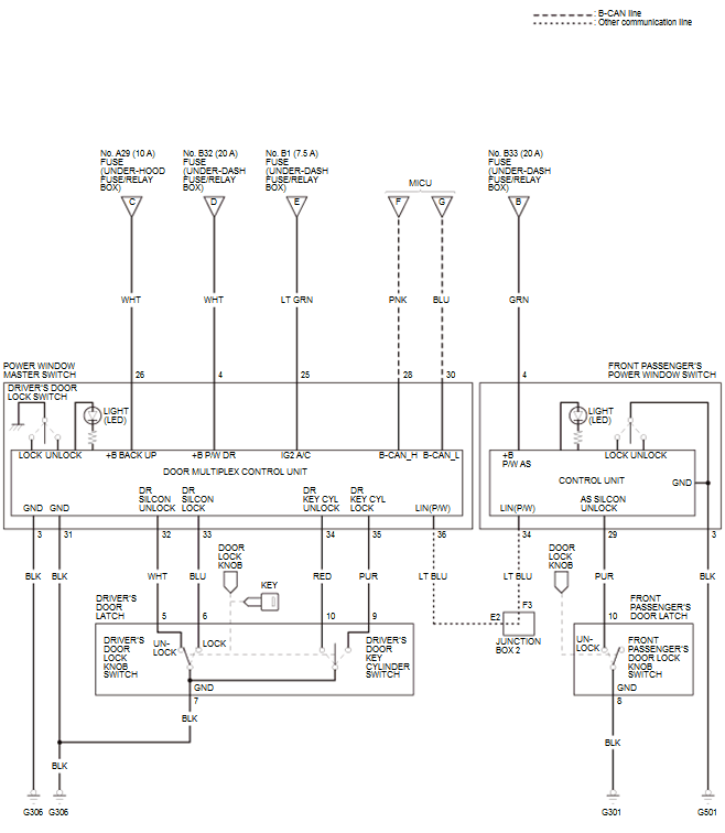
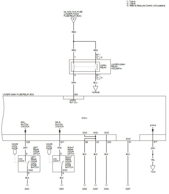
Keyless/Power Door Locks/Security System Circuit Diagram (With SH-AWD) (2015-17)

GHH203666Courtesy of HONDA, U.S.A., INC.
GHH203667Courtesy of HONDA, U.S.A., INC.
GHH203668Courtesy of HONDA, U.S.A., INC.
GHH203669Courtesy of HONDA, U.S.A., INC.