LEMON Manuals: Even more car manuals for everyone: 1960-2025
Home >> Acura >> 2017 >> TLX SH-AWD >> Repair and Diagnosis (Single Page) >> Accessories & Equipment >> Communication Devices >> Integrated Control Systems - Testing & Troubleshooting >> Circuit Diagram >> Driving Position Memory System (DPMS) Circuit Diagram (With SH-AWD) (2015-17)
April 5, 2026: LEMON Manuals is launched! Read the announcement.

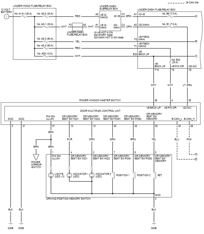
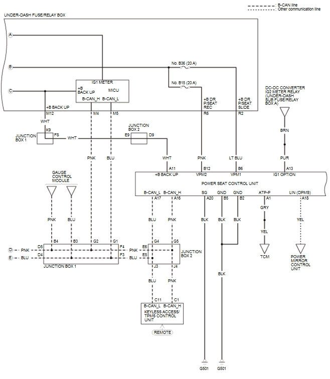
Driving Position Memory System (DPMS) Circuit Diagram (With SH-AWD) (2015-17)

Driver's Power Seat 

GHH162584Courtesy of HONDA, U.S.A., INC.
GHH162585Courtesy of HONDA, U.S.A., INC.
GHH162586Courtesy of HONDA, U.S.A., INC.

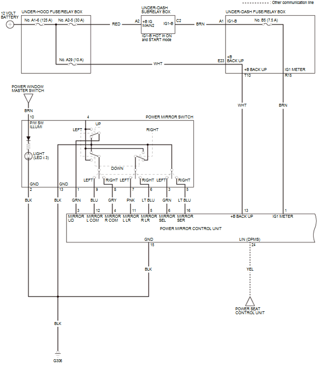
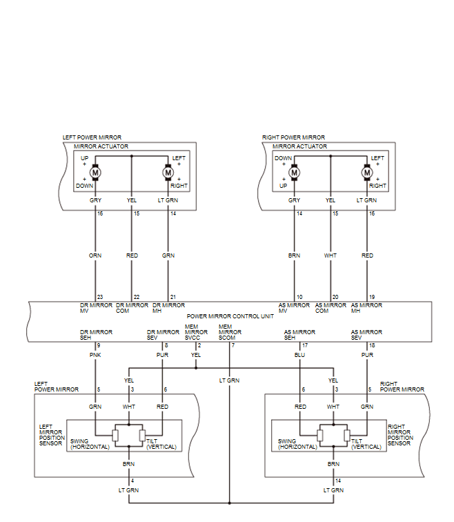
Power Mirror 

GHH162587Courtesy of HONDA, U.S.A., INC.
GHH162588Courtesy of HONDA, U.S.A., INC.