LEMON Manuals: Even more car manuals for everyone: 1960-2025
Home >> Acura >> 2017 >> TLX SH-AWD >> Repair and Diagnosis (Single Page) >> Accessories & Equipment >> Communication Devices >> Integrated Control Systems - Testing & Troubleshooting >> Circuit Diagram >> Driving Position Memory System (DPMS) Circuit Diagram (With SH-AWD) (2018-19)
April 5, 2026: LEMON Manuals is launched! Read the announcement.

Driving Position Memory System (DPMS) Circuit Diagram (With SH-AWD) (2018-19)

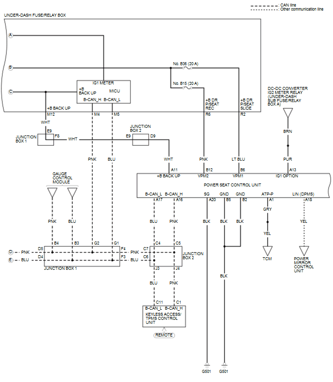
Driver's Power Seat 

GHH201878Courtesy of HONDA, U.S.A., INC.
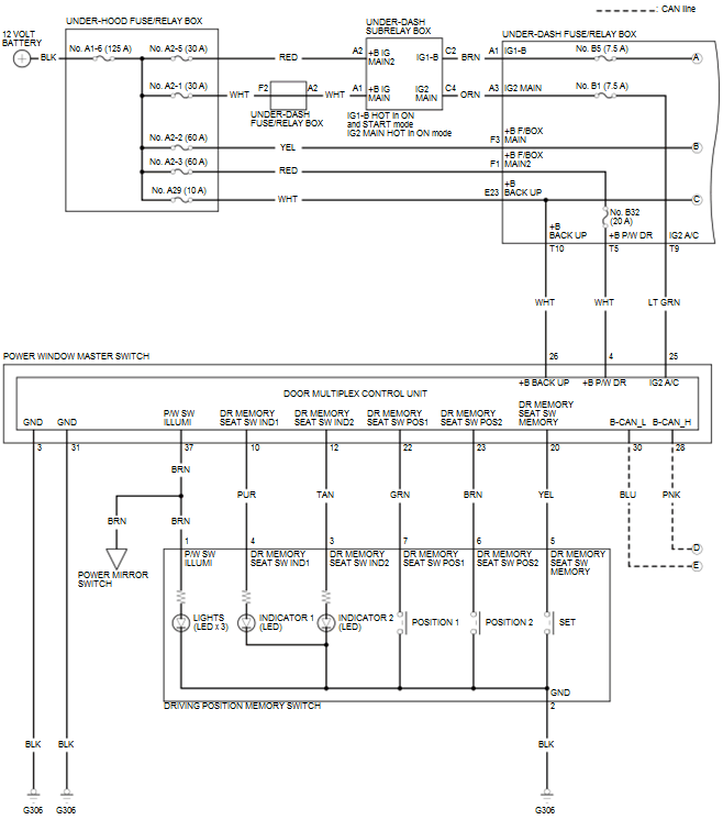
GHH201879Courtesy of HONDA, U.S.A., INC.
GHH201880Courtesy of HONDA, U.S.A., INC.

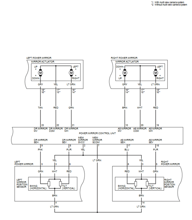
Power Mirror 

GHH201881Courtesy of HONDA, U.S.A., INC.
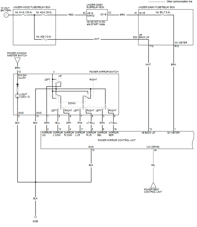
GHH201882Courtesy of HONDA, U.S.A., INC.