LEMON Manuals: Even more car manuals for everyone: 1960-2025
Home >> Acura >> 2017 >> TLX SH-AWD >> Repair and Diagnosis (Single Page) >> Electrical >> Body Electrical >> Electrical System - Testing & Troubleshooting >> Relay Box Locations And Control Unit Locations >> Relay Box Locations And Control Unit Locations (With SH-AWD) >> Dashboard
April 5, 2026: LEMON Manuals is launched! Read the announcement.

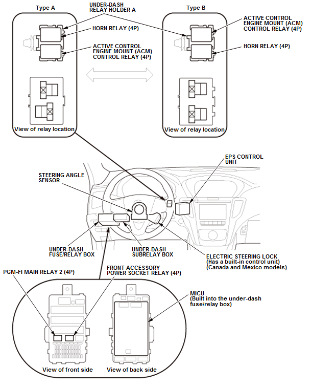
Relay Box Locations And Control Unit Locations (With SH-AWD): Dashboard

GHH197423Courtesy of HONDA, U.S.A., INC.
GHH197424Courtesy of HONDA, U.S.A., INC.
GHH197425Courtesy of HONDA, U.S.A., INC.
GHH197426Courtesy of HONDA, U.S.A., INC.
GHH197427Courtesy of HONDA, U.S.A., INC.