LEMON Manuals: Even more car manuals for everyone: 1960-2025
Home >> Acura >> 2017 >> TLX SH-AWD >> Repair and Diagnosis (Single Page) >> Transmission >> Automatic Trans >> Automatic Transaxle - Diagnostic Tests & Advanced Diagnostics >> DTC Advanced Diagnostics >> DTC P26C3: Internal Control Module Transmission Range Sensor Performance (A/T)
April 5, 2026: LEMON Manuals is launched! Read the announcement.

DTC P26C3: Internal Control Module Transmission Range Sensor Performance (A/T)

General Description 

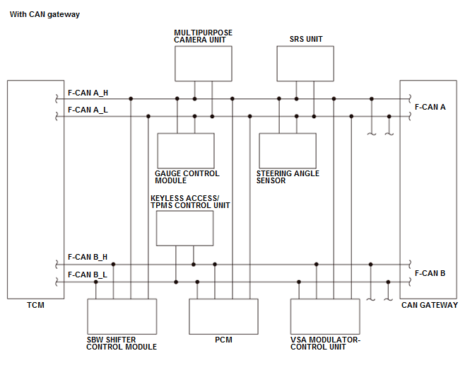
GHH157562Courtesy of HONDA, U.S.A., INC.
GHH157563Courtesy of HONDA, U.S.A., INC.

The transmission control module (TCM) and the SBW shifter control module (integrated with the SBW shifter assembly) are connected with communication line (F-CAN A and F-CAN B). For shift position switching control, the shift position signal from the SBW shifter control module via F-CAN B is used for main signal, and the shift position signal from the SBW shifter control module via F-CAN A is used for back-up signal. If the TCM receives following signal for a specified duration, the TCM detects a malfunction and stores a DTC.

Monitor Execution, Sequence, Duration, DTC Type 

Execution Continuous
Sequence None
Duration 1 second or more
DTC Type One drive cycle, MIL off, A/T gear position indicator blinks

Enable Conditions 

Condition Minimum Maximum
12 volt battery voltage [Battery Voltage] 9 V 16 V
Vehicle ON mode

[ ]: HDS Parameter

Malfunction Threshold 

Either of the conditions is met for at least 1 second:

Possible Cause 

NOTE:  The causes shown may not be a complete list of all potential problems, and it is possible that there may be other causes.

Diagnosis Details 

Conditions for setting the DTC 

When a malfunction is detected, the A/T gear position indicator blinks and a Pending DTC, a Confirmed DTC, and the freeze data are stored in the TCM memory. The MIL does not come on.

Conditions for clearing the DTC 

The A/T gear position indicator comes off by turning the vehicle to the OFF (LOCK) mode. The Pending DTC, the Confirmed DTC, and the freeze data can be cleared with the scan tool Clear command.