LEMON Manuals: Even more car manuals for everyone: 1960-2025
Home >> Acura >> 2018 >> RLX Base >> Repair and Diagnosis (Single Page) >> Accessories & Equipment >> Communication Devices >> Multiplex Integrated Control Systems - Testing & Troubleshooting (Except Hybrid) >> Circuit Diagram >> Driving Position Memory System (DPMS) Circuit Diagram (2014 2015)
April 5, 2026: LEMON Manuals is launched! Read the announcement.

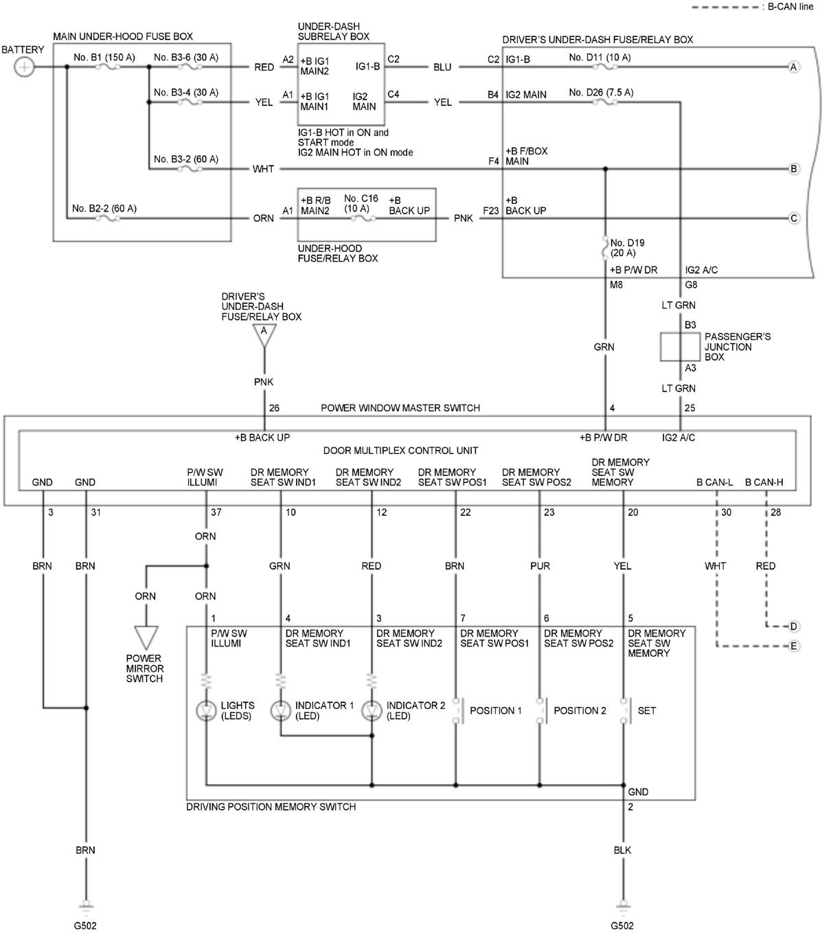
Driving Position Memory System (DPMS) Circuit Diagram (2014 2015)

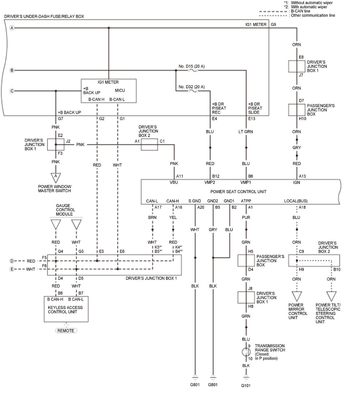
Driver's Power Seat 

GHH348163Courtesy of HONDA, U.S.A., INC.
GHH348164Courtesy of HONDA, U.S.A., INC.
GHH348165Courtesy of HONDA, U.S.A., INC.
GHH348166Courtesy of HONDA, U.S.A., INC.

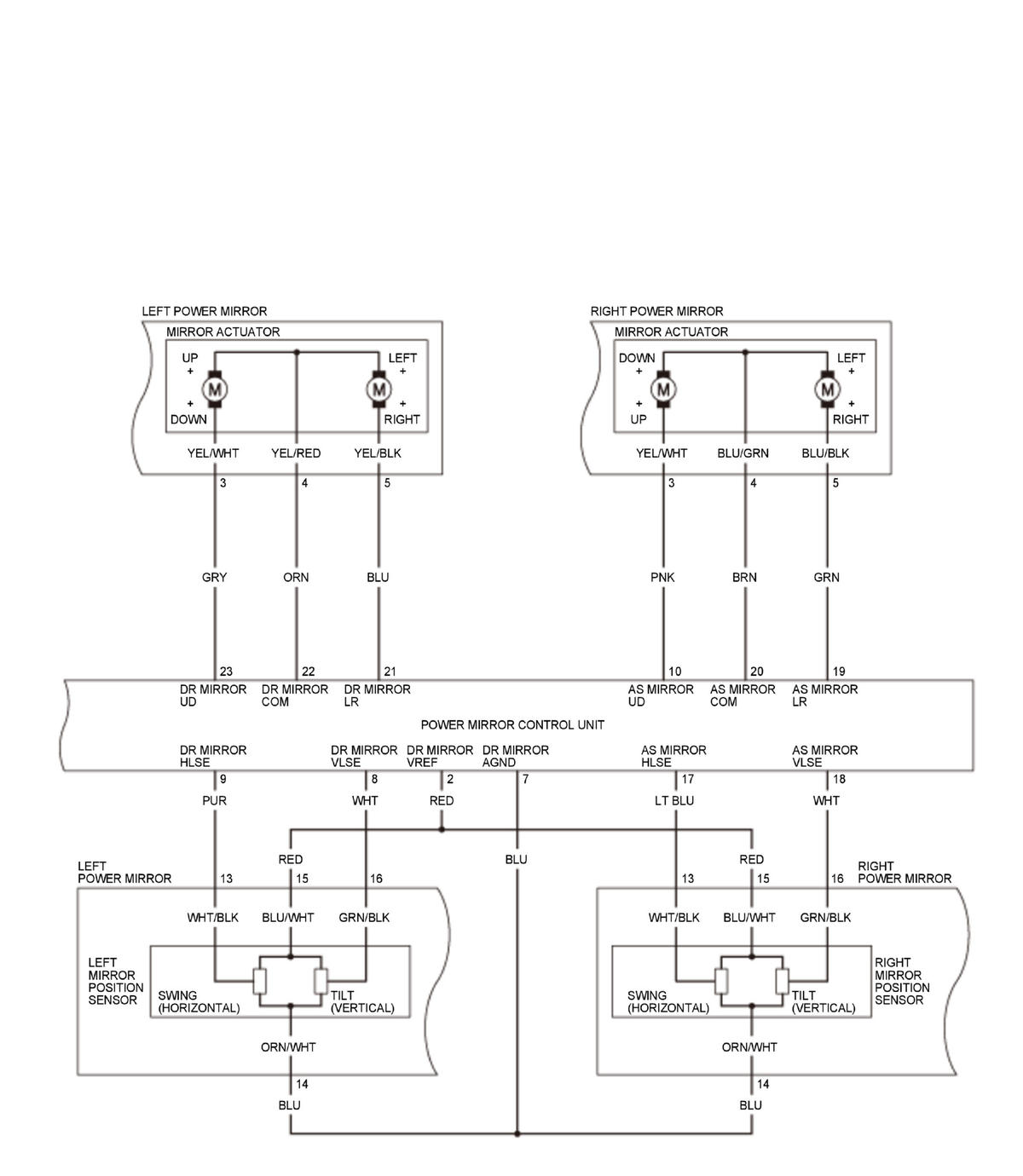
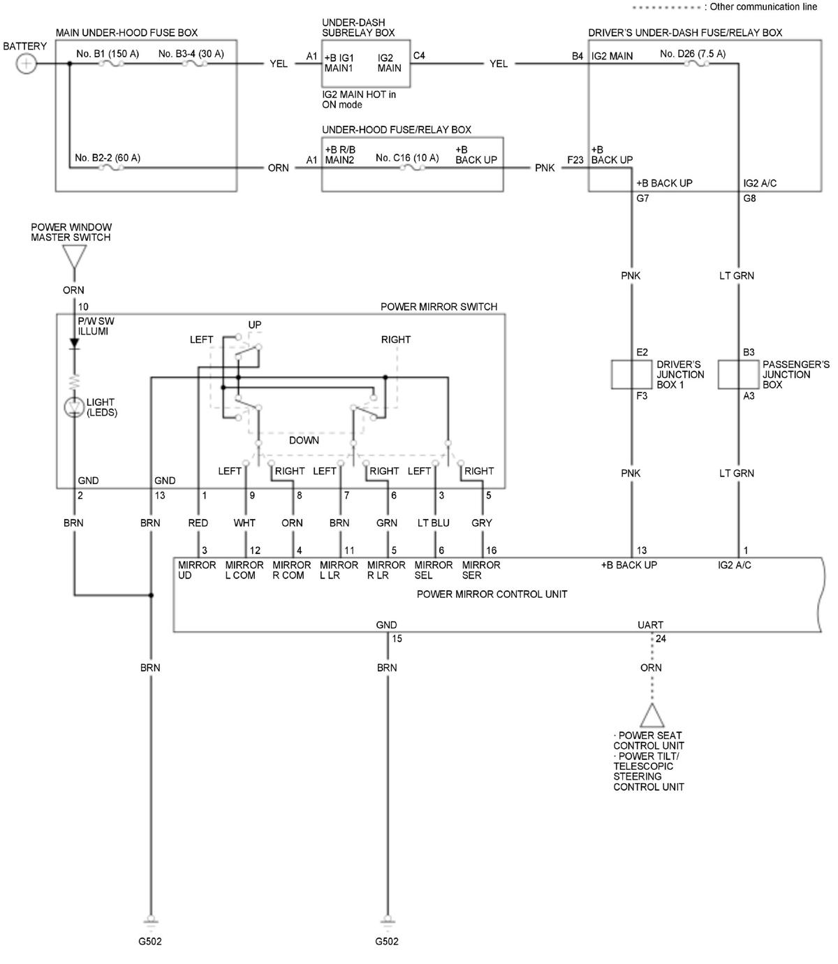
Power Mirror 

GHH348167Courtesy of HONDA, U.S.A., INC.
GHH348168Courtesy of HONDA, U.S.A., INC.

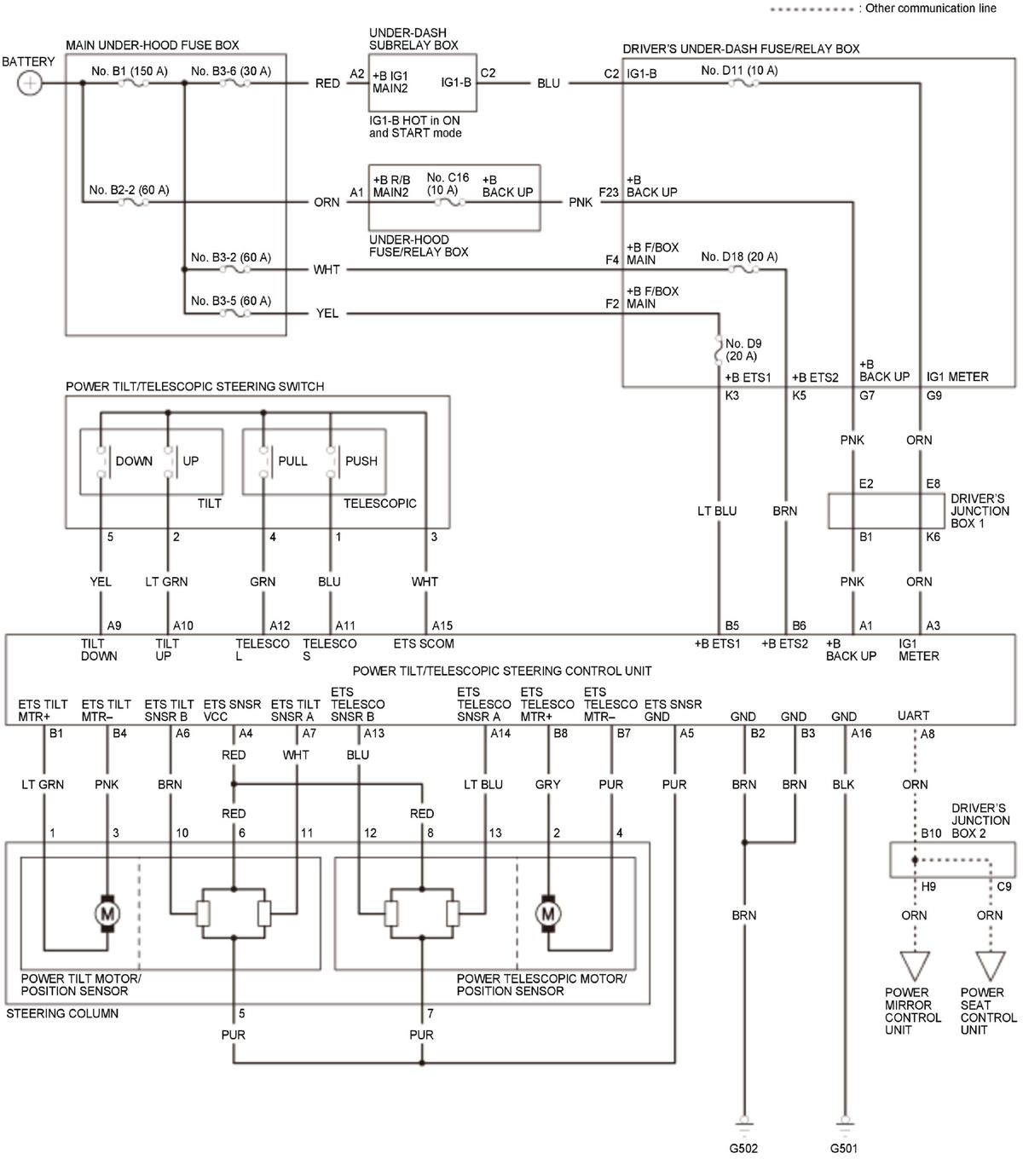
Power Tilt/Telescopic Steering 

GHH348169Courtesy of HONDA, U.S.A., INC.