LEMON Manuals: Even more car manuals for everyone: 1960-2025
Home >> Acura >> 2018 >> RLX Base >> Repair and Diagnosis (Single Page) >> Accessories & Equipment >> Communication Devices >> Multiplex Integrated Control Systems - Testing & Troubleshooting (Except Hybrid) >> Circuit Diagram >> Driving Position Memory System (DPMS) Circuit Diagram (2016 2017)
April 5, 2026: LEMON Manuals is launched! Read the announcement.

Driving Position Memory System (DPMS) Circuit Diagram (2016 2017)

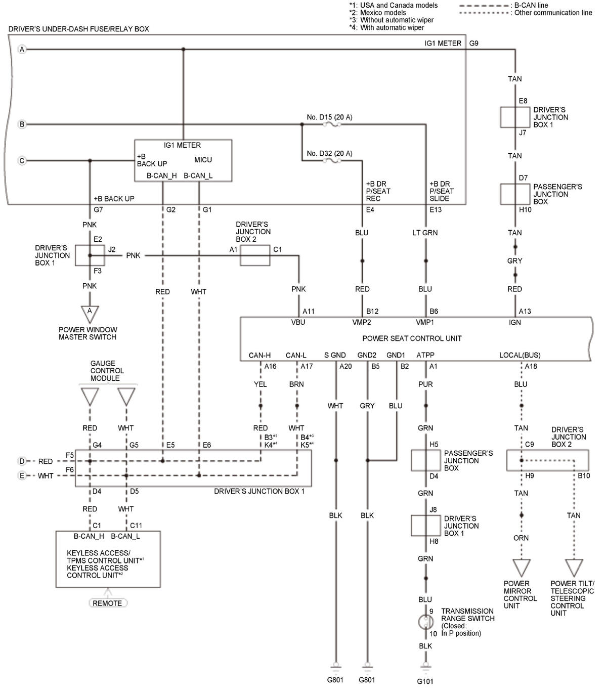
Driver's Power Seat 

GHH348170Courtesy of HONDA, U.S.A., INC.
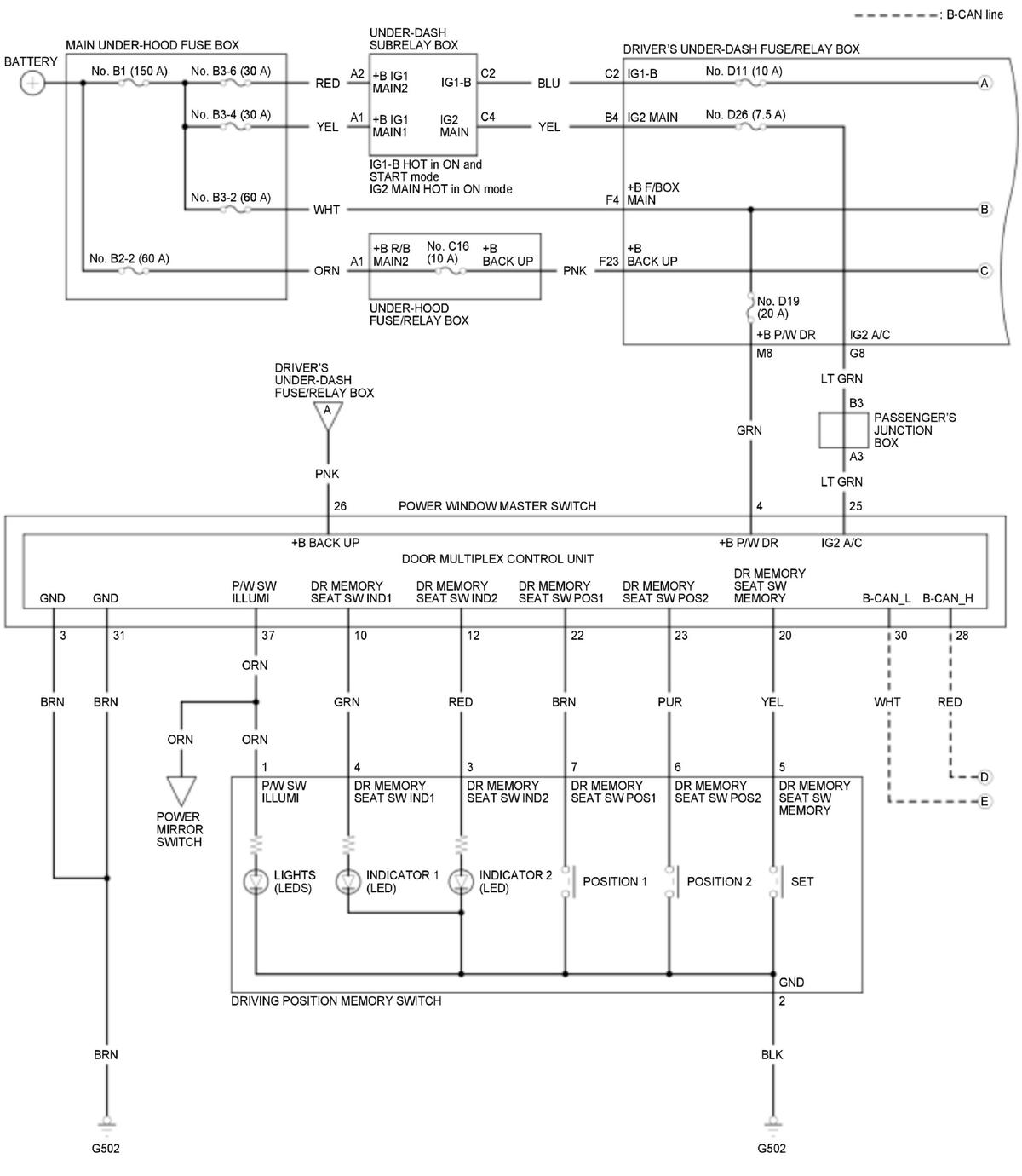
GHH348171Courtesy of HONDA, U.S.A., INC.
GHH348172Courtesy of HONDA, U.S.A., INC.

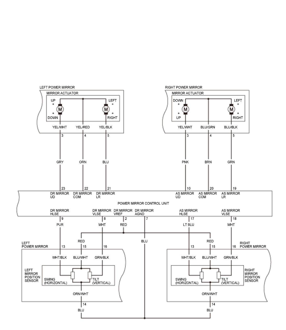
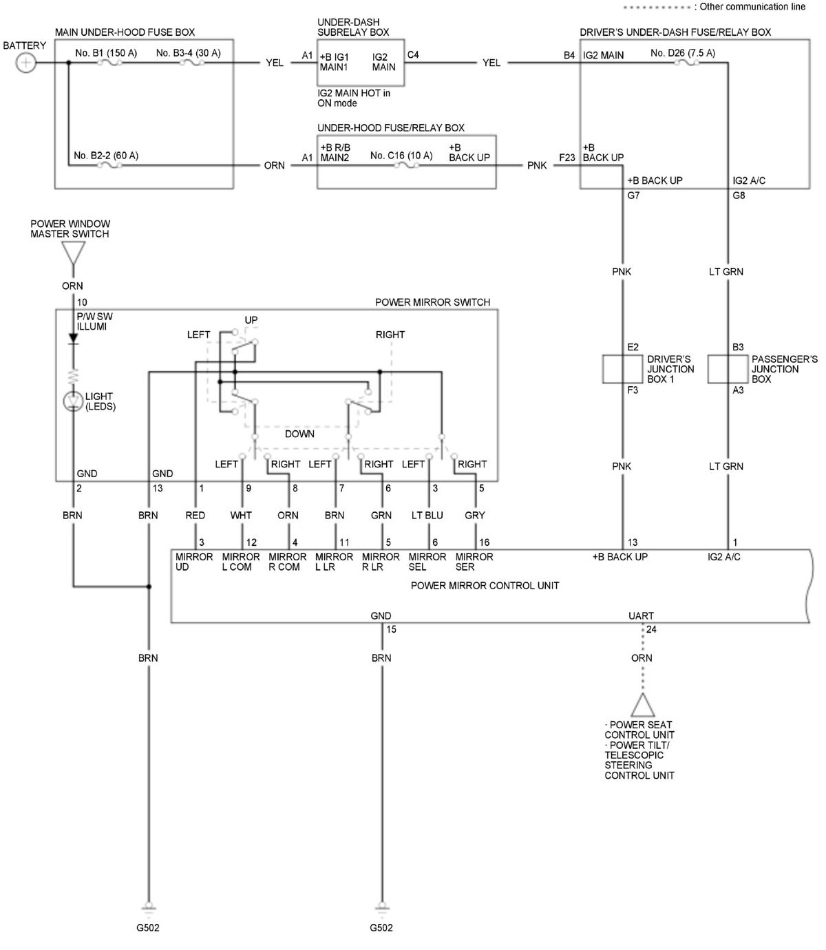
Power Mirror 

GHH348173Courtesy of HONDA, U.S.A., INC.
GHH348174Courtesy of HONDA, U.S.A., INC.

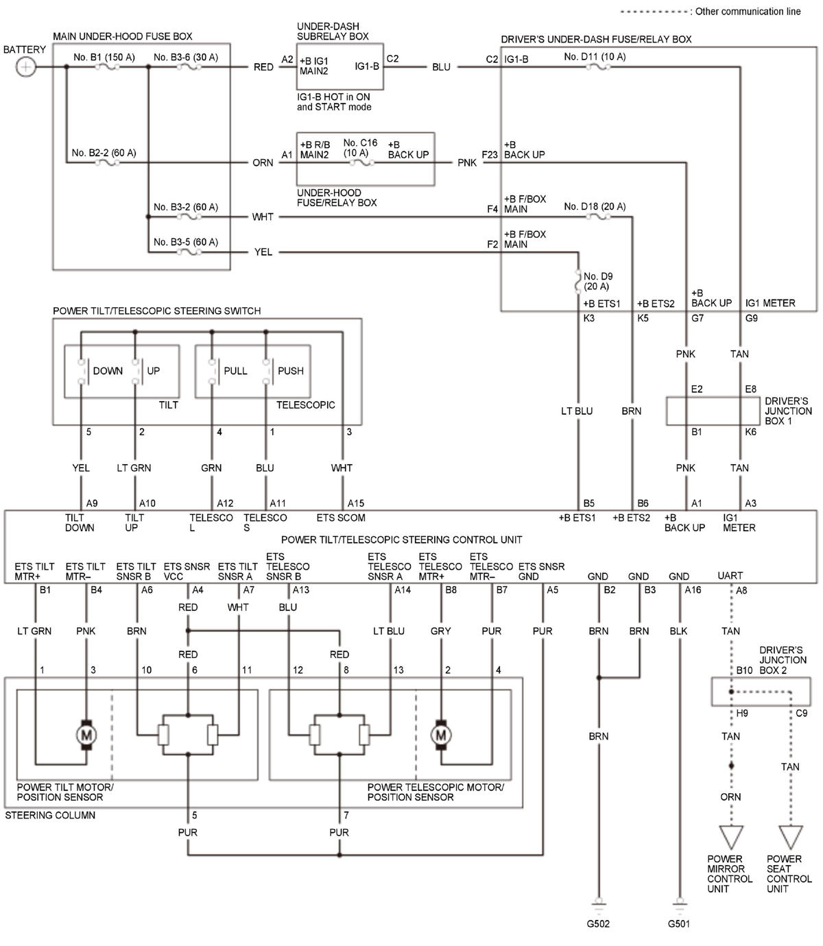
Power Tilt/Telescopic Steering 

GHH348175Courtesy of HONDA, U.S.A., INC.