LEMON Manuals: Even more car manuals for everyone: 1960-2025
Home >> Acura >> 2018 >> RLX Base >> Repair and Diagnosis (Single Page) >> Body & Frame >> Door Locks >> Security System Keyless Entry System - Testing & Troubleshooting (Except Hybrid) >> Circuit Diagram >> Keyless/Power Door Locks/Security System Circuit Diagram (2014 2015)
April 5, 2026: LEMON Manuals is launched! Read the announcement.

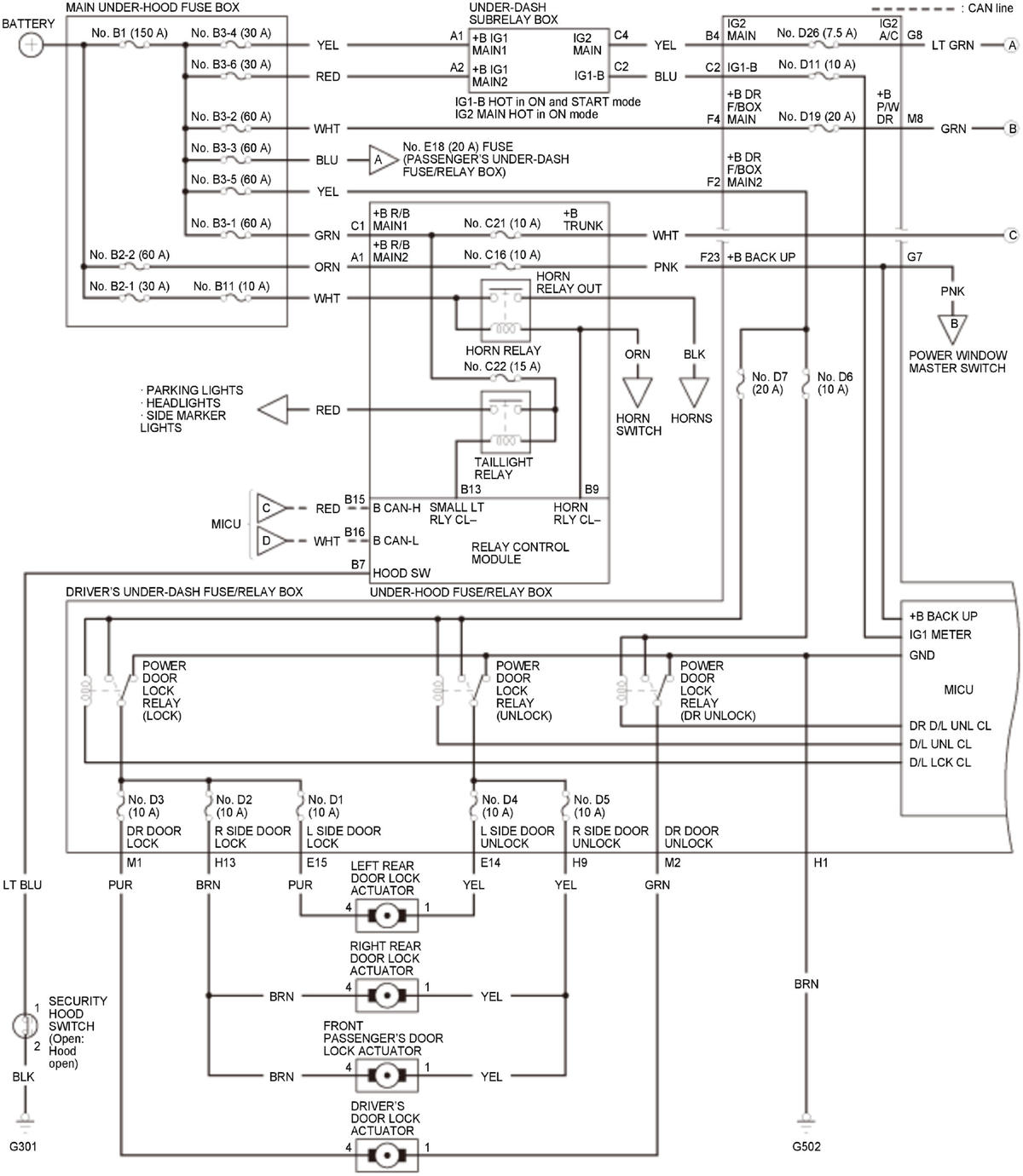
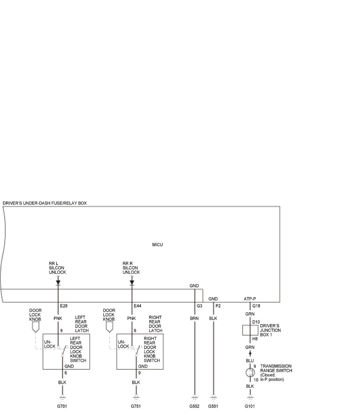
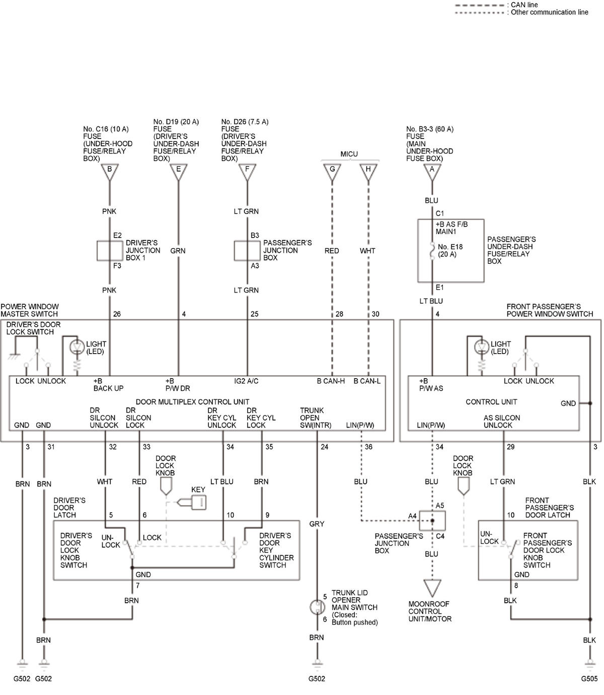
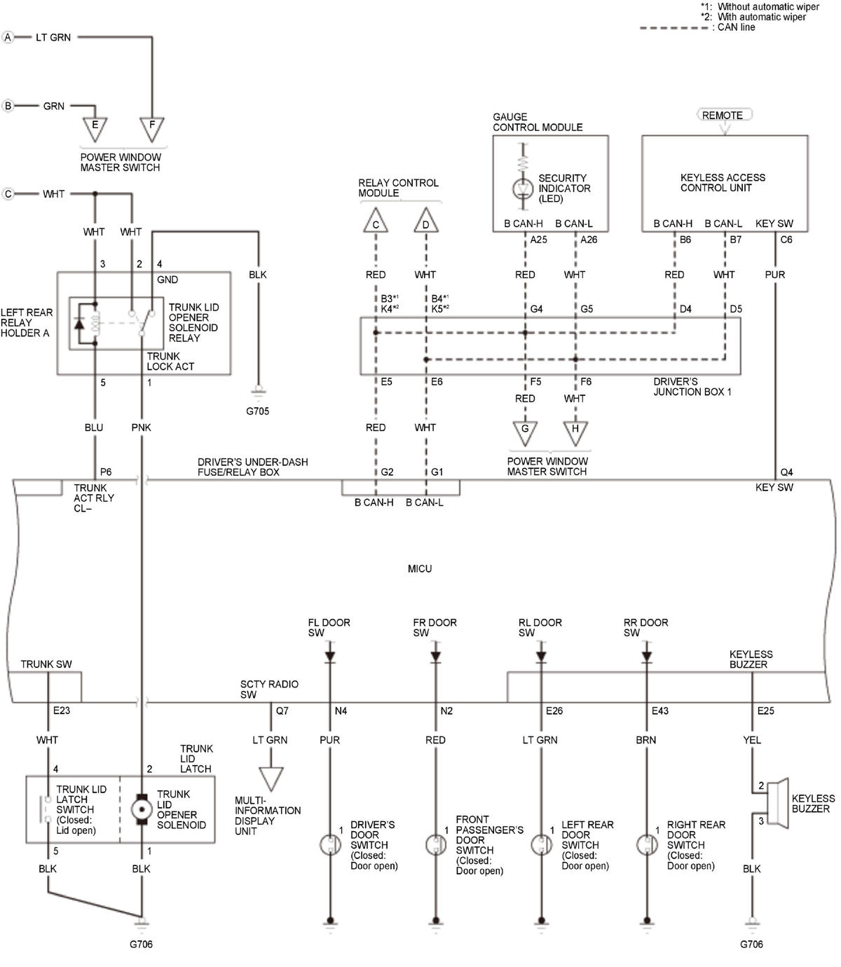
Keyless/Power Door Locks/Security System Circuit Diagram (2014 2015)

GHH350945Courtesy of HONDA, U.S.A., INC.
GHH350946Courtesy of HONDA, U.S.A., INC.
GHH350947Courtesy of HONDA, U.S.A., INC.
GHH350948Courtesy of HONDA, U.S.A., INC.