LEMON Manuals: Even more car manuals for everyone: 1960-2025
Home >> Acura >> 2019 >> ILX >> Repair and Diagnosis (Single Page) >> Accessories & Equipment >> Communication Devices >> Integrated Control Systems - Testing & Troubleshooting (Except Hybrid) >> Circuit Diagram >> Driving Position Memory System (DPMS) (2017 2018)
April 5, 2026: LEMON Manuals is launched! Read the announcement.

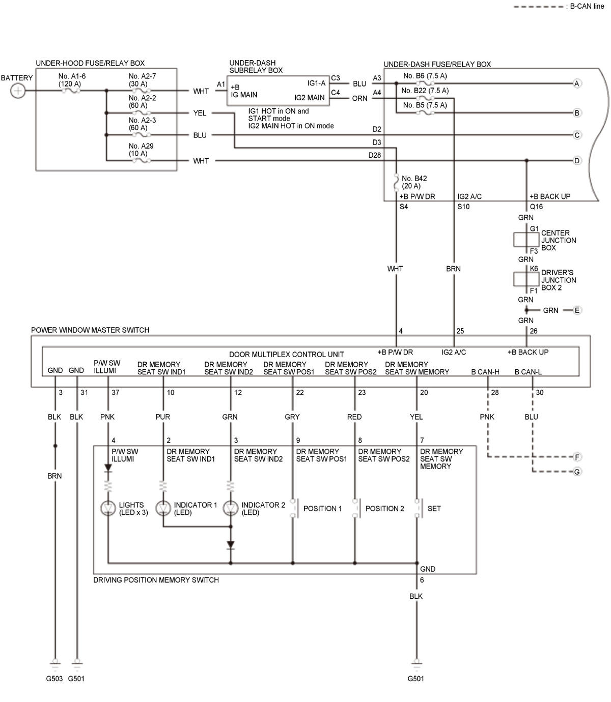
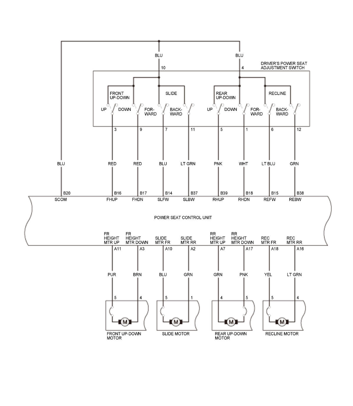
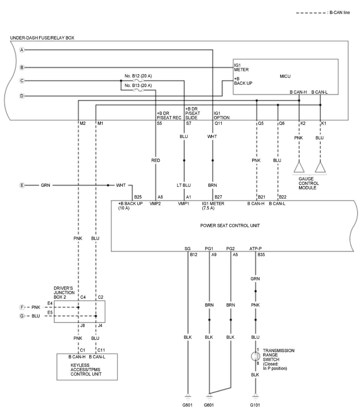
Driving Position Memory System (DPMS) (2017 2018)

GHH471561Courtesy of HONDA, U.S.A., INC.
GHH471562Courtesy of HONDA, U.S.A., INC.
GHH471563Courtesy of HONDA, U.S.A., INC.
GHH471564Courtesy of HONDA, U.S.A., INC.