LEMON Manuals: Even more car manuals for everyone: 1960-2025
Home >> Acura >> 2019 >> MDX Base >> Repair and Diagnosis (Single Page) >> Accessories & Equipment >> Anti-Theft Systems >> Security System / Keyless Entry System - Testing & Troubleshooting (Except Hybrid) >> Circuit Diagram >> Keyless Access System Circuit Diagram (2017 2018)
April 5, 2026: LEMON Manuals is launched! Read the announcement.

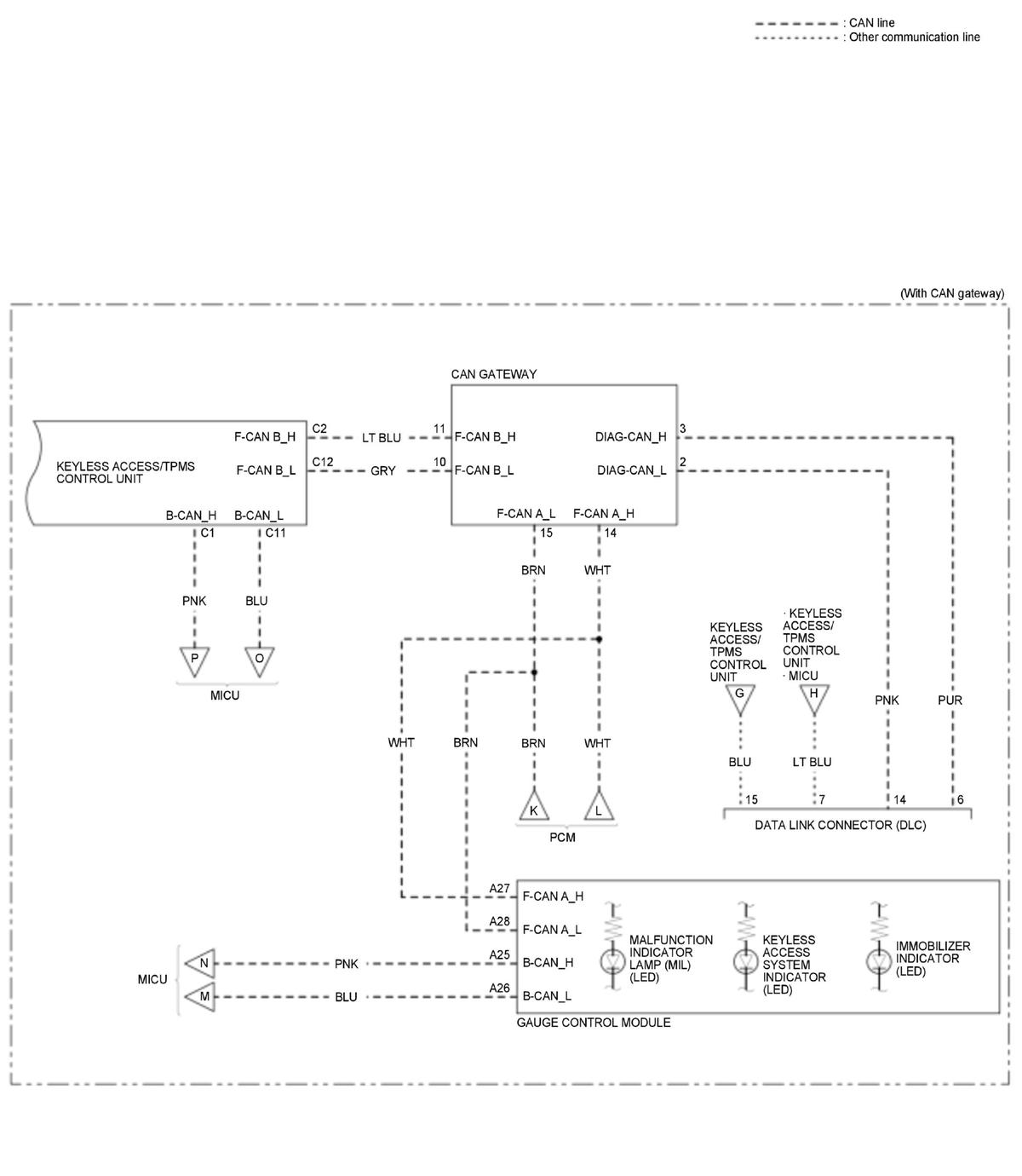
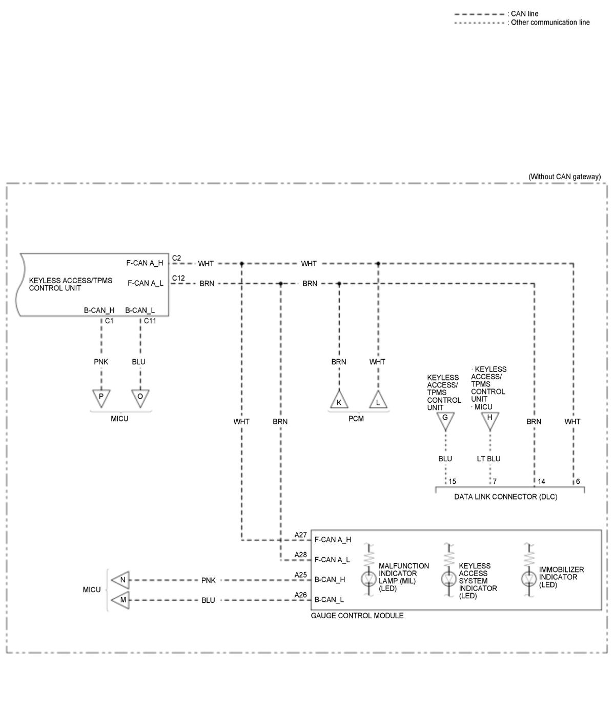
Keyless Access System Circuit Diagram (2017 2018)

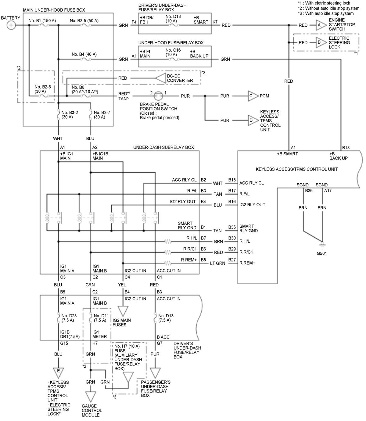
GHH326635Courtesy of HONDA, U.S.A., INC.
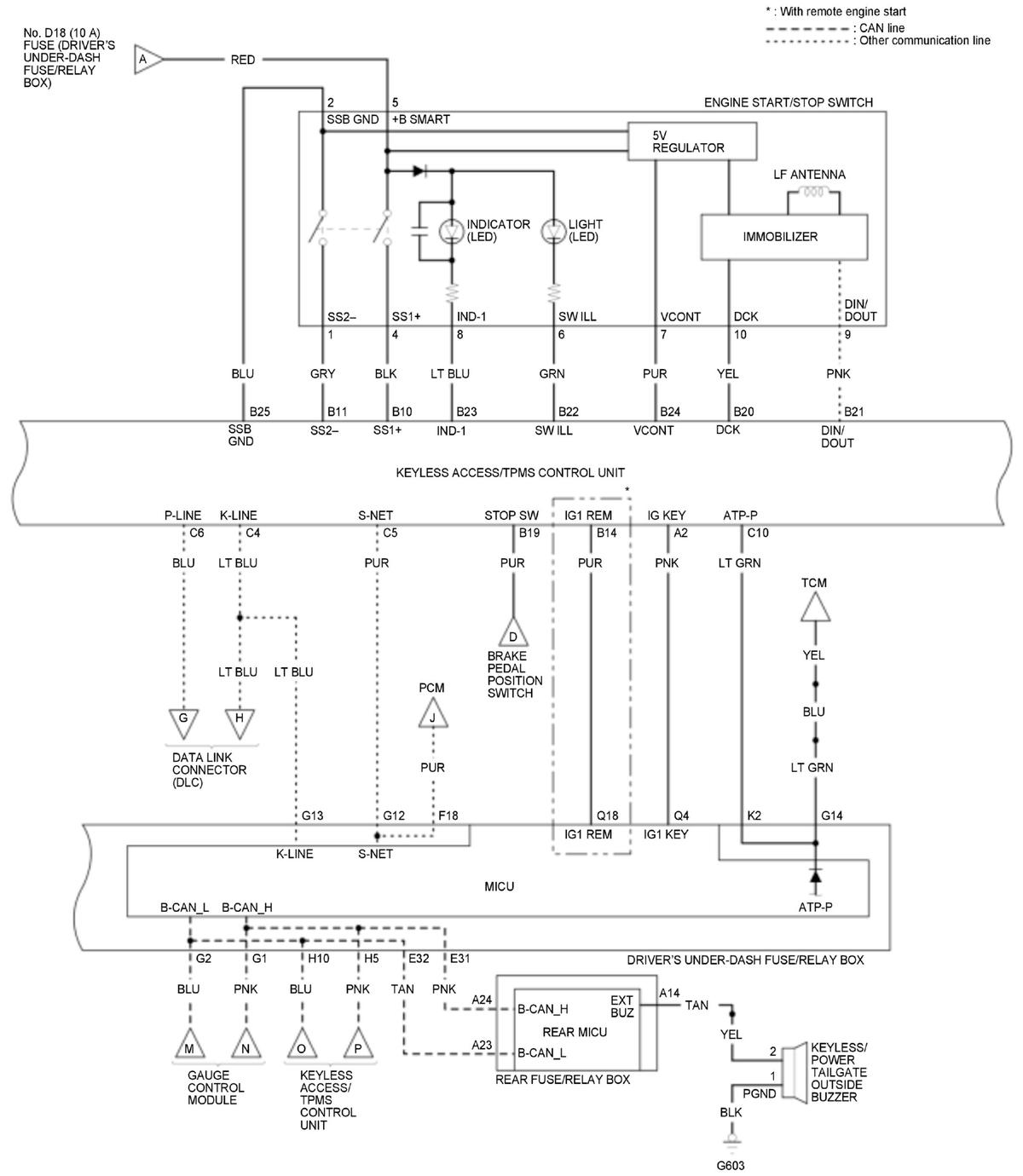
GHH326636Courtesy of HONDA, U.S.A., INC.
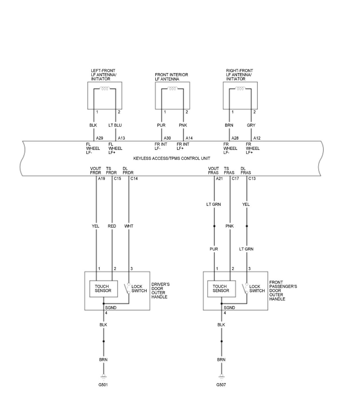
GHH326637Courtesy of HONDA, U.S.A., INC.
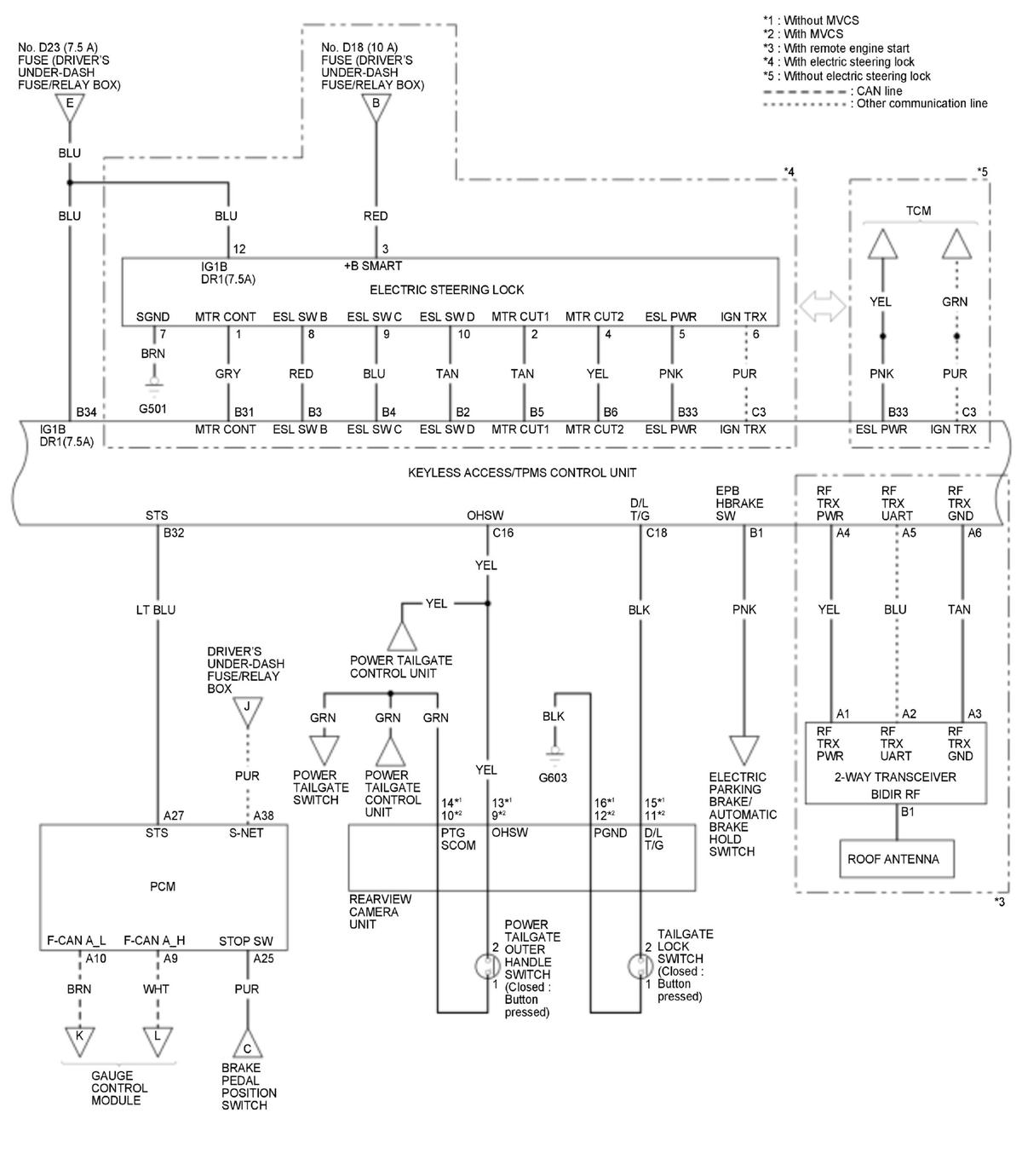
GHH326638Courtesy of HONDA, U.S.A., INC.
GHH326639Courtesy of HONDA, U.S.A., INC.
GHH326640Courtesy of HONDA, U.S.A., INC.
GHH326641Courtesy of HONDA, U.S.A., INC.