LEMON Manuals: Even more car manuals for everyone: 1960-2025
Home >> Acura >> 2019 >> MDX Base >> Repair and Diagnosis (Single Page) >> Accessories & Equipment >> Drivers Assistance Systems - ADAS >> Blind Spot & Multi View Systems - Testing & Troubleshooting (Except Hybrid) >> Circuit Diagrams >> Multi View Camera System (MVCS) Circuit Diagram (With Auto Idle Stop System) (2016)
April 5, 2026: LEMON Manuals is launched! Read the announcement.

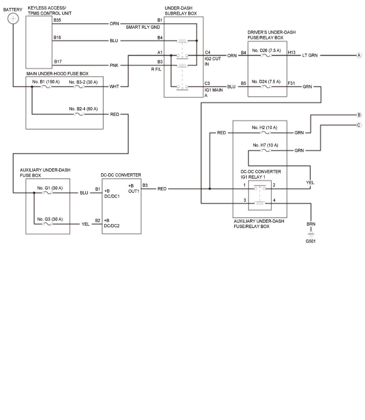
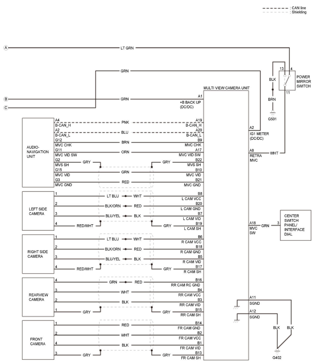
Multi View Camera System (MVCS) Circuit Diagram (With Auto Idle Stop System) (2016)

With Auto Idle Stop System 

GHH327404Courtesy of HONDA, U.S.A., INC.

With Auto Idle Stop System 

GHH327405Courtesy of HONDA, U.S.A., INC.