LEMON Manuals: Even more car manuals for everyone: 1960-2025
Home >> Acura >> 2019 >> MDX Base >> Repair and Diagnosis (Single Page) >> Body & Frame >> Door Locks >> Security System / Keyless Entry System - Testing & Troubleshooting (Except Hybrid) >> Circuit Diagram >> Keyless/Power Door Locks/Security System Circuit Diagram (2016)
April 5, 2026: LEMON Manuals is launched! Read the announcement.

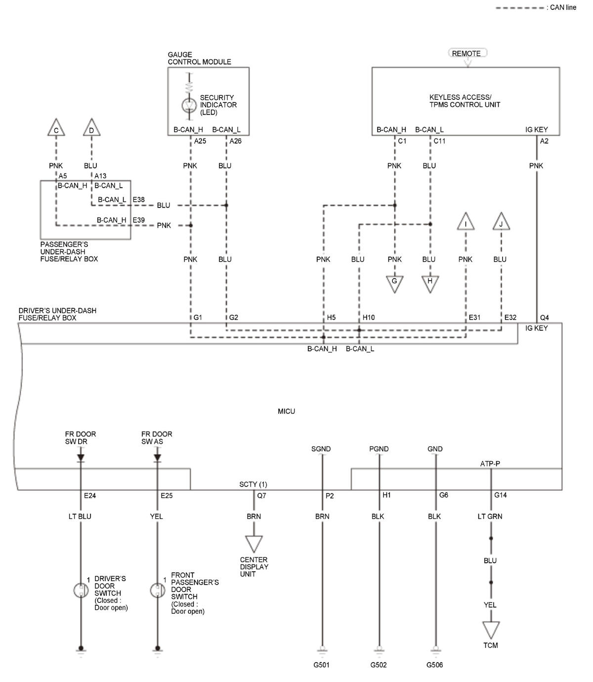
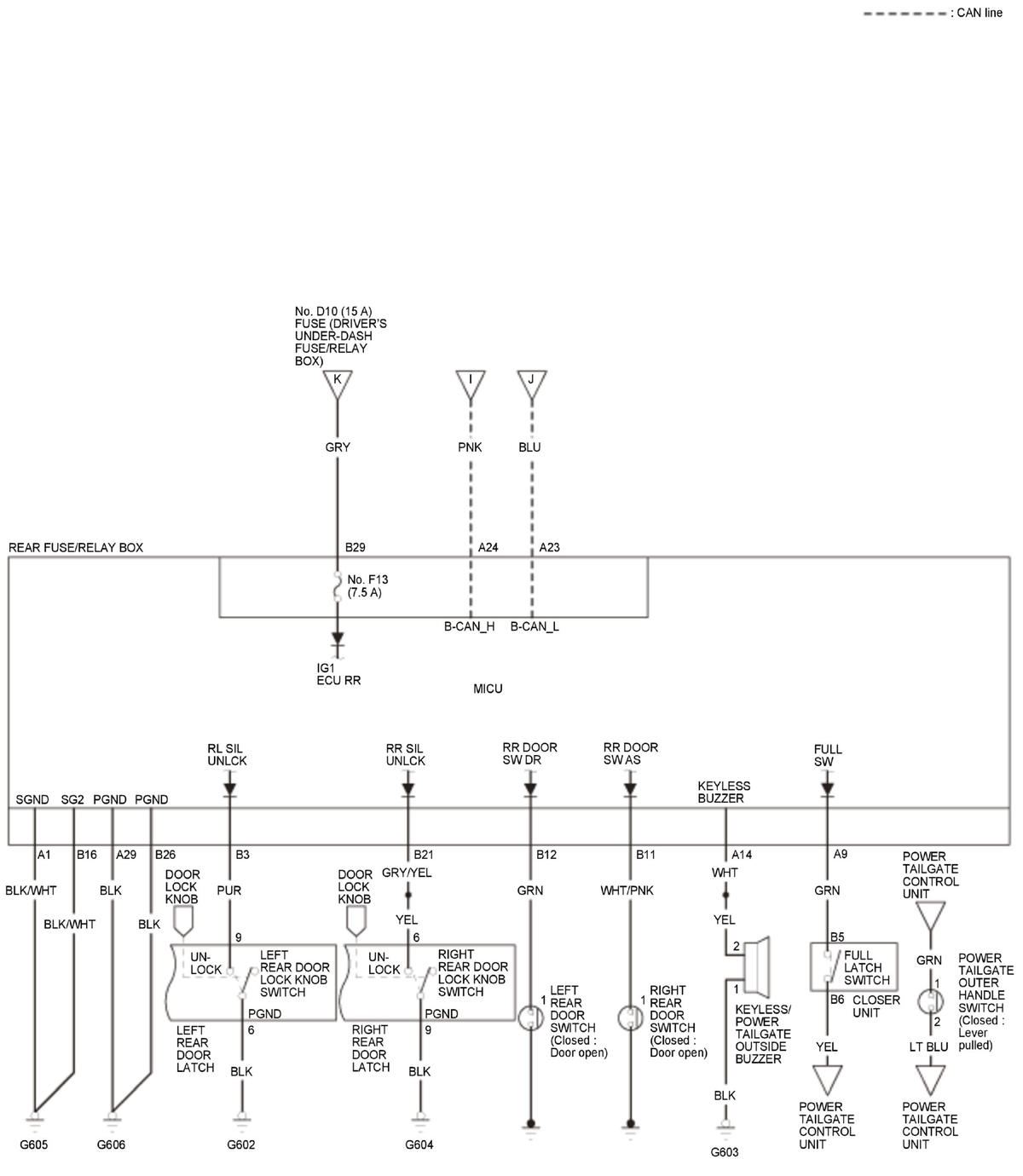
Keyless/Power Door Locks/Security System Circuit Diagram (2016)

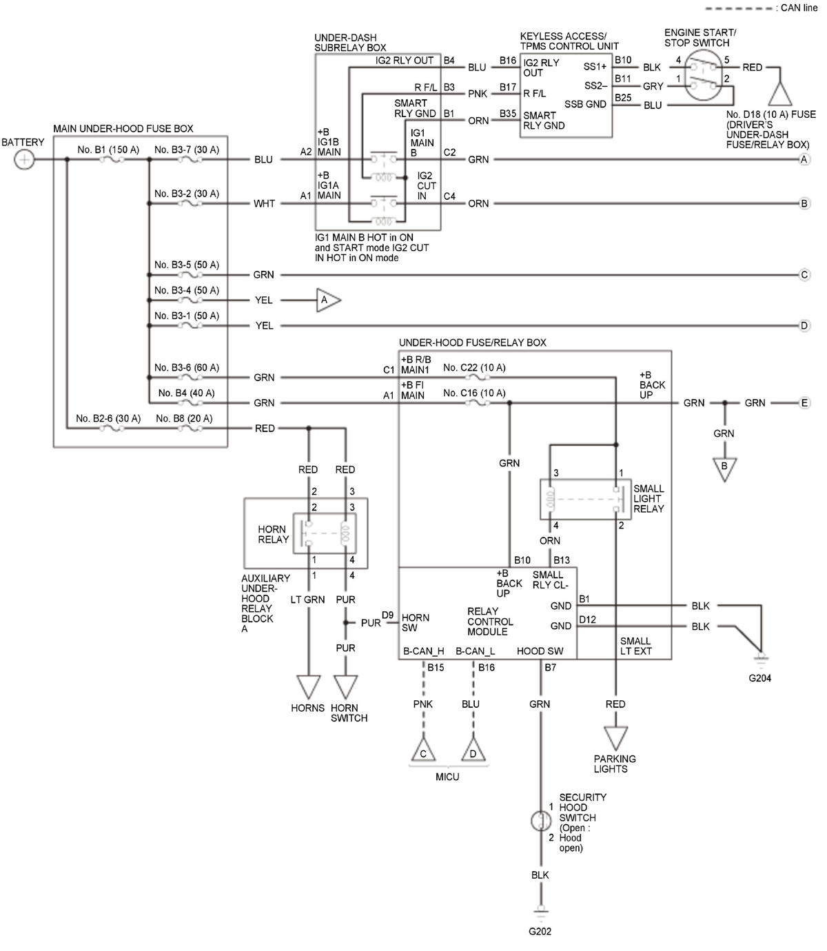
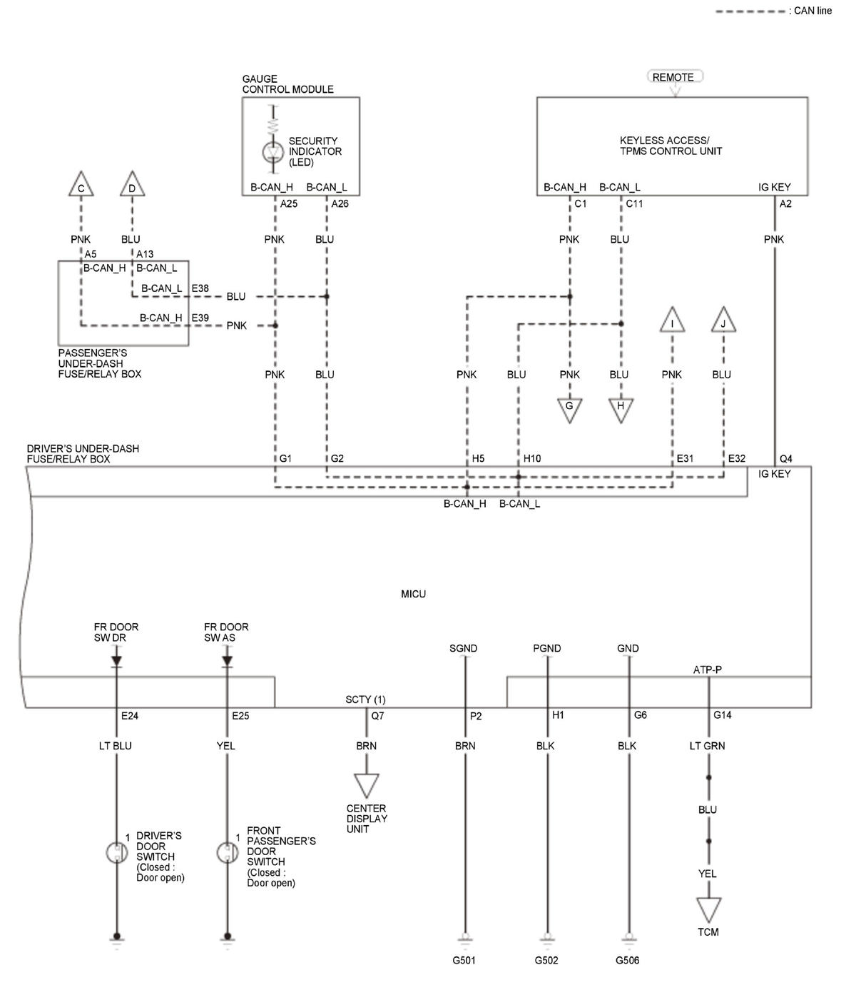
GHH326653Courtesy of HONDA, U.S.A., INC.
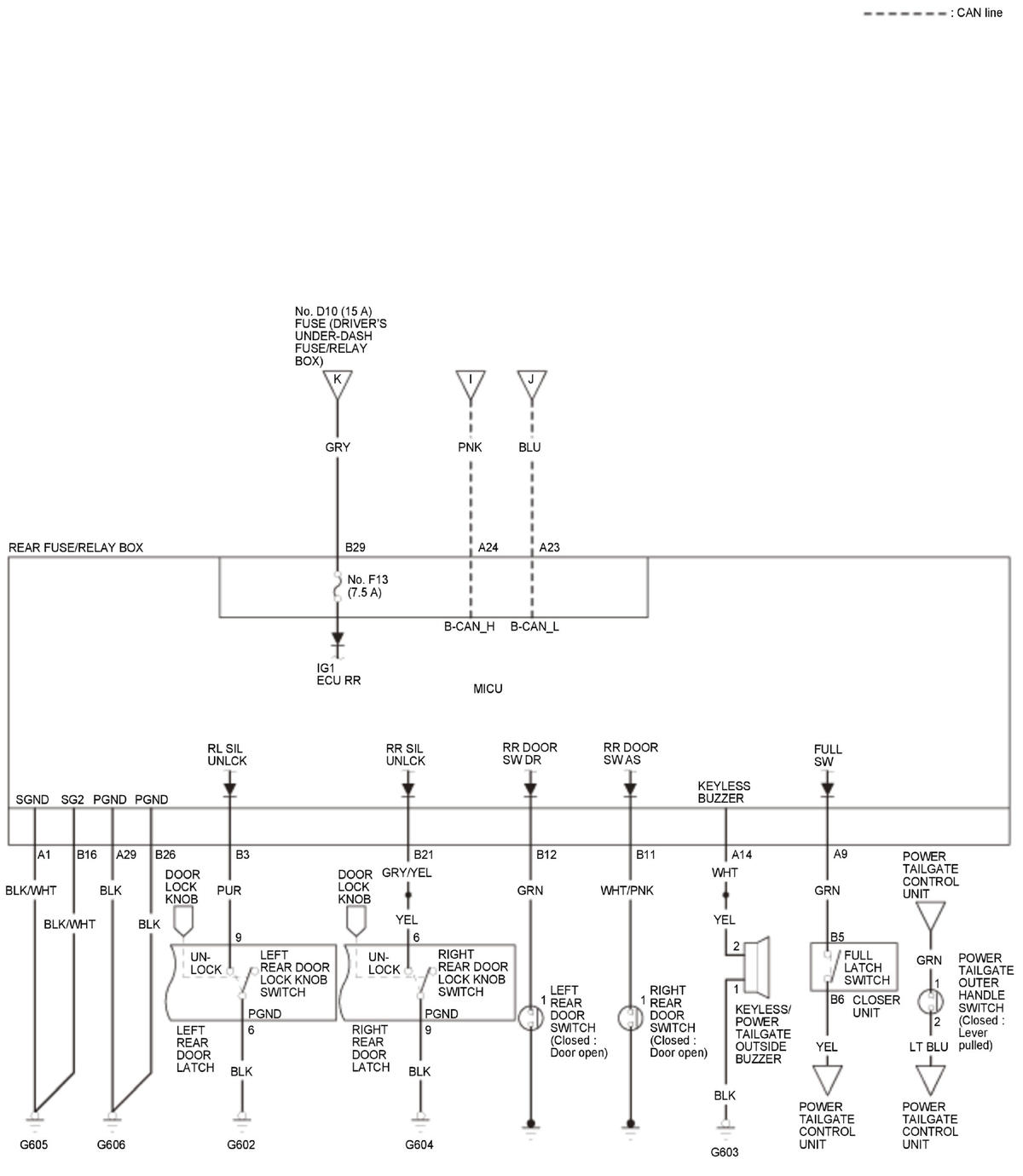
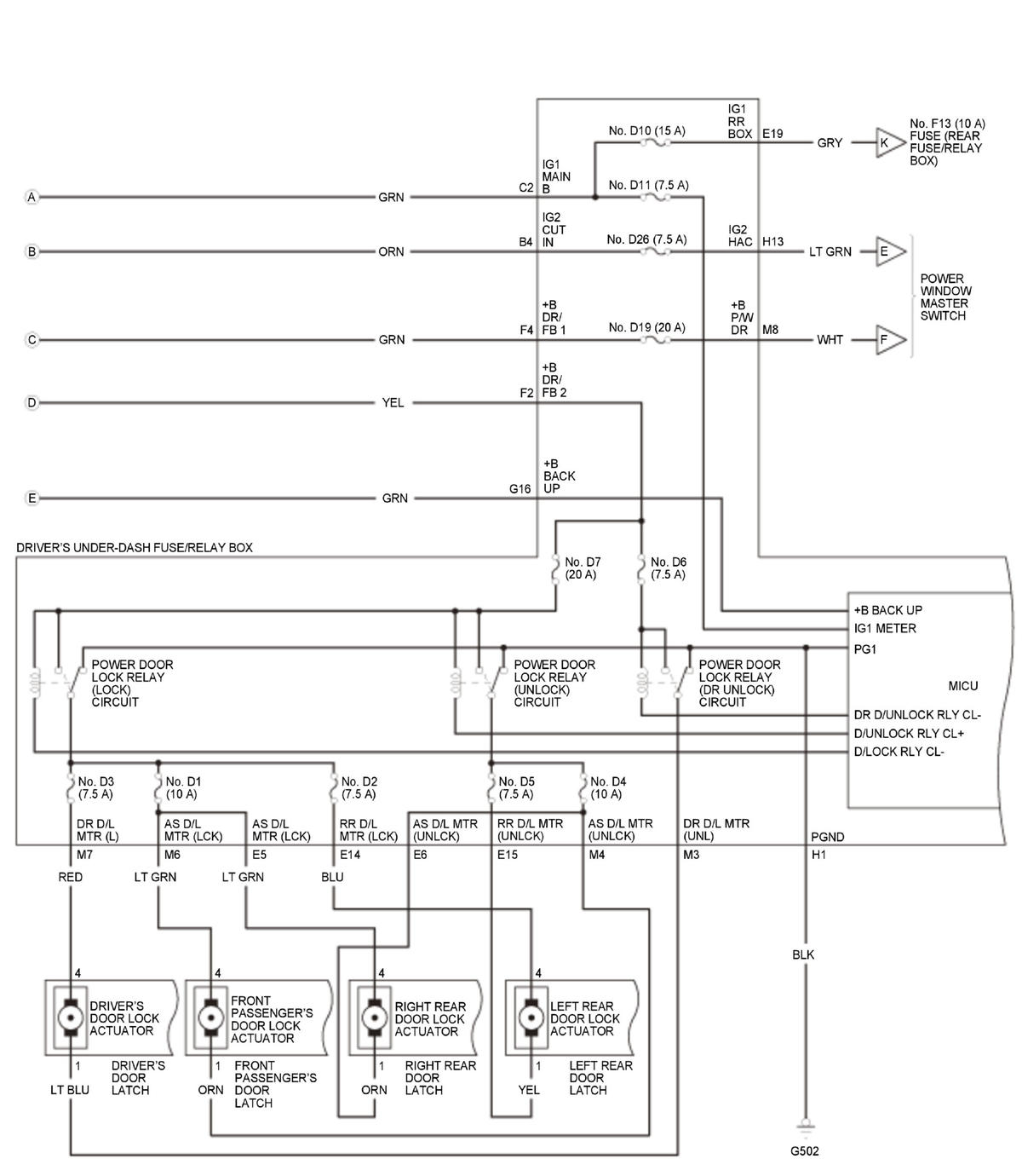
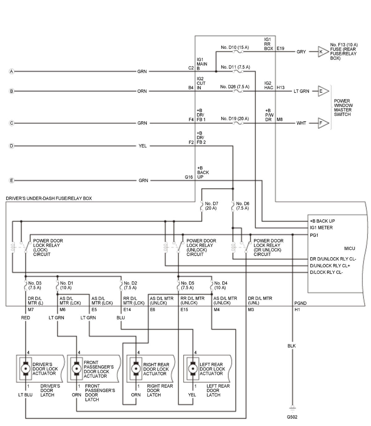
GHH326654Courtesy of HONDA, U.S.A., INC.
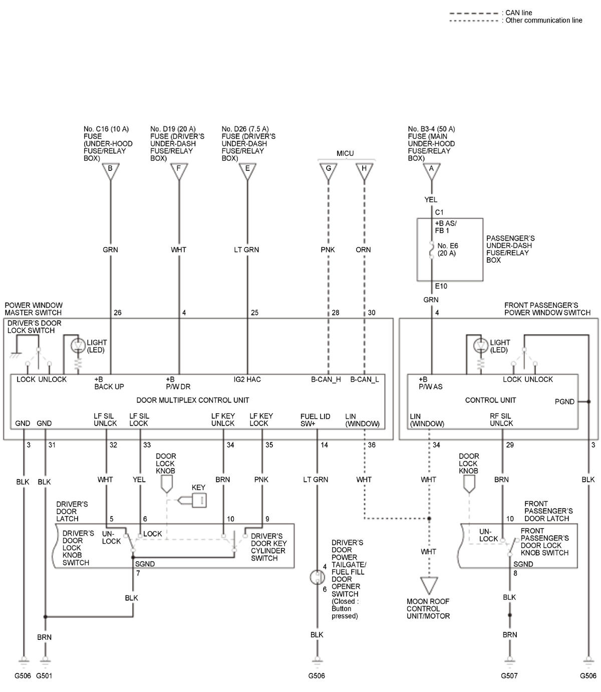
GHH326655Courtesy of HONDA, U.S.A., INC.
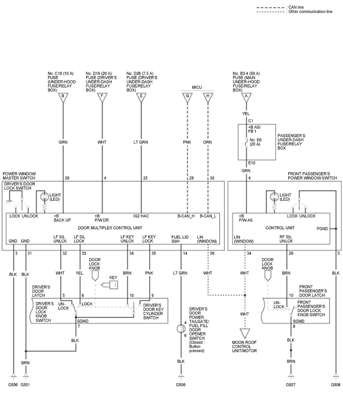
GHH326656Courtesy of HONDA, U.S.A., INC.
GHH326657Courtesy of HONDA, U.S.A., INC.


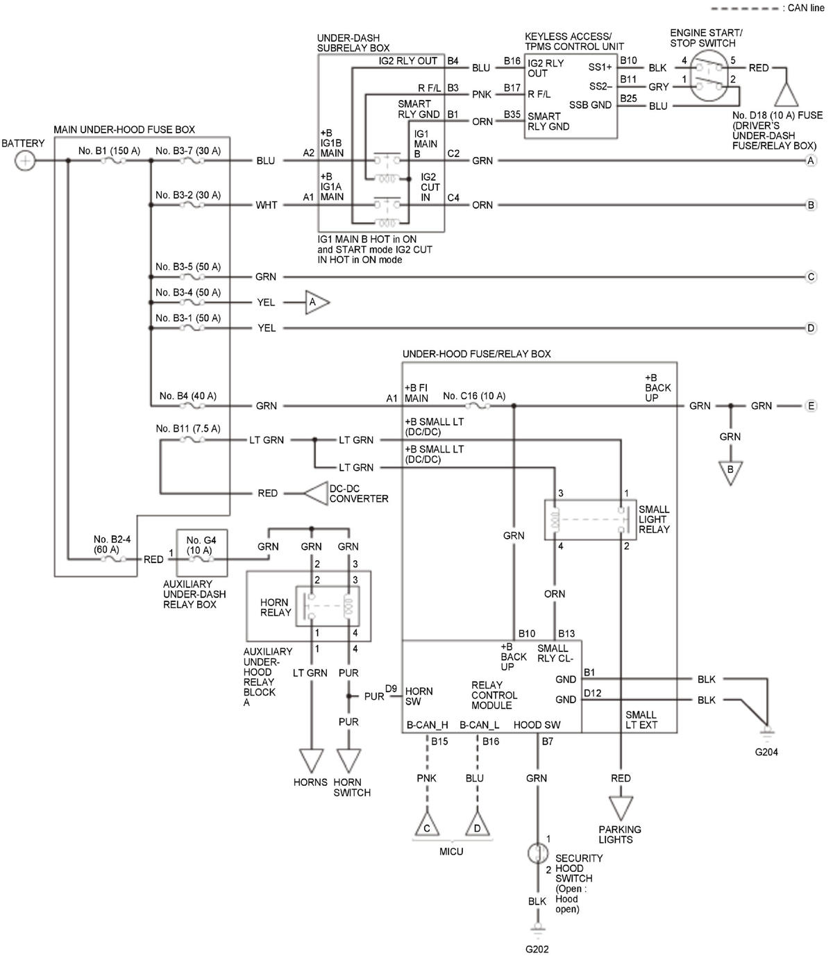
GHH326658Courtesy of HONDA, U.S.A., INC.
GHH326659Courtesy of HONDA, U.S.A., INC.
GHH326660Courtesy of HONDA, U.S.A., INC.
GHH326661Courtesy of HONDA, U.S.A., INC.
GHH326662Courtesy of HONDA, U.S.A., INC.