LEMON Manuals: Even more car manuals for everyone: 1960-2025
Home >> Acura >> 2019 >> MDX Base >> Repair and Diagnosis (Single Page) >> Body & Frame >> Door Locks >> Security System / Keyless Entry System - Testing & Troubleshooting (Except Hybrid) >> Circuit Diagram >> Keyless/Power Door Locks/Security System Circuit Diagram (2017 2018)
April 5, 2026: LEMON Manuals is launched! Read the announcement.

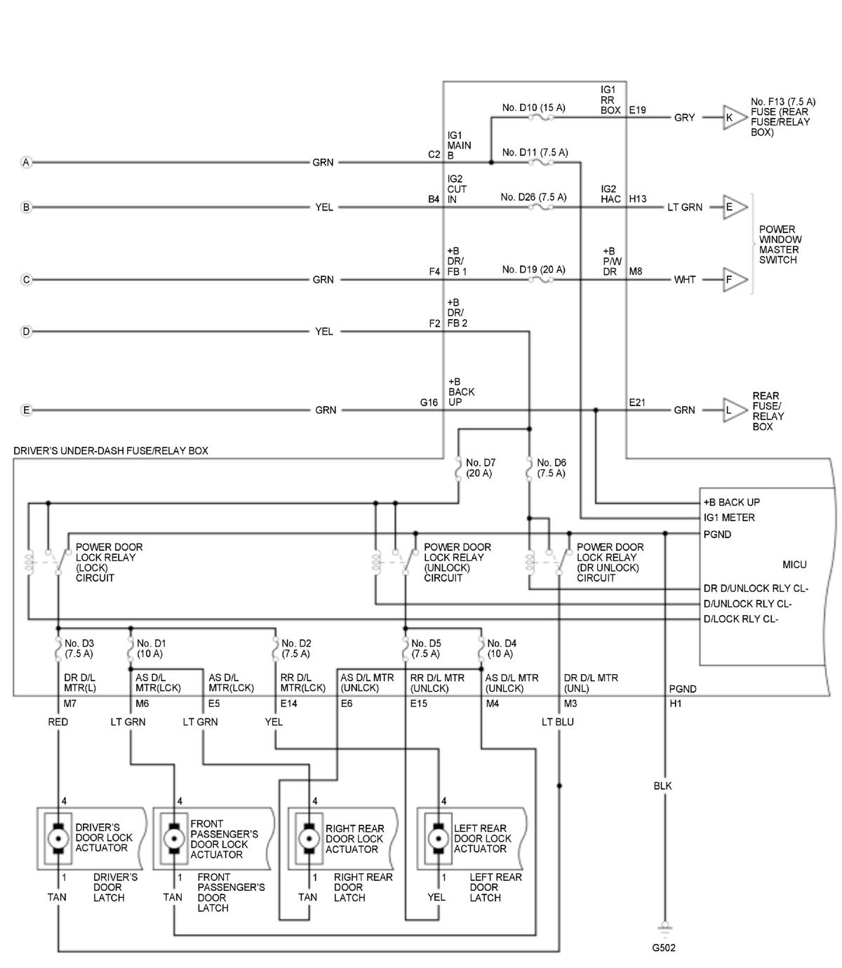
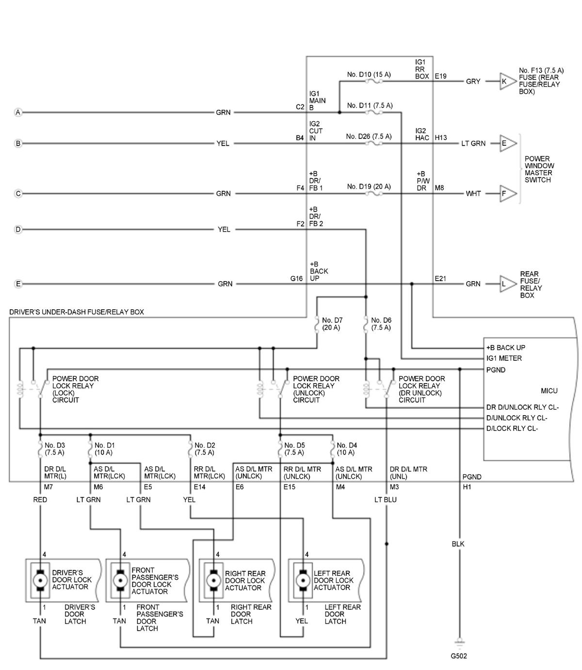
Keyless/Power Door Locks/Security System Circuit Diagram (2017 2018)

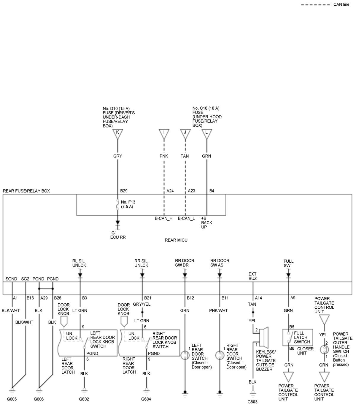
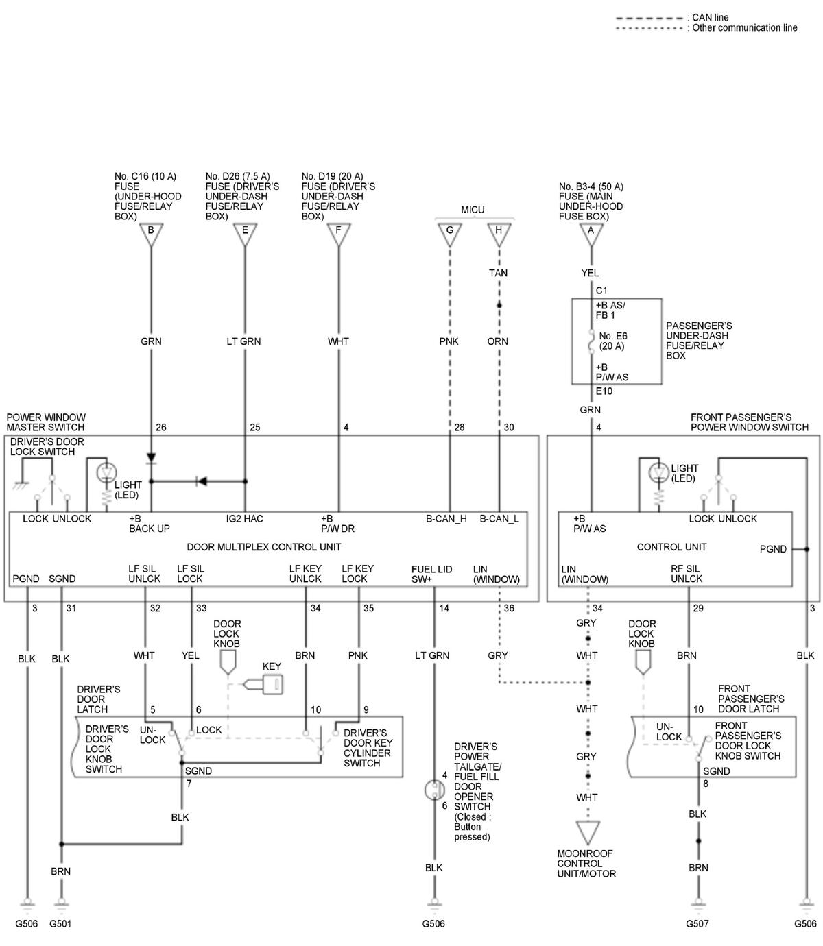
GHH326663Courtesy of HONDA, U.S.A., INC.
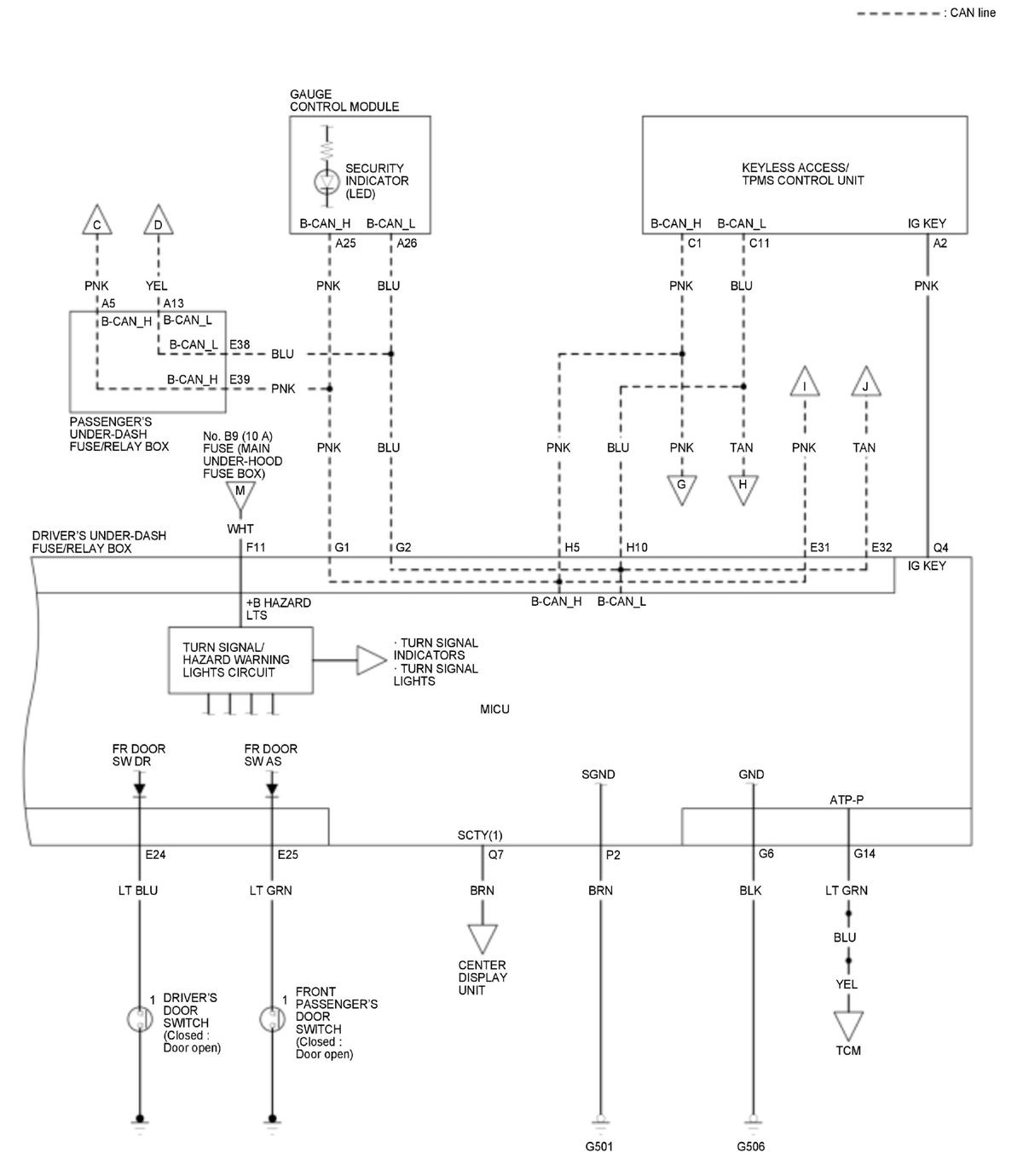
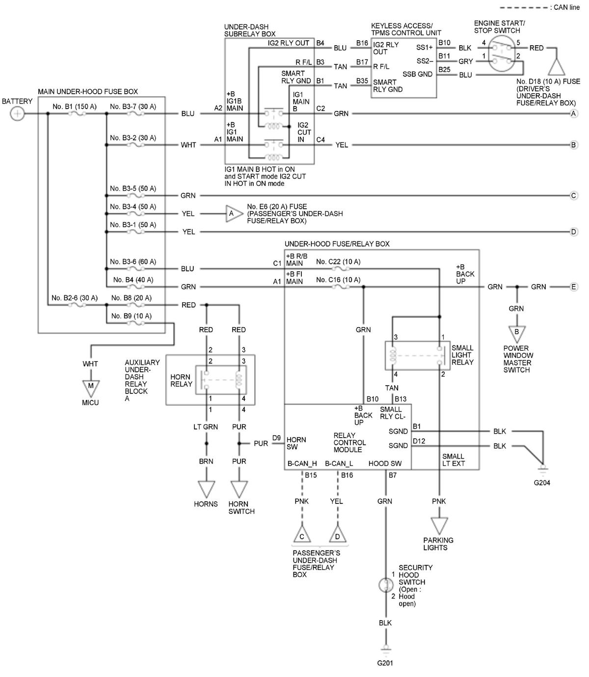
GHH326664Courtesy of HONDA, U.S.A., INC.
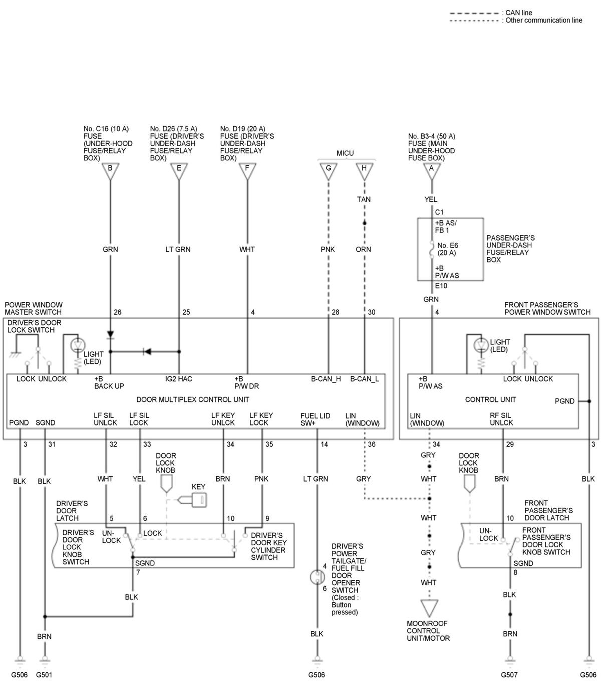
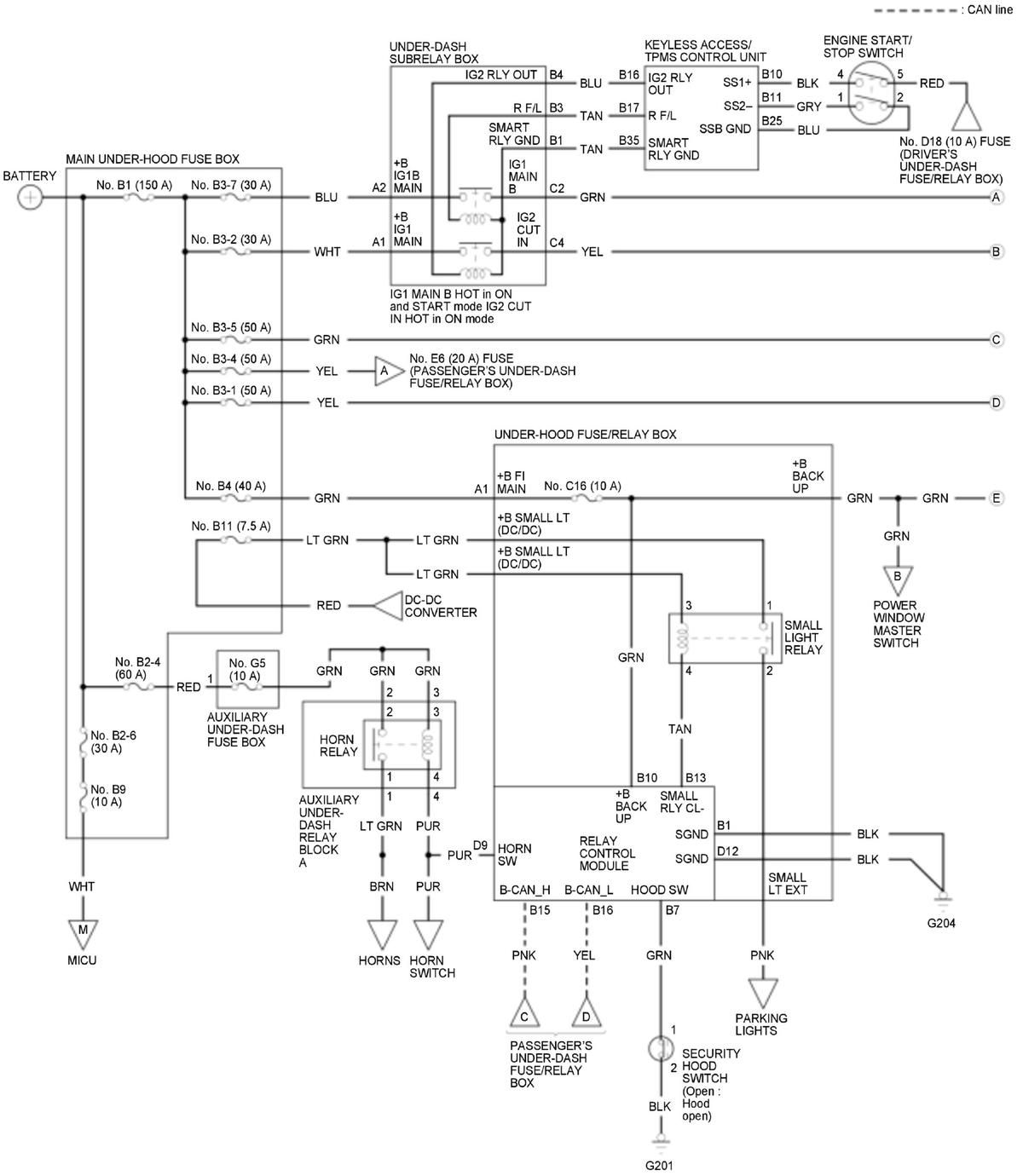
GHH326665Courtesy of HONDA, U.S.A., INC.
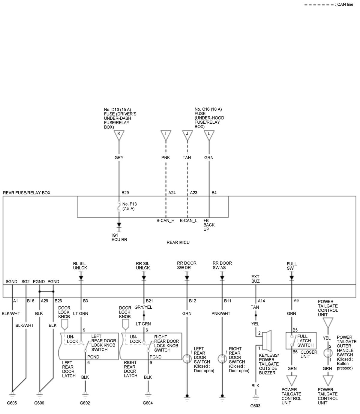
GHH326666Courtesy of HONDA, U.S.A., INC.
GHH326667Courtesy of HONDA, U.S.A., INC.


GHH326668Courtesy of HONDA, U.S.A., INC.
GHH326669Courtesy of HONDA, U.S.A., INC.
GHH326670Courtesy of HONDA, U.S.A., INC.
GHH326671Courtesy of HONDA, U.S.A., INC.
GHH326672Courtesy of HONDA, U.S.A., INC.