LEMON Manuals: Even more car manuals for everyone: 1960-2025
Home >> Acura >> 2019 >> MDX Base >> Repair and Diagnosis (Single Page) >> Body & Frame >> Door Locks >> Security System / Keyless Entry System - Testing & Troubleshooting (Except Hybrid) >> Circuit Diagram >> Keyless/Power Door Locks/Security System Circuit Diagram (2019 2020)
April 5, 2026: LEMON Manuals is launched! Read the announcement.

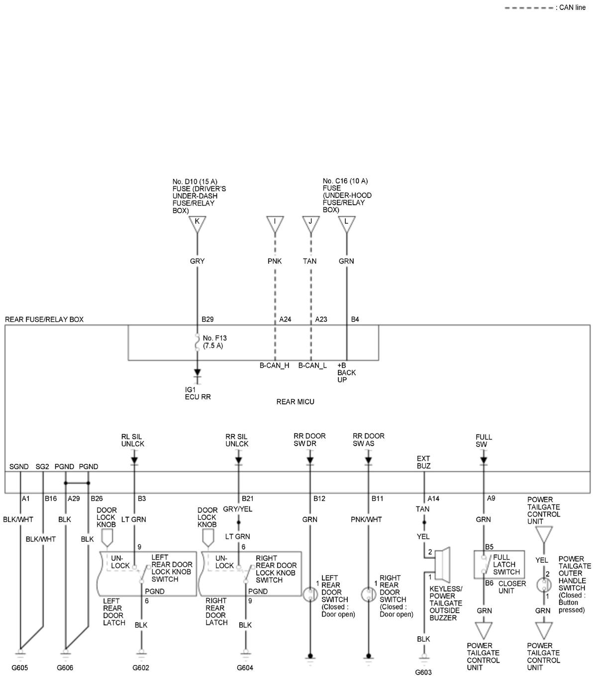
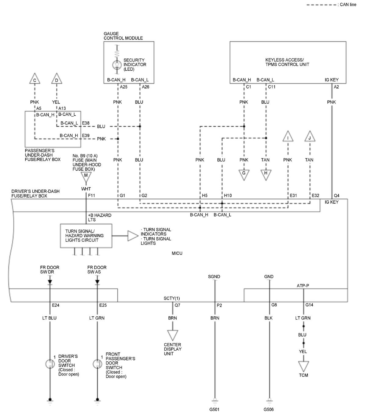
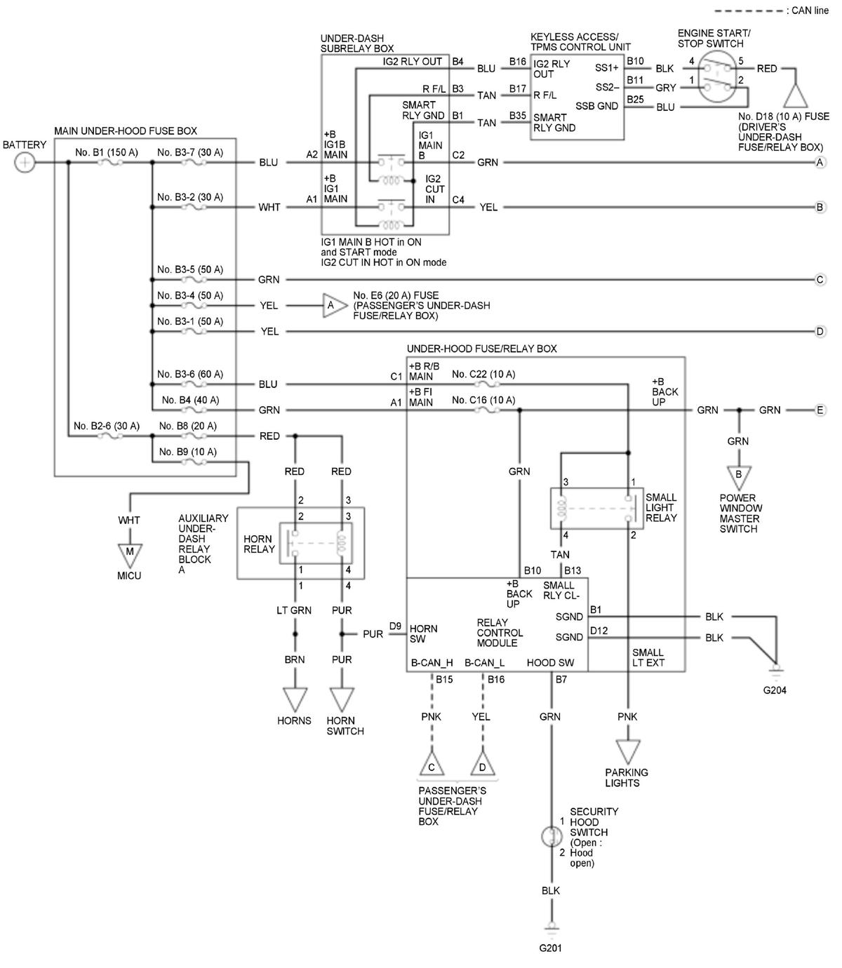
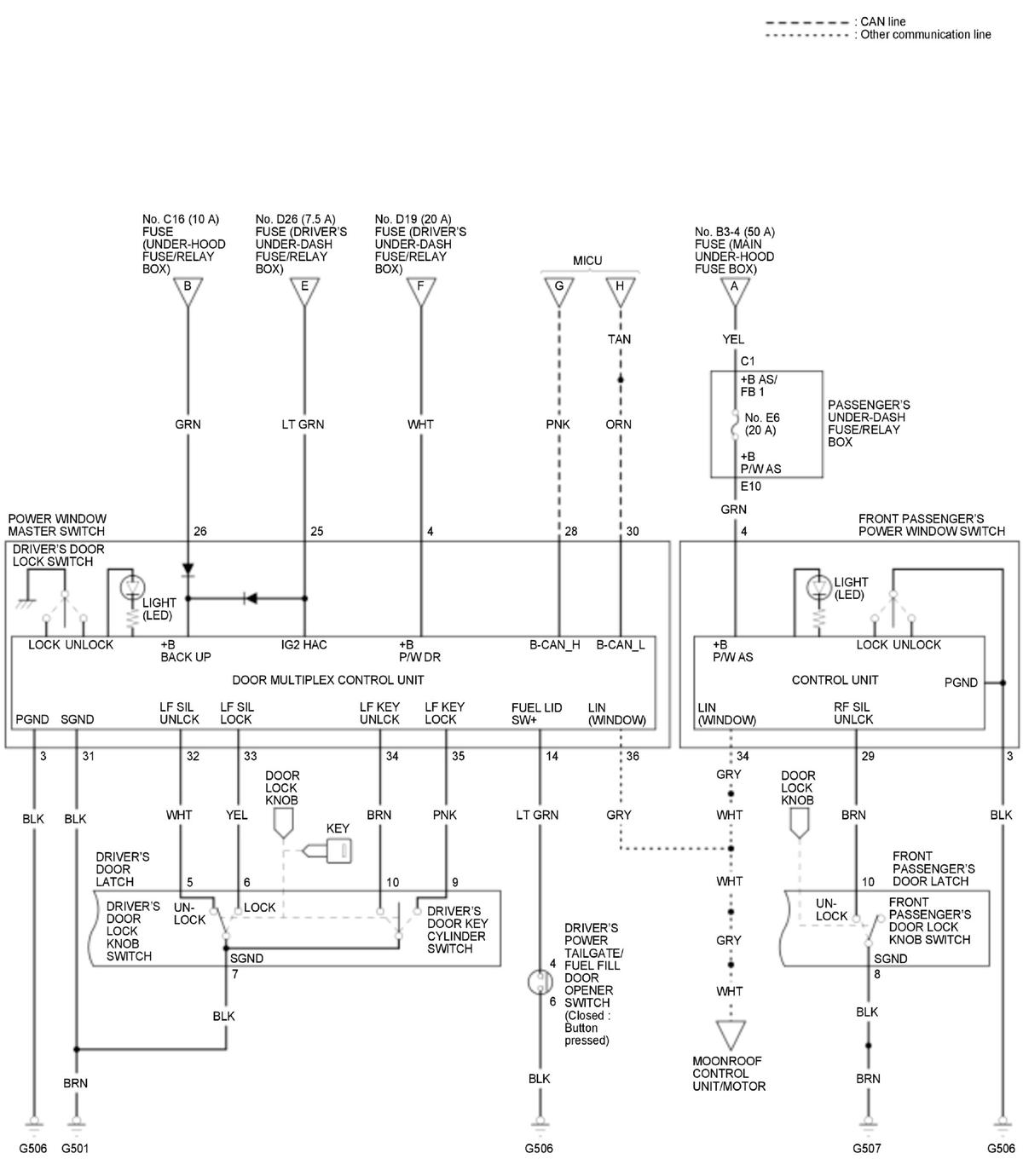
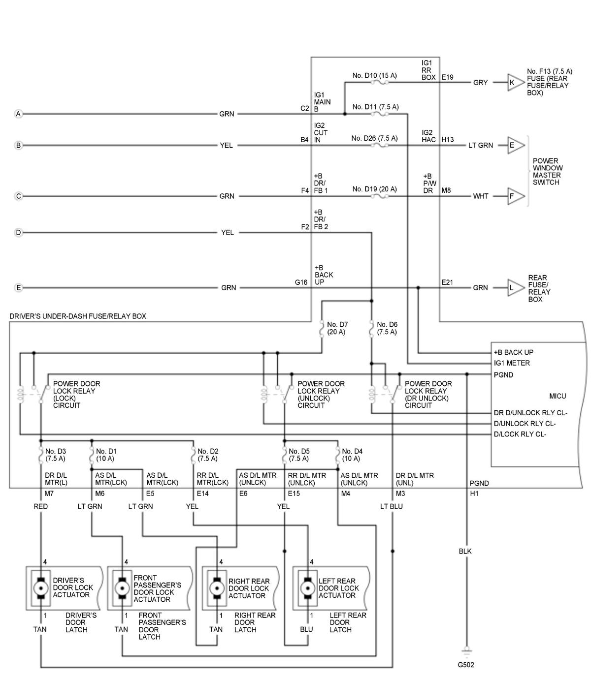
Keyless/Power Door Locks/Security System Circuit Diagram (2019 2020)

GHH326673Courtesy of HONDA, U.S.A., INC.
GHH326674Courtesy of HONDA, U.S.A., INC.
GHH326675Courtesy of HONDA, U.S.A., INC.
GHH326676Courtesy of HONDA, U.S.A., INC.
GHH326677Courtesy of HONDA, U.S.A., INC.