LEMON Manuals: Even more car manuals for everyone: 1960-2025
Home >> Acura >> 2019 >> MDX Base >> Repair and Diagnosis (Single Page) >> Body & Frame >> Mirrors >> Mirrors - Testing And Troubleshooting (Except Hybrid) >> Circuit Diagrams >> Driving Position Memory System (DPMS) Circuit Diagram - Power Mirror (2017 2018 2019 2020)
April 5, 2026: LEMON Manuals is launched! Read the announcement.

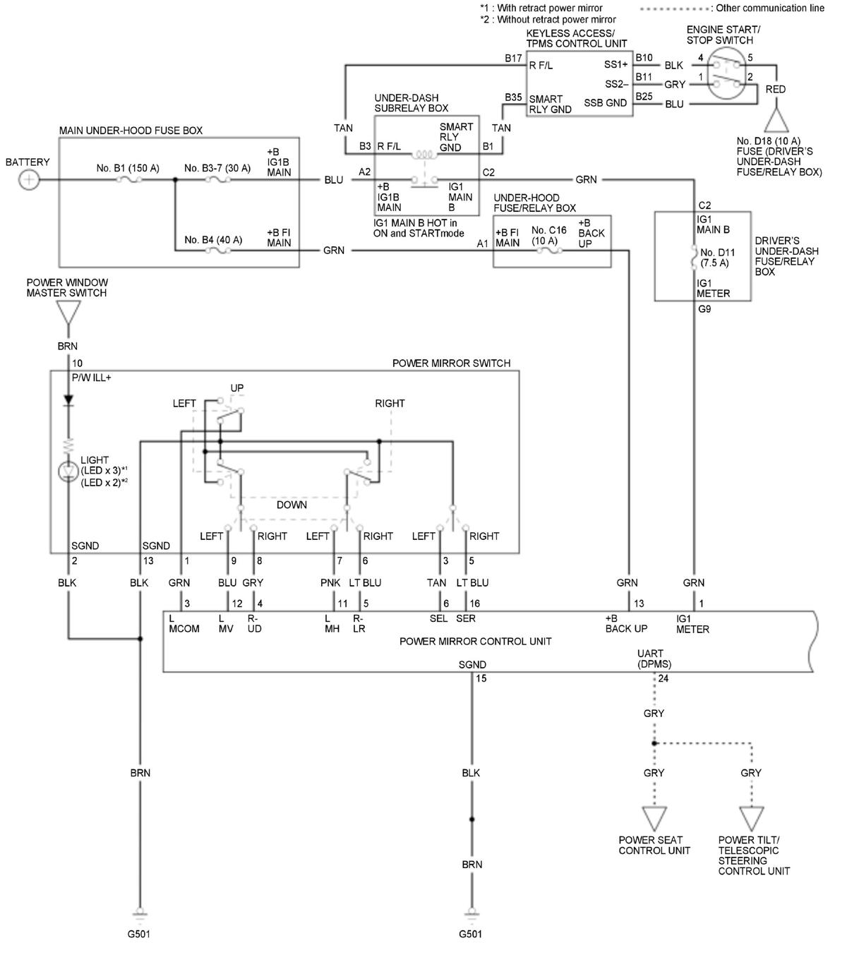
Driving Position Memory System (DPMS) Circuit Diagram - Power Mirror (2017 2018 2019 2020)

GHH323818Courtesy of HONDA, U.S.A., INC.
GHH323819Courtesy of HONDA, U.S.A., INC.