LEMON Manuals: Even more car manuals for everyone: 1960-2025
Home >> Acura >> 2019 >> RDX Technology, AWD >> Repair and Diagnosis (Single Page) >> Accessories & Equipment >> Drivers Assistance Systems - ADAS >> Advanced Driver Assistance Systems - Service, Testing & Troubleshooting >> Circuit Diagram >> Multi View Camera System (MVCS) Circuit Diagram (2019 2020 2021)
April 5, 2026: LEMON Manuals is launched! Read the announcement.

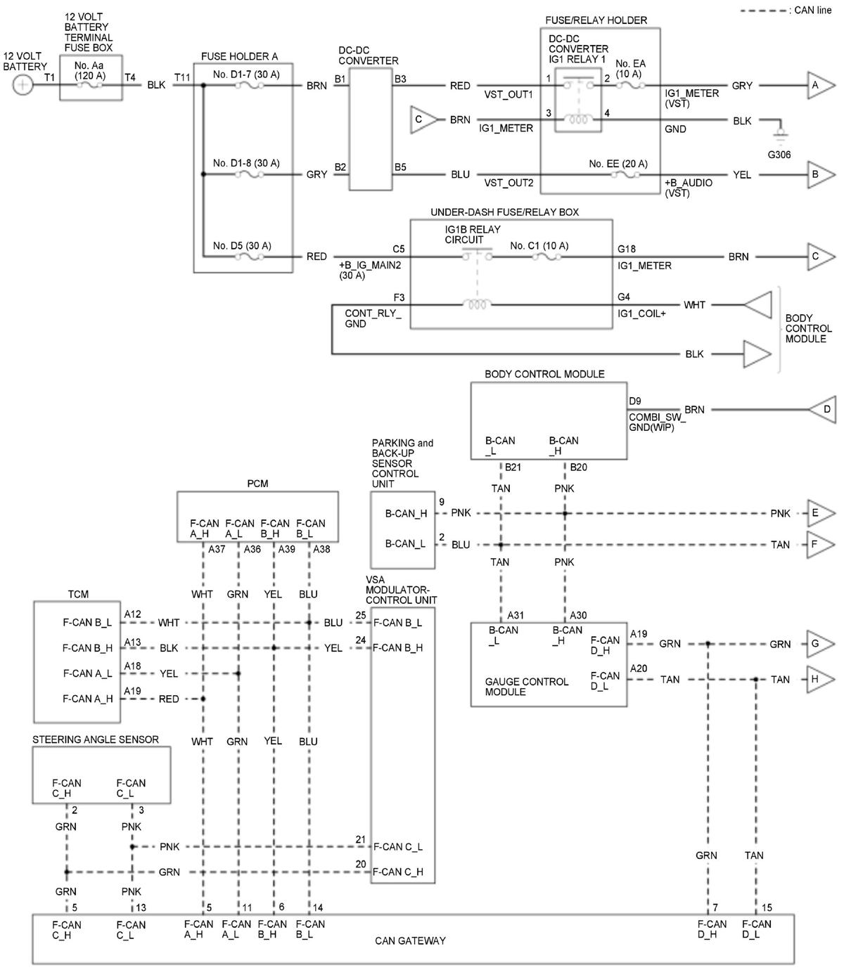
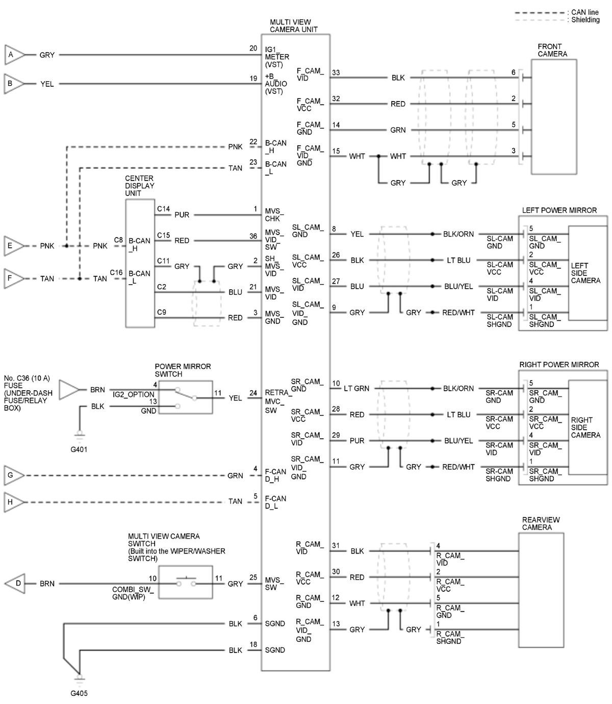
Multi View Camera System (MVCS) Circuit Diagram (2019 2020 2021)

GHH336887Courtesy of HONDA, U.S.A., INC.
GHH336888Courtesy of HONDA, U.S.A., INC.