LEMON Manuals: Even more car manuals for everyone: 1960-2025
Home >> Acura >> 2019 >> RDX Technology, AWD >> Repair and Diagnosis (Single Page) >> Electrical >> Starter >> Starting System - Service, Testing And Troubleshooting >> Circuit Diagram >> Starting System Circuit Diagram (Parking/Back-Up Sensor Control Unit) (2022 2023 2024)
April 5, 2026: LEMON Manuals is launched! Read the announcement.

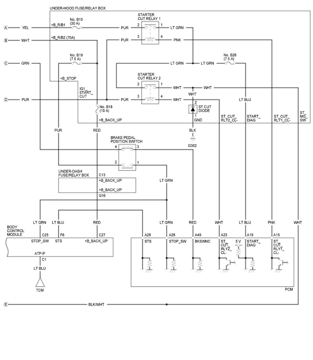
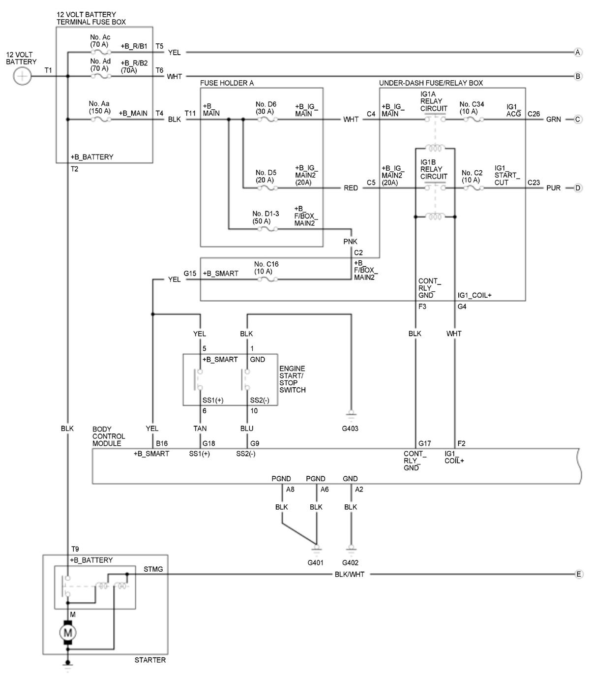
Starting System Circuit Diagram (Parking/Back-Up Sensor Control Unit) (2022 2023 2024)

GHH556559Courtesy of HONDA, U.S.A., INC.
GHH556560Courtesy of HONDA, U.S.A., INC.