LEMON Manuals: Even more car manuals for everyone: 1960-2025
Home >> Acura >> 2019 >> RDX Technology, AWD >> Repair and Diagnosis >> Accessories & Equipment >> Drivers Assistance Systems - ADAS >> Advanced Driver Assistance Systems - Service, Testing & Troubleshooting >> Circuit Diagram >> Blind Spot Information (BSI) System Circuit Diagram (2019 2020 2021)
April 5, 2026: LEMON Manuals is launched! Read the announcement.

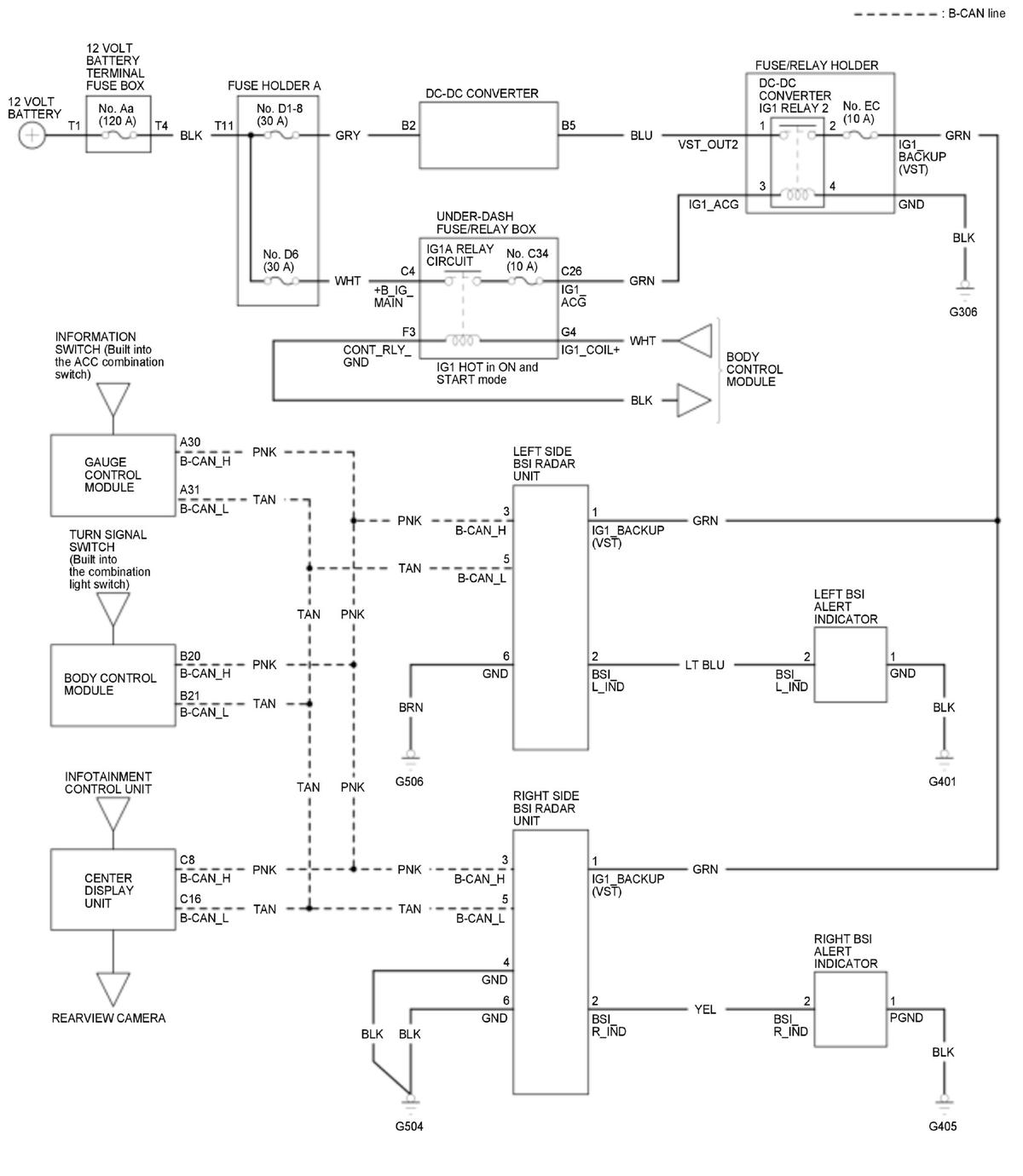
Blind Spot Information (BSI) System Circuit Diagram (2019 2020 2021)

GHH336886Courtesy of HONDA, U.S.A., INC.