LEMON Manuals: Even more car manuals for everyone: 1960-2025
Home >> Acura >> 2019 >> RDX Technology, AWD >> Repair and Diagnosis >> Engine Performance >> System >> Engine Control System - Advanced Diagnostics (P0010 - P050A) >> Advanced Diagnostics >> DTC P0046
April 5, 2026: LEMON Manuals is launched! Read the announcement.

DTC P0046

DTC P0046:  Turbocharger Wastegate Control Actuator Circuit Range/Performance Problem

General Description 

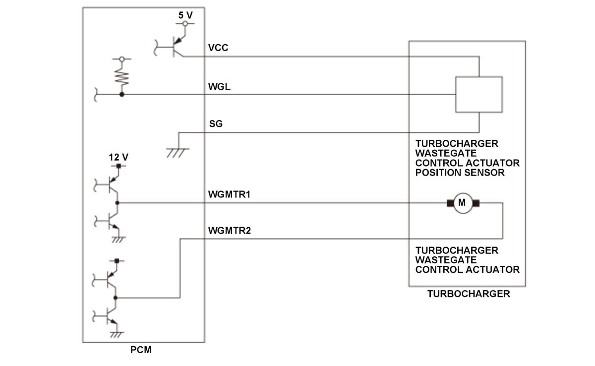
GHH331919Courtesy of HONDA, U.S.A., INC.

The powertrain control module (PCM) adjusts the boost pressure by controlling the turbocharger wastegate control actuator of the turbocharger. Boost pressure becomes higher by fully closing the turbocharger wastegate control valve driven by the turbocharger wastegate control actuator. The turbocharger wastegate control valve position is detected by the turbocharger wastegate control actuator position sensor and the signal is input to the PCM for target position feedback control. The turbocharger wastegate control actuator position sensor value when the turbocharger wastegate control valve is fully closed is stored as fully closed learning value.

Target and actual positions are represented by the relative value from the fully closed position. The PCM sets a target position, and outputs a drive signal to the driver IC and drives the turbocharger wastegate control actuator to be equal to the target position. If the difference of the turbocharger wastegate control valve between the target position and the actual position is a specified value for a specified time, the PCM detects a malfunction and stores a DTC.

Monitor Execution, Sequence, Duration, DTC Type 

Execution Continuous
Sequence None
Duration 2 seconds or more
DTC Type One drive cycle, MIL on

Enable Conditions 

Condition Minimum Maximum
Engine coolant temperature [ ECT Sensor 1] 155.9 deg.F (68.8 deg.C) -
12 volt battery voltage [ Battery] 10 V -
Vehicle ON mode
[ ]: HDS Parameter

Malfunction Threshold 

The difference of the turbocharger wastegate control valve between the target position and the actual position is 0.8 mm (0.03 in) or more for at least 2 seconds.

Possible Cause 

NOTE:

The causes shown may not be a complete list of all potential problems, and it is possible that there may be other causes.

  • Turbocharger wastegate control actuator failure
  • Turbocharger wastegate control actuator position sensor failure

Confirmation Procedure 

Operating Condition 

None.

With the HDS 

  1. Start the engine. Hold the engine speed [ Engine Speed] at 3000 RPM without load (in P or N) until the radiator fan comes on, then let it idle for 2 minutes.
  2. Select the Electric Waste Gate in the Function Test with the HDS.

Diagnosis Details 

Conditions for setting the DTC 

When a malfunction is detected, the MIL comes on and a Pending DTC, a Confirmed DTC, the freeze data, and the on-board snapshot are stored in the PCM memory.

Conditions for clearing the DTC 

The MIL is cleared if the malfunction does not return in three consecutive trips in which the diagnostic runs. The MIL, the Pending DTC, the Confirmed DTC, the freeze data, and the on-board snapshot can be cleared with the scan tool Clear command or by disconnecting the 12 volt battery.