LEMON Manuals: Even more car manuals for everyone: 1960-2025
Home >> Acura >> 2019 >> RLX Base >> Repair and Diagnosis (Single Page) >> Body & Frame >> Door Locks >> Security System Keyless Entry System - Testing & Troubleshooting (Except Hybrid) >> Circuit Diagram >> Keyless Access System Circuit Diagram (KA/KC model) (2016 2017)
April 5, 2026: LEMON Manuals is launched! Read the announcement.

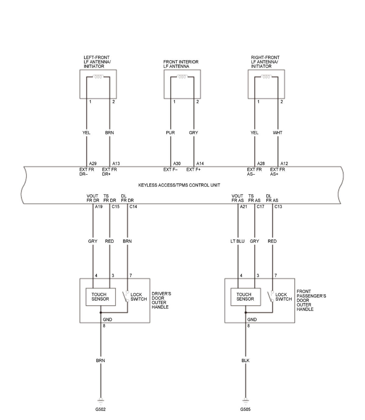
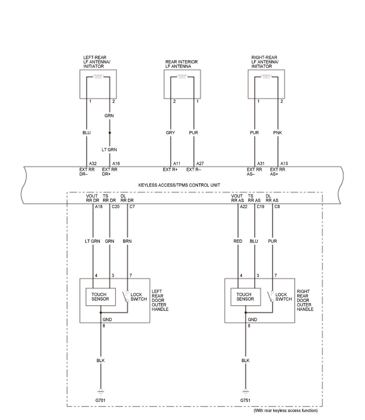
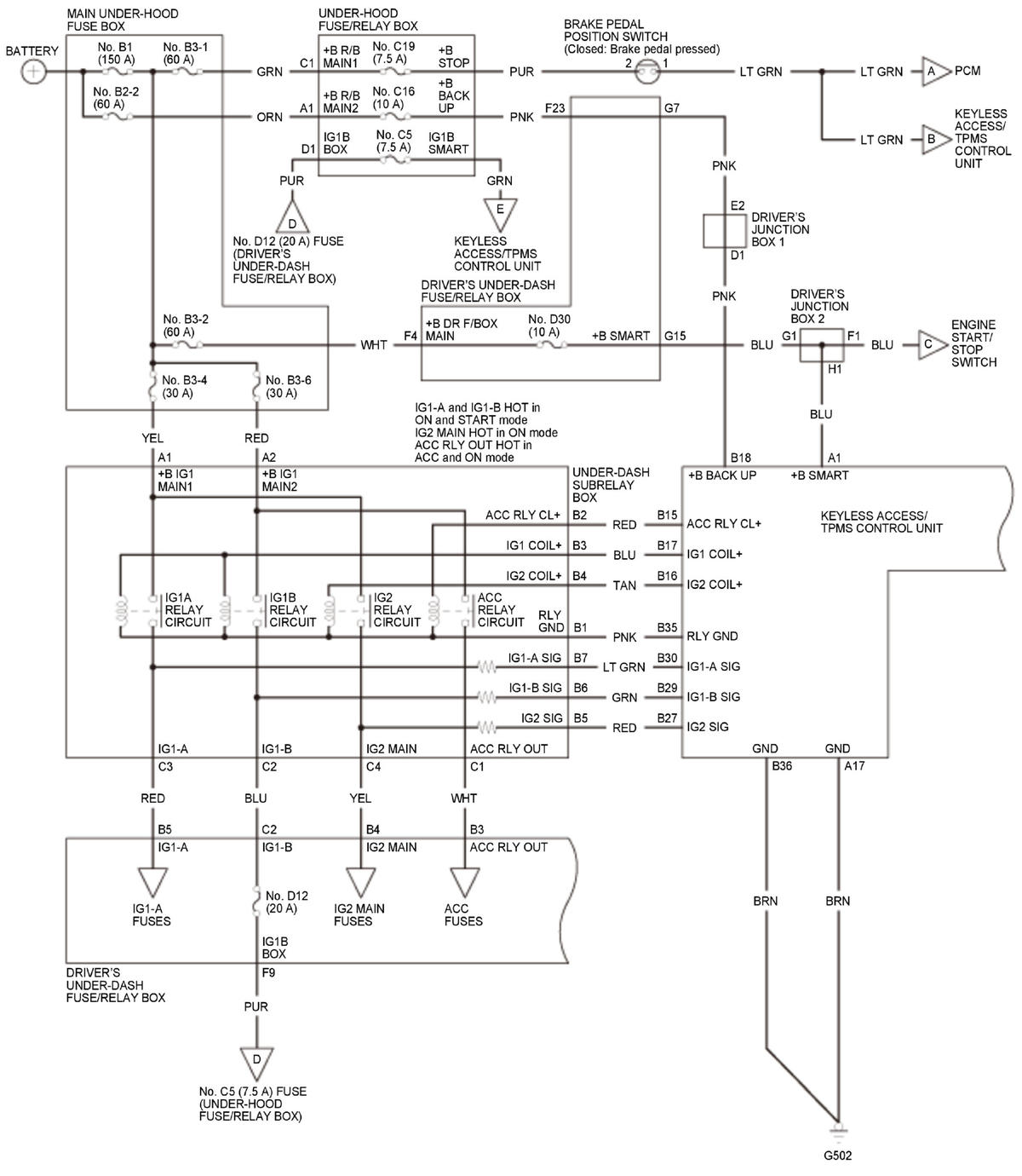
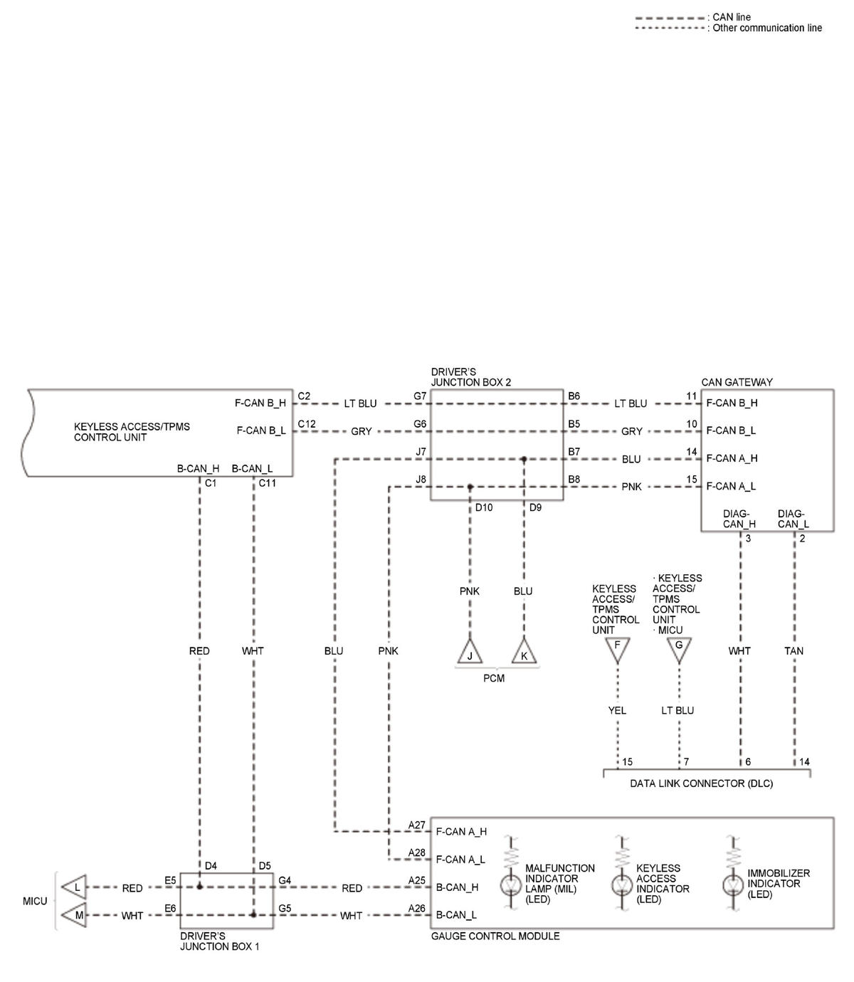
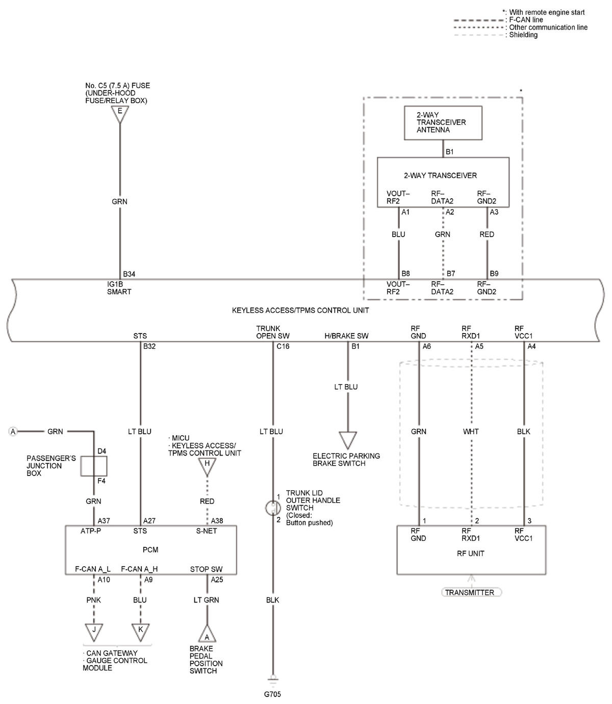
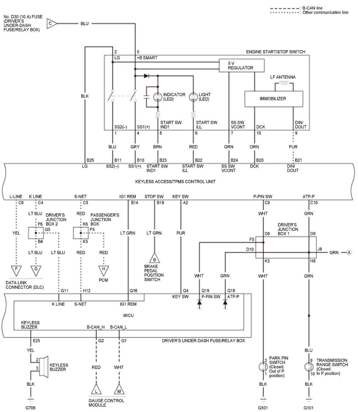
Keyless Access System Circuit Diagram (KA/KC model) (2016 2017)

GHH350933Courtesy of HONDA, U.S.A., INC.
GHH350934Courtesy of HONDA, U.S.A., INC.
GHH350935Courtesy of HONDA, U.S.A., INC.
GHH350936Courtesy of HONDA, U.S.A., INC.
GHH350937Courtesy of HONDA, U.S.A., INC.
GHH350938Courtesy of HONDA, U.S.A., INC.