LEMON Manuals: Even more car manuals for everyone: 1960-2025
Home >> Acura >> 2019 >> RLX Base >> Repair and Diagnosis >> Engine Performance >> System >> Engine Control System - Advanced Diagnostics (2 Of 3) (Except Hybrid) >> Advanced Diagnostics >> DTC P0627
April 5, 2026: LEMON Manuals is launched! Read the announcement.

DTC P0627

DTC P0627:  Fuel Pump Control (FPC) System Malfunction

General Description 

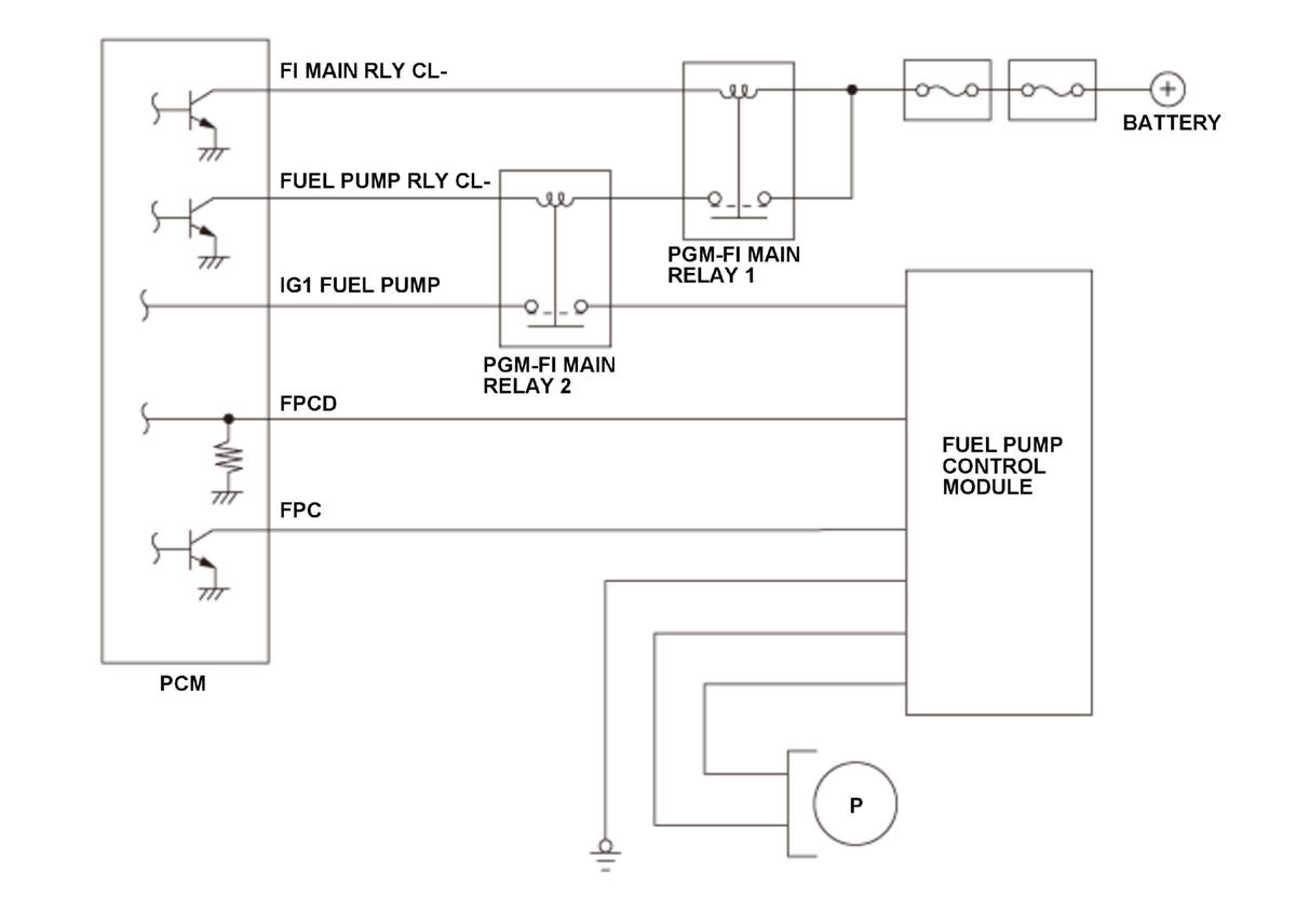
GHH344039Courtesy of HONDA, U.S.A., INC.

The fuel pump control module monitors the voltage applied to the fuel pump in response to the duty signal from the powertrain control module (PCM). When the voltage applied to the fuel pump is normal, the fuel pump control module outputs a high diagnosis signal, and when the voltage applied is abnormal, it outputs a low signal. The PCM monitors this diagnostic signal whenever the engine is running. When the diagnostic signal from the fuel pump control module is low for a set time, the PCM detects a malfunction and stores a DTC.

Monitor Execution, Sequence, Duration, DTC Type, OBD Status 

Execution Continuous
Sequence None
Duration 2.0 seconds or more
DTC Type One drive cycle, MIL off
OBD Status PASSED/FAILED/NOT COMPLETED (STILL TESTING)

Enable Conditions 

Condition Minimum Maximum
Battery voltage [BATTERY] 10.0 V -
State of the engine Running

[ ]: HDS Parameter

Malfunction Threshold 

The diagnostic signal is low for at least 2.0 seconds.

Possible Cause 

NOTE:  The causes shown may not be a complete list of all potential problems, and it is possible that there may be other causes.

Diagnosis Details 

Conditions for setting the DTC 

When a malfunction is detected, a Pending DTC, a Confirmed DTC, and the freeze data are stored in the PCM memory. The MIL does not come on.

Conditions for clearing the DTC 

The Pending DTC, the Confirmed DTC, and the freeze data can be cleared with the scan tool Clear command or by disconnecting the battery.