LEMON Manuals: Even more car manuals for everyone: 1960-2025
Home >> Acura >> 2019 >> TLX Base, 2.4L Eng >> Repair and Diagnosis >> Accessories & Equipment >> Anti-Theft Systems >> Security System Keyless Entry System - Testing & Troubleshooting >> Circuit Diagram >> Keyless Access System Circuit Diagram (Without SH-AWD) (2015-17)
April 5, 2026: LEMON Manuals is launched! Read the announcement.

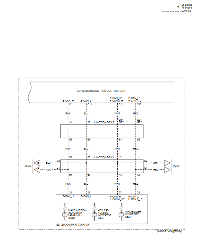
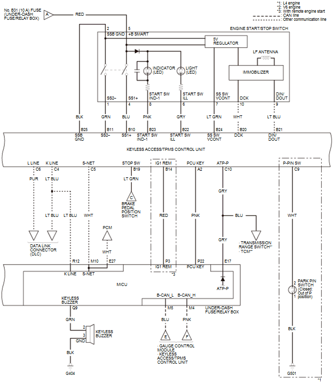
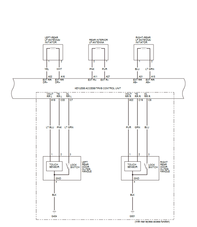
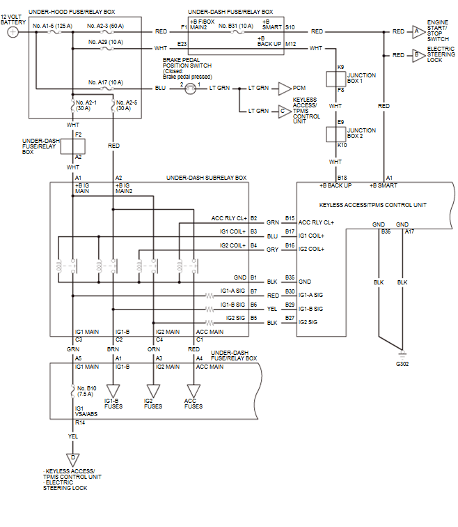
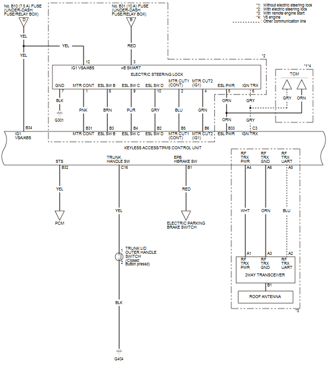
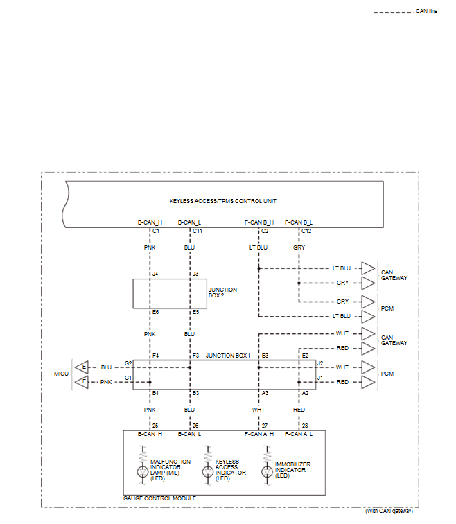
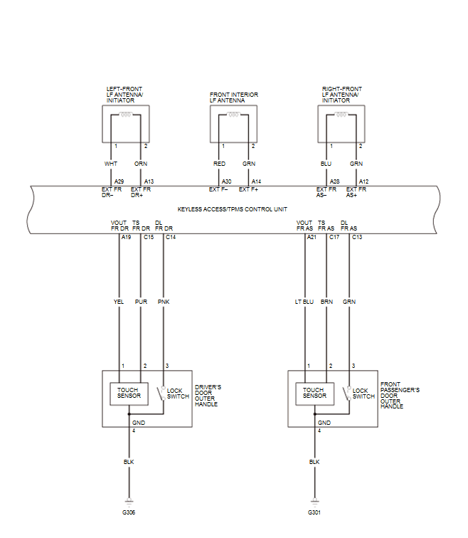
Keyless Access System Circuit Diagram (Without SH-AWD) (2015-17)

GHH163945Courtesy of HONDA, U.S.A., INC.
GHH163946Courtesy of HONDA, U.S.A., INC.
GHH163947Courtesy of HONDA, U.S.A., INC.
GHH163948Courtesy of HONDA, U.S.A., INC.
GHH163949Courtesy of HONDA, U.S.A., INC.
GHH163950Courtesy of HONDA, U.S.A., INC.
GHH163951Courtesy of HONDA, U.S.A., INC.