LEMON Manuals: Even more car manuals for everyone: 1960-2025
Home >> Acura >> 2019 >> TLX Base, 2.4L Eng >> Repair and Diagnosis >> Accessories & Equipment >> Anti-Theft Systems >> Security System Keyless Entry System - Testing & Troubleshooting >> Circuit Diagram >> Keyless/Power Door Locks/Security System Circuit Diagram (2018-19)
April 5, 2026: LEMON Manuals is launched! Read the announcement.

Keyless/Power Door Locks/Security System Circuit Diagram (2018-19)

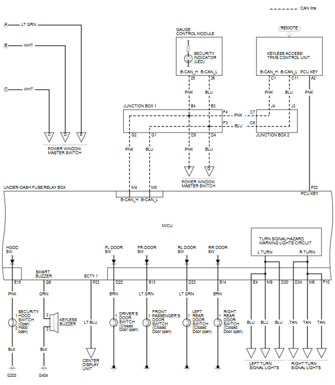
GHH203662Courtesy of HONDA, U.S.A., INC.
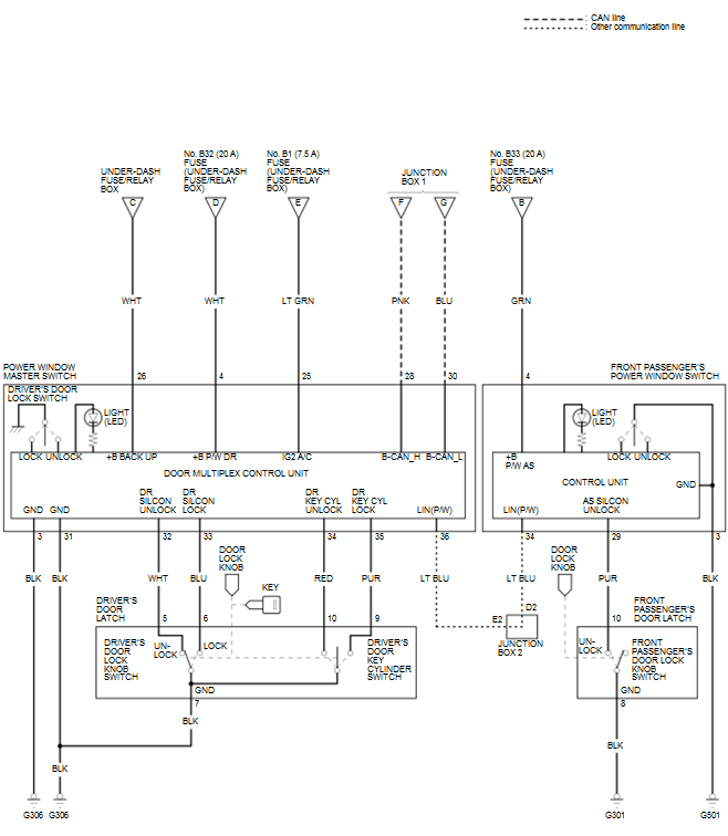
GHH203663Courtesy of HONDA, U.S.A., INC.
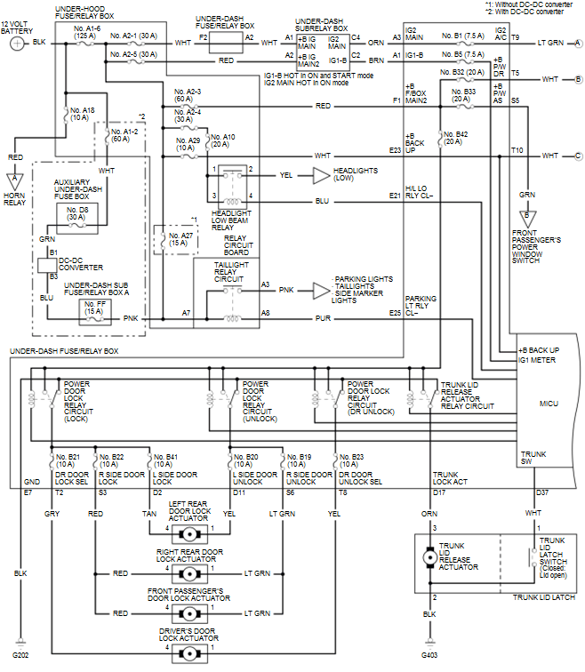
GHH203664Courtesy of HONDA, U.S.A., INC.
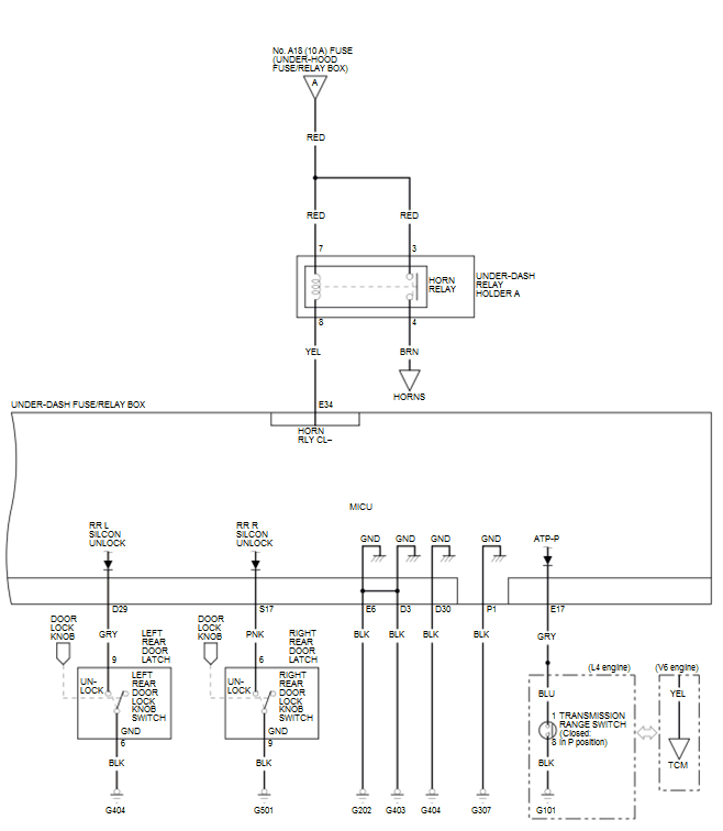
GHH203665Courtesy of HONDA, U.S.A., INC.