LEMON Manuals: Even more car manuals for everyone: 1960-2025
Home >> Acura >> 2021 >> TLX Base >> Repair and Diagnosis (Single Page) >> Engine Performance >> System >> Engine Control System - Advanced Diagnostics (2 Of 3) >> Advanced Diagnostics >> DTC Advanced Diagnostics: P062B (3.0L Engine)
April 5, 2026: LEMON Manuals is launched! Read the announcement.

DTC Advanced Diagnostics: P062B (3.0L Engine)

DTC P062B:  Powertrain Control Module (PCM) Internal Circuit Malfunction (Injector)

General Description 

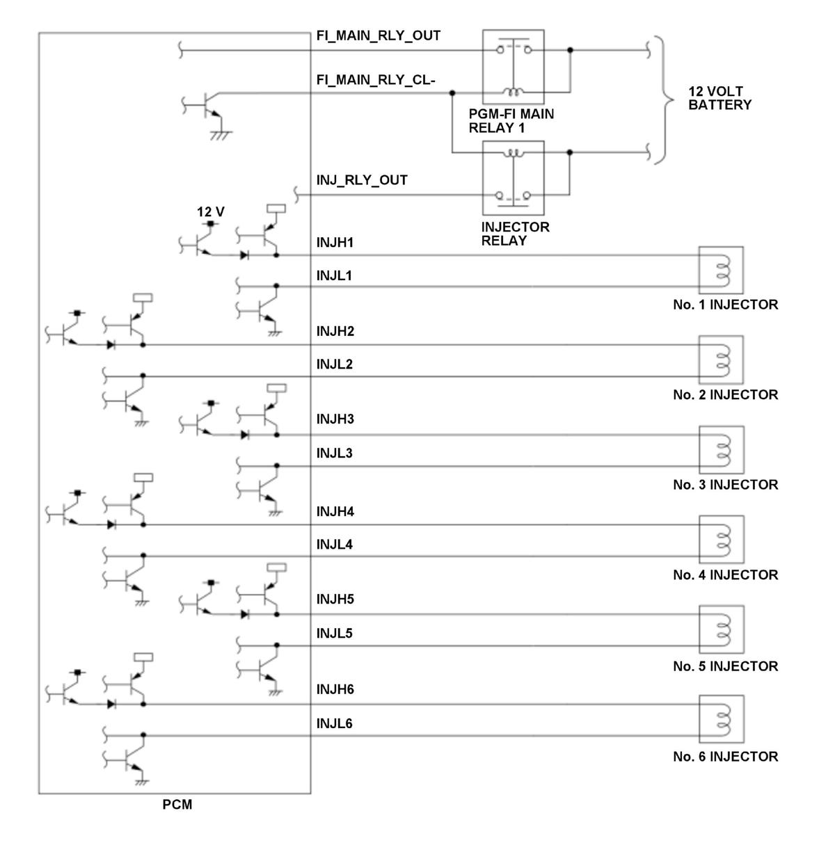
GHH479816Courtesy of HONDA, U.S.A., INC.

The injector supplies fuel to the engine and is controlled by the powertrain control module (PCM) on/off command. The injector driver IC controls the DC-DC converter equipped in the PCM to boost the voltage and supplies to the injector. The injector driver IC monitors the voltage that is generated in the DC-DC converter. If the monitored voltage is determined as not charged, communication error, or clock error, the PCM detects a malfunction and stores a DTC.

Monitor Execution, Sequence, Duration, DTC Type 

Execution Continuous
Sequence None
Duration 0.5 second or more
DTC Type One drive cycle, MIL on

Enable Conditions 

Condition Minimum Maximum
Elapsed time after vehicle ON mode 100 milliseconds -
12 volt battery voltage [Battery] 10.0 V -
State of the engine Running

[ ]: HDS Parameter

Malfunction Threshold 

The PCM detects an abnormal condition (not charged, communication error, or clock error) of the injector driver IC for at least 0.5 second.

Possible Cause 

NOTE: The causes shown may not be a complete list of all potential problems, and it is possible that there may be other causes.

Diagnosis Details 

Conditions for setting the DTC 

When a malfunction is detected, the MIL comes on and a Pending DTC, a Confirmed DTC, the freeze data, and the on-board snapshot are stored in the PCM memory.

Conditions for clearing the DTC 

The MIL is cleared if the malfunction does not return in three consecutive trips in which the diagnostic runs. The MIL, the Pending DTC, the Confirmed DTC, the freeze data, and the on-board snapshot can be cleared with the scan tool clear command.