LEMON Manuals: Even more car manuals for everyone: 1960-2025
Home >> Acura >> 2021 >> TLX Base >> Repair and Diagnosis (Single Page) >> Engine Performance >> System >> Engine Control System - Advanced Diagnostics (3 Of 3) >> Advanced Diagnostics >> DTC Advanced Diagnostics: P2564, P2565 (2.0L Engine)
April 5, 2026: LEMON Manuals is launched! Read the announcement.

DTC Advanced Diagnostics: P2564, P2565 (2.0L Engine)

DTC P2564:  Turbocharger Wastegate Control Actuator Position Sensor Circuit Low Voltage DTC P2565:  Turbocharger Wastegate Control Actuator Position Sensor Circuit High Voltage

General Description 

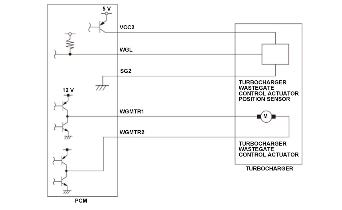
GHH479998Courtesy of HONDA, U.S.A., INC.
GHH479999Courtesy of HONDA, U.S.A., INC.

The powertrain control module (PCM) adjusts the boost pressure by controlling the turbocharger wastegate control actuator of the turbocharger. Boost pressure becomes higher by fully closing the turbocharger wastegate control valve driven by the turbocharger wastegate control actuator. The turbocharger wastegate control valve position is detected by the turbocharger wastegate control actuator position sensor and the signal is input to the PCM for target position feedback control. The turbocharger wastegate control actuator position sensor value when the turbocharger wastegate control valve is fully closed is stored as fully closed learning value. Target and actual positions are represented by the relative value from the fully closed position. The PCM sets a target position, and outputs a drive signal to the driver IC and drives the turbocharger wastegate control actuator to be equal to the target position. If the turbocharger wastegate control actuator position sensor output voltage is out of normal range for a specified time, the PCM detects a malfunction and stores a DTC.

Monitor Execution, Sequence, Duration, DTC Type 

Execution Continuous
Sequence None
Duration 2 seconds or more
DTC Type One drive cycle, MIL on

Enable Conditions 

Condition  
Vehicle ON mode

Malfunction Threshold 

DTC: P2564 

The turbocharger wastegate control actuator position sensor output voltage [EWG Voltage From Lift Sensor] is 0.16 V or less for at least 2 seconds.

DTC: P2565 

The turbocharger wastegate control actuator position sensor output voltage [EWG Voltage From Lift Sensor] is 4.87 V or more for at least 2 seconds.

[ ]: HDS Parameter

Possible Cause 

NOTE: The causes shown may not be a complete list of all potential problems, and it is possible that there may be other causes.

DTC: P2564 

DTC: P2565 

Common 

Diagnosis Details 

Conditions for setting the DTC 

When a malfunction is detected, the MIL comes on and a Pending DTC, a Confirmed DTC, the freeze data, and the on-board snapshot are stored in the PCM memory.

Conditions for clearing the DTC 

The MIL is cleared if the malfunction does not return in three consecutive trips in which the diagnostic runs. The MIL, the Pending DTC, the Confirmed DTC, the freeze data, and the on-board snapshot can be cleared with the scan tool clear command.