LEMON Manuals: Even more car manuals for everyone: 1960-2025
Home >> Acura >> 2021 >> TLX Base >> Repair and Diagnosis (Single Page) >> Engine Performance >> System >> Engine Control System - Advanced Diagnostics (3 Of 3) >> Advanced Diagnostics >> DTC Advanced Diagnostics: P2564, P2565 (3.0L Engine)
April 5, 2026: LEMON Manuals is launched! Read the announcement.

DTC Advanced Diagnostics: P2564, P2565 (3.0L Engine)

DTC P2564:  Turbocharger Wastegate Control Actuator Position Sensor Circuit Low Voltage DTC P2565:  Turbocharger Wastegate Control Actuator Position Sensor Circuit High Voltage

General Description 

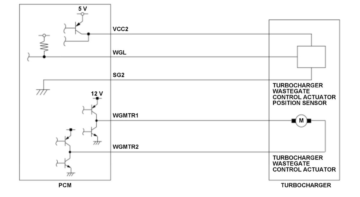
GHH480000Courtesy of HONDA, U.S.A., INC.

The turbocharger wastegate control actuator position sensor detects a position of the turbocharger wastegate control valve. The position is converted into electrical signal. The powertrain control module (PCM) can detect the position by measuring the voltage of the sensor output signal. The turbocharger wastegate control actuator position sensor outputs low signal voltage at valve close and high signal voltage at valve open. If a signal voltage from the turbocharger wastegate control actuator position sensor is a set value, the PCM detects a malfunction and stores a DTC.

Monitor Execution, Sequence, Duration, DTC Type 

Execution Continuous
Sequence None
Duration 0.5 second or more
DTC Type One drive cycle, MIL on

Enable Conditions 

Condition  
Vehicle ON mode

Malfunction Threshold 

DTC: P2564 

The turbocharger wastegate control actuator position sensor output voltage [EWG Voltage From Lift Sensor] is 0.357 V* 1 (0.169 V)* 2 or less for at least 0.5 second.

DTC: P2565 

The turbocharger wastegate control actuator position sensor output voltage [EWG Voltage From Lift Sensor] is 4.745 V* 1 (4.82 V)* 2 or more for at least 0.5 second.

*1: USA and Canada models*2: Mexico models[ ]: HDS Parameter

Possible Cause 

NOTE: The causes shown may not be a complete list of all potential problems, and it is possible that there may be other causes.

DTC: P2564 

DTC: P2565 

Common 

Diagnosis Details 

Conditions for setting the DTC 

When a malfunction is detected, the MIL comes on and a Pending DTC, a Confirmed DTC, the freeze data, and the on-board snapshot are stored in the PCM memory.

Conditions for clearing the DTC 

The MIL is cleared if the malfunction does not return in three consecutive trips in which the diagnostic runs. The MIL, the Pending DTC, the Confirmed DTC, the freeze data, and the on-board snapshot can be cleared with the scan tool clear command.