LEMON Manuals: Even more car manuals for everyone: 1960-2025
Home >> Acura >> 2021 >> TLX Base >> Repair and Diagnosis >> Steering >> Power Steering >> Steering System - Service, Testing And Troubleshooting >> Circuit Diagram >> EPS Circuit Diagram
April 5, 2026: LEMON Manuals is launched! Read the announcement.

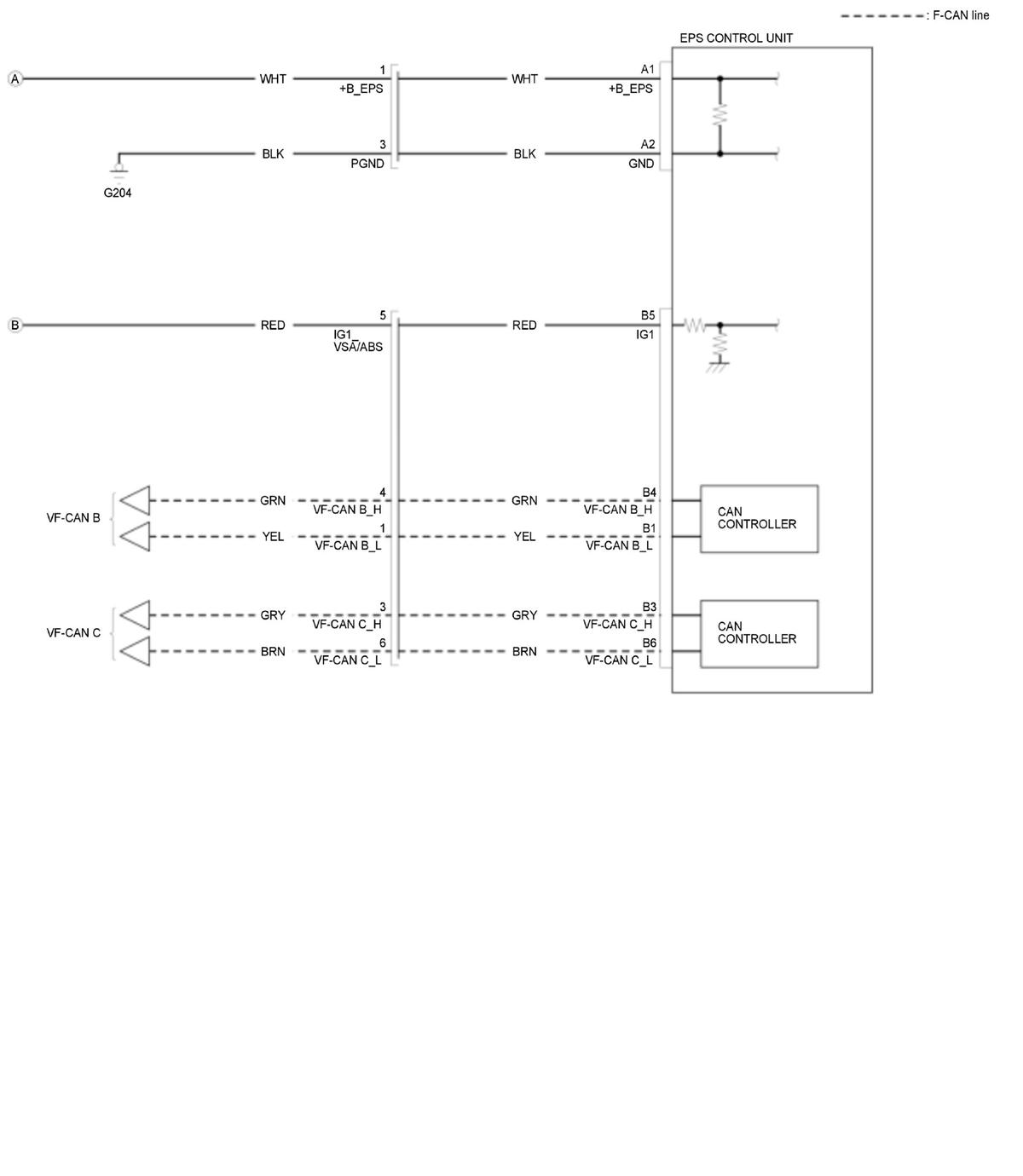
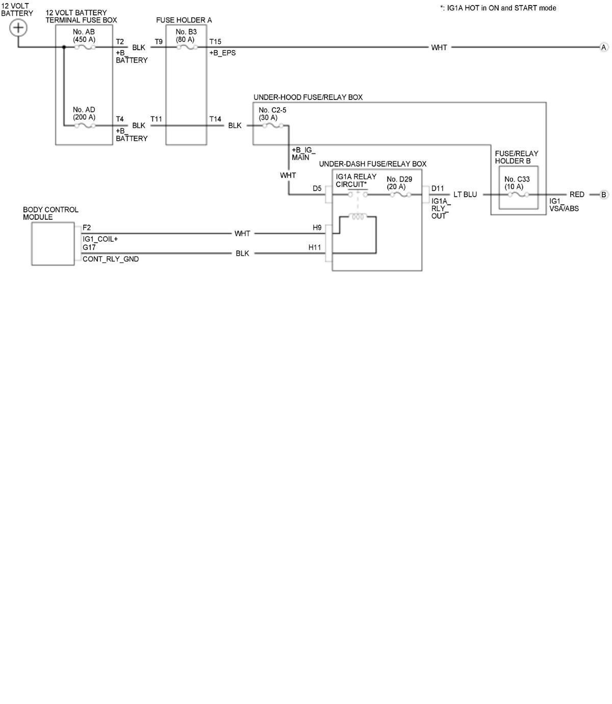
EPS Circuit Diagram

NOTE: For details of the CAN circuit, refer to the Network Communications Circuit Diagram
GHH487808Courtesy of HONDA, U.S.A., INC.
GHH487809Courtesy of HONDA, U.S.A., INC.