LEMON Manuals: Even more car manuals for everyone: 1960-2025
Home >> Acura >> 2021 >> TLX Base >> Repair and Diagnosis >> Transmission >> Automatic Trans >> Automatic Transaxle - Advanced Diagnostics >> Advanced Diagnostics >> DTC Advanced Diagnostics: P0971
April 5, 2026: LEMON Manuals is launched! Read the announcement.

DTC Advanced Diagnostics: P0971

DTC P0971  : Clutch Pressure Control Solenoid Valve C Circuit High

General Description 

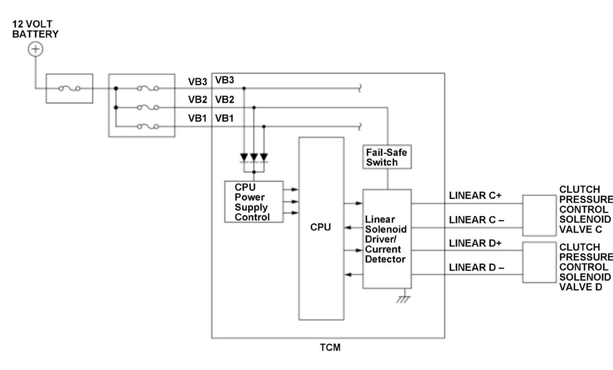
GHH477578Courtesy of HONDA, U.S.A., INC.

Clutch pressure control solenoid valve C is controlled by duty output. A spool in clutch pressure control solenoid valve C moves the valve according to the current, and produces hydraulic pressure in proportion to the current. The transmission control module (TCM) measures the current that passes through clutch pressure control solenoid valve C and uses feedback control to compensate for the difference between the measured current and the commanded one. If the current value of clutch pressure control solenoid valve C is more than a specified value (regardless of the duty output), or the current value of clutch pressure control solenoid valve C is more than a specified value when the duty output is 0 %, the TCM detects a malfunction and stores a DTC.

Monitor Execution, Sequence, Duration, DTC Type 

Execution Continuous
Sequence None
Duration 0.19 second or more
DTC Type One drive cycle, MIL on, shift position indicator blinks

Enable Conditions 

Condition Minimum Maximum
12 volt battery voltage [Battery Voltage] 10.0 V -
Command current value of clutch pressure control solenoid valve C 150 mA 1, 000 mA
Vehicle ON mode

[ ]: HDS Parameter

Malfunction Threshold 

One of these conditions is met for at least 0.19 second.

Possible Cause 

NOTE: The causes shown may not be a complete list of all potential problems, and it is possible that there may be other causes.

Diagnosis Details 

Conditions for setting the DTC 

When a malfunction is detected, the MIL comes on, the shift position indicator blinks, and a Pending DTC, a Confirmed DTC, and the freeze data are stored in the TCM memory.

Conditions for clearing the DTC 

The shift position indicator comes off by turning the vehicle to the OFF (LOCK) mode. The MIL is cleared if the malfunction does not return in three consecutive trips in which the diagnostic runs. The MIL, the Pending DTC, the Confirmed DTC, and the freeze data can be cleared with the scan tool clear command.