LEMON Manuals: Even more car manuals for everyone: 1960-2025
Home >> Acura >> 2022 >> MDX Base >> Repair and Diagnosis (Single Page) >> Engine Performance >> System >> Engine Control System Advanced Diagnostics (P06E4 - P24B9) >> Advanced Diagnostics >> DTC Advanced Diagnostics: P2118 (3.5L Engine)
April 5, 2026: LEMON Manuals is launched! Read the announcement.

DTC Advanced Diagnostics: P2118 (3.5L Engine)

DTC P2118:  Throttle Actuator Current Range/Performance Problem

General Description 

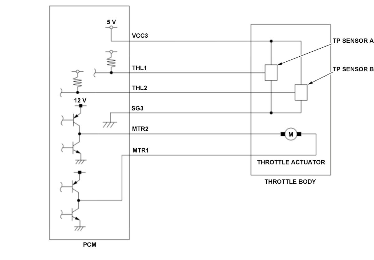
GHH515504Courtesy of HONDA, U.S.A., INC.

The electronic throttle control system controls the throttle valve opening. The system includes the throttle actuator, the throttle valve, throttle position (TP) sensors A and B, the electronic throttle control system (ETCS) control relay, the accelerator pedal position (APP) sensor, and the powertrain control module (PCM). When the accelerator pedal is pressed, the APP sensor detects the accelerator pedal opening value. The accelerator pedal opening value is converted to a signal in the APP sensor and transmitted to the PCM to compute the target position. The PCM determines the throttle valve target position according to the signal received and operates the throttle actuator to move the throttle valve to the target position. The actual throttle valve position is determined by TP sensor A (installed in the throttle body). When the output current to the throttle valve actuator exceeds the specification for a set time, the PCM detects a malfunction of the throttle actuator system and stores a DTC.

Monitor Execution, Sequence, Duration, DTC Type 

Execution Continuous
Sequence None
Duration 200 milliseconds or more
DTC Type One drive cycle, MIL on

Enable Conditions 

Condition Minimum Maximum
12 volt battery voltage [Battery] 6.0 V -
Vehicle ON mode

[ ]: HDS Parameter

Malfunction Threshold 

The current flow to the throttle actuator is 11 A or more for at least 200 milliseconds.

Possible Cause 

NOTE:

The causes shown may not be a complete list of all potential problems, and it is possible that there may be other causes.

Diagnosis Details 

Conditions for setting the DTC 

When a malfunction is detected, the MIL comes on and a Pending DTC, a Confirmed DTC, the freeze data, and the on-board snapshot are stored in the PCM memory.

Conditions for clearing the DTC 

The MIL is cleared if the malfunction does not return in three consecutive trips in which the diagnostic runs. The MIL, the Pending DTC, the Confirmed DTC, the freeze data, and the on-board snapshot can be cleared with the scan tool clear command.