LEMON Manuals: Even more car manuals for everyone: 1960-2025
Home >> Acura >> 2022 >> MDX Base >> Repair and Diagnosis (Single Page) >> Restraints >> Restraints Control Systems >> Body Electrical System - Troubleshooting - System Description >> Circuit Diagram >> Driving Support Circuit Diagram (Integrated Driver Support System (Camera and Five Radars)) (2025)
April 5, 2026: LEMON Manuals is launched! Read the announcement.

Driving Support Circuit Diagram (Integrated Driver Support System (Camera and Five Radars)) (2025)

NOTE:

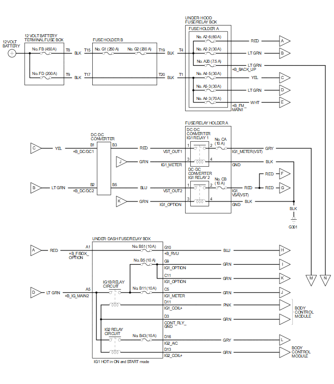
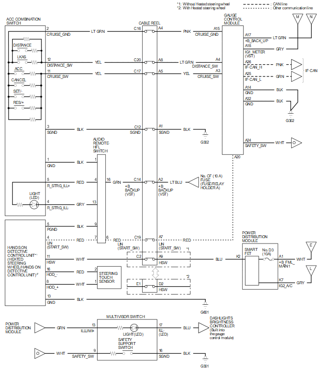
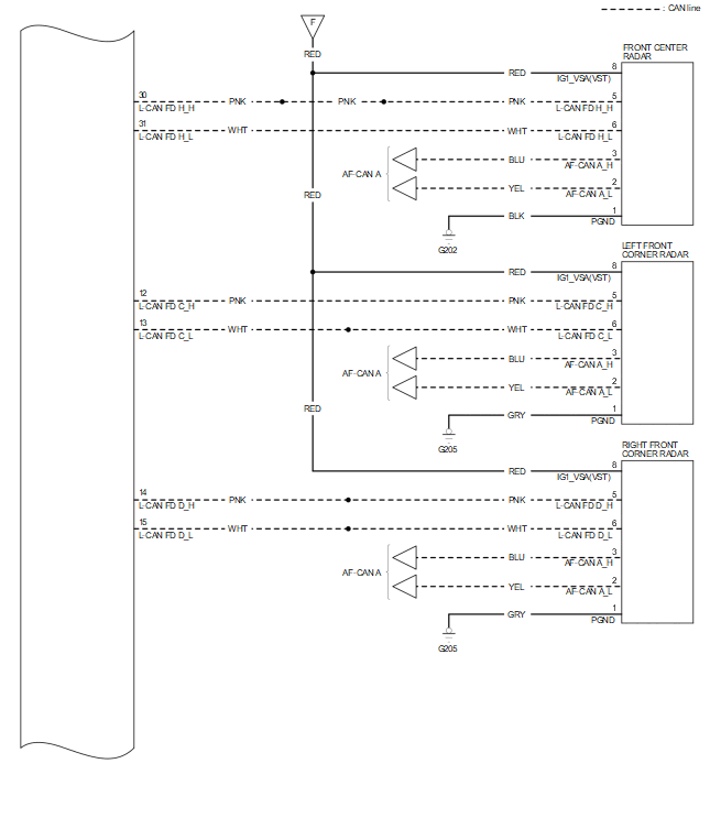
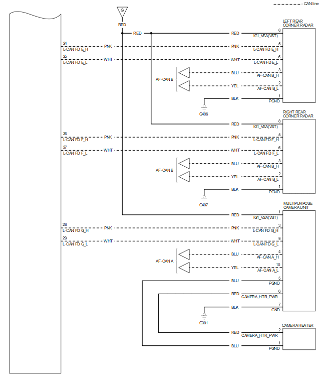
For details of the CAN circuit refer to the Network Communications Circuit Diagram. The following describes the "Circuit Diagram" of the Integrated Driver Support System (Camera and Five Radars). If the vehicle is equipped with only one millimeter wave radar, refer to "Circuit Diagram" of the Integrated Driver Support System.

GHH665363Courtesy of HONDA, U.S.A., INC.
GHH665364Courtesy of HONDA, U.S.A., INC.
GHH665365Courtesy of HONDA, U.S.A., INC.
GHH665366Courtesy of HONDA, U.S.A., INC.
GHH665367Courtesy of HONDA, U.S.A., INC.
GHH665368Courtesy of HONDA, U.S.A., INC.